Запчасти Komatsu GD555-3A ТОПЛИВН.¤ ГИДР. БАК. AND ЭЛЕМЕНТЫ КРЕПЛЕНИЯ(№-) ТОПЛИВН. БАК. AND КОМПОНЕНТЫ

Схема запчастей Komatsu GD555-3A - ТОПЛИВН.¤ ГИДР. БАК. AND ЭЛЕМЕНТЫ КРЕПЛЕНИЯ(№-) ТОПЛИВН. БАК. AND КОМПОНЕНТЫ
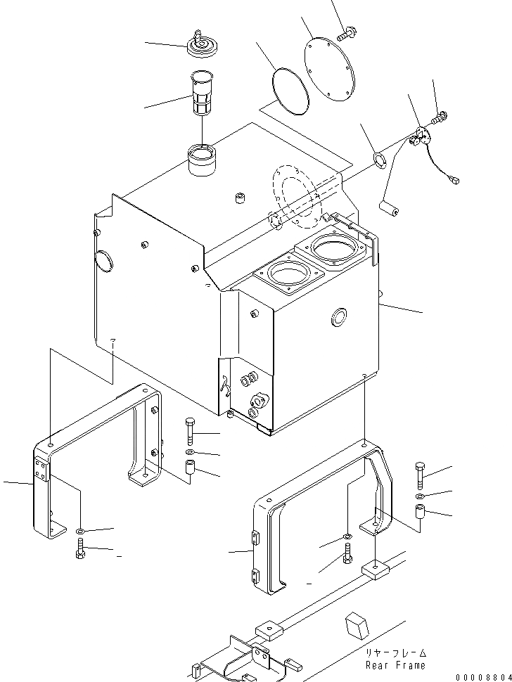
1
2
2
3
3
4
5
6
7
8
9
10
11
11
12
12
13
13
14
15
16
FIT
1:1
100%

Артикул

Название

Примечание

Количество

1

23B-04-31511

TANK,FUEL

SN: 11001-11133

1шт.

2

01010-81640

BOLT

SN: 10001-11133

4шт.

3

01643-31645

WASHER

SN: 10001-11133

4шт.

4

238-04-12130

STRAINER

SN: 10001-@

1шт.

5

428-04-11120

COVER

SN: 10001-@

1шт.

6

07000-15200

O-RING

SN: 10001-@

1шт.

7

01435-01020

BOLT

SN: 10001-@

6шт.

8

20Y-04-11160

CAP

SN: 10001-@

1шт.

9

23B-04-31322

BRACKET,L.H.

SN: 10001-11133

1шт.

10

23B-04-31333

BRACKET,R.H.

SN: 11001-11133

1шт.

11

01010-81685

BOLT

SN: 10001-@

4шт.

12

01643-31645

WASHER

SN: 10001-@

4шт.

13

238-04-11140

SPACER

SN: 10001-11133

4шт.

14

23B-06-42650

SENSOR,FUEL

SN: 10001-@

1шт.

15

237-06-15190

PACKING

SN: 10001-@

1шт.

16

01023-10412

SCREW

SN: 10001-@

5шт.

Выбрано товаров: 16