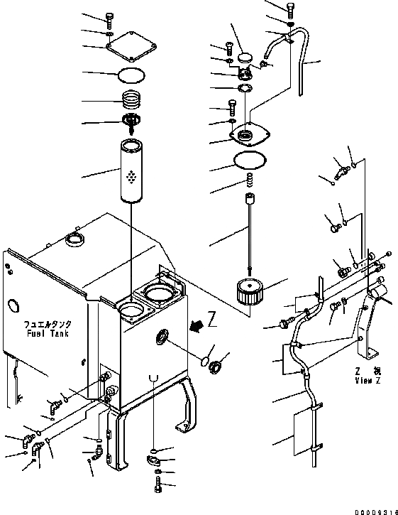
Запчасти Komatsu GD555-3C ГИДР. БАК. (АКСЕССУАРЫ) ГИДРАВЛИКА

Схема запчастей Komatsu GD555-3C - ГИДР. БАК. (АКСЕССУАРЫ) ГИДРАВЛИКА
23
22
19
21
20
16
38
35
37
37
36
44
43
25
39
40
9
10
24
14
11
41
42
8
7
6
3
2
5
4
15
18
17
1
21
20
13
12
39
46
45
48
47
34
32
33
30
29
31
27
26
28
34
32
33
11
FIT
1:1
100%

Артикул

Название

Примечание

Количество

1

201-60-12190

CAP ASS'Y

SN: B15001-UP

1шт.

2

203-60-61130

COVER

SN: B15001-UP

1шт.

3

07000-15155

O-RING

SN: B15001-UP

1шт.

4

01010-81225

BOLT

SN: B15001-UP

4шт.

5

01643-31232

WASHER

SN: B15001-UP

4шт.

6

175-60-27340

SPRING

SN: B15001-UP

1шт.

7

203-60-52250

VALVE ASS'Y

SN: B15001-UP

1шт.

8

07063-51100

ELEMENT

SN: B15001-UP

1шт.

9

421-60-11622

GAUGE {SIGHT}

SN: B15001-UP

1шт.

10

07002-15234

O-RING

SN: B15001-UP

1шт.

11

07270-60817

TUBE

SN: B15001-UP

1шт.

12

07280-01110

CLAMP

SN: B15001-UP

1шт.

13

08036-01014

CLIP

SN: B15001-UP

1шт.

14

04434-51010

CLIP

SN: B15001-UP

2шт.

15

201-60-12171

FILLER NECK

SN: B15001-UP

1шт.

16

205-60-51460

GASKET

SN: B15001-UP

2шт.

17

01220-40516

SCREW

SN: B15001-UP

6шт.

18

01641-20508

WASHER

SN: B15001-UP

6шт.

19

23B-60-32111

COVER

SN: B15001-UP

1шт.

20

01010-81225

BOLT

SN: B15001-UP

4шт.

21

01643-31232

WASHER

SN: B15001-UP

4шт.

22

07000-15180

O-RING

SN: B15001-UP

1шт.

23

12R-60-11230

SPRING

SN: B15001-UP

1шт.

24

23B-60-32121

ROD

SN: B15001-UP

1шт.

25

20Y-60-21311

STRAINER

SN: B15001-UP

1шт.

26

02782-10423

ELBOW

SN: B15001-UP

1шт.

27

07002-12034

O-RING

SN: B15001-UP

1шт.

28

02896-11012

O-RING

SN: B15001-UP

1шт.

29

02782-10628

ELBOW

SN: B15001-UP

1шт.

30

07002-12434

O-RING

SN: B15001-UP

1шт.

31

02896-11018

O-RING

SN: B15001-UP

1шт.

32

02782-10522

ELBOW

SN: B15001-UP

2шт.

33

07002-12434

O-RING

SN: B15001-UP

2шт.

34

02896-11015

O-RING

SN: B15001-UP

2шт.

35

02782-10210

ELBOW

SN: B15001-UP

1шт.

36

07040-11409

PLUG

SN: B15001-UP

1шт.

37

07002-11423

O-RING

SN: B15001-UP

2шт.

38

02896-11008

O-RING

SN: B15001-UP

1шт.

39

04434-51010

CLIP

SN: B15001-UP

5шт.

40

01435-01016

BOLT

SN: B15001-UP

5шт.

41

23B-60-32350

PLUG

SN: B15001-UP

1шт.

42

07005-01612

GASKET

SN: B15001-UP

1шт.

43

07040-12412

PLUG

SN: B15001-UP

1шт.

44

07002-12434

O-RING

SN: B15001-UP

1шт.

45

07336-61227

FLANGE

SN: B15001-UP

1шт.

46

07000-13035

O-RING

SN: B15001-UP

1шт.

47

01010-81035

BOLT

SN: B15001-UP

2шт.

48

01643-31032

WASHER

SN: B15001-UP

2шт.

Выбрано товаров: 48