Запчасти Komatsu GD555-3C ГИДРОЛИНИЯ (ОХЛАЖДЕНИЕ ТРАНСМИССИИ) ГИДРАВЛИКА

Схема запчастей Komatsu GD555-3C - ГИДРОЛИНИЯ (ОХЛАЖДЕНИЕ ТРАНСМИССИИ) ГИДРАВЛИКА
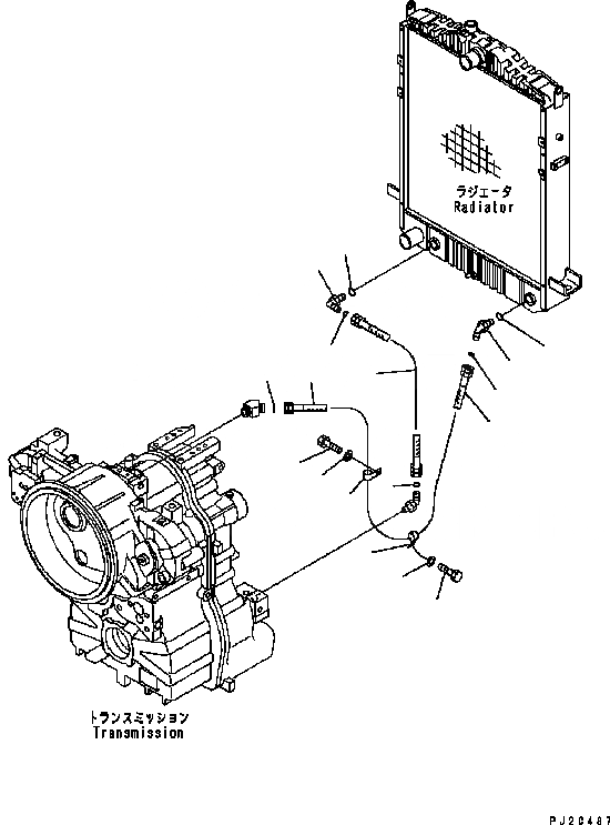
1
3
7
6
11
9
10
8
5
7
8
10
9
6
11
2
4
FIT
1:1
100%

Артикул

Название

Примечание

Количество

1

21W-62-42640

ELBOW

SN: B15001-UP

1шт.

2

207-62-71410

ELBOW

SN: B15001-UP

1шт.

3

07002-13334

O-RING

SN: B15001-UP

1шт.

4

07002-23334

O-RING

SN: B15001-UP

1шт.

5

23B-16-31760

HOSE

SN: B15001-UP

1шт.

6

23B-16-31741

HOSE

SN: B15490-UP

1шт.

|6

23B-16-31740

HOSE

SN: B15001-B15489

1шт.

7

23B-60-33240

O-RING

SN: B15001-UP

2шт.

8

04434-53411

CLIP

SN: B15001-UP

2шт.

9

01010-81016

BOLT

SN: B15001-UP

2шт.

10

01643-31032

WASHER

SN: B15001-UP

2шт.

11

421-09-31140

O-RING

SN: B15001-UP

2шт.

Выбрано товаров: 12