Запчасти Komatsu GD555-3C КАБИНА (КАБИНА ИНТЕРЬЕР ЧАСТИ) (/) (ВЫС. КАБИНА ROPS) КАБИНА ОПЕРАТОРА И СИСТЕМА УПРАВЛЕНИЯ

Схема запчастей Komatsu GD555-3C - КАБИНА (КАБИНА ИНТЕРЬЕР ЧАСТИ) (/) (ВЫС. КАБИНА ROPS) КАБИНА ОПЕРАТОРА И СИСТЕМА УПРАВЛЕНИЯ
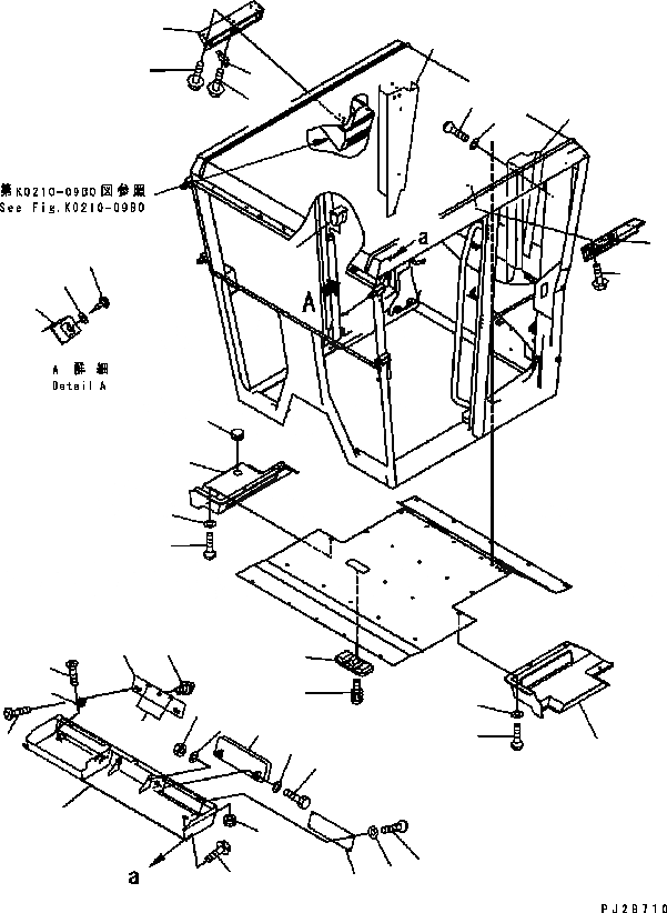
4
3
7
6
13
12
11
7
2
1
34
35
32
25
23
6
5
33
34
28
31
30
24
21
27
26
27
29
22
17
20
19
18
10
9
10
8
14
16
15
FIT
1:1
100%

Артикул

Название

Примечание

Количество

|$45

23B-953-B510

CAB ASS'Y

SN: B15234-UP

1шт.

|1

23B-953-4080

CAB ASS'Y

SN: B15001-UP

1шт.

|1

23B-953-4060

CAB ASS'Y

SN: B15001-UP

1шт.

|1

23B-953-4040

CAB ASS'Y

SN: B15001-UP

1шт.

|1

23B-953-4020

CAB ASS'Y

SN: B15001-UP

1шт.

|$4

THESE ASSEMBLIES CONSIST OF ALL PARTS SHOWN IN FIGS.K0210-01B0 TO K0210-17A0.

-1шт.

1

421-06-26210

LAMP ASS'Y {ROOM}

SN: B15001-UP

1шт.

|1

421-06-26250

LENS

SN: B15001-UP

2шт.

|1

421-06-26260

BULB¤ 10W

SN: B15001-UP

2шт.

2

01023-70512

SCREW

SN: B15001-UP

2шт.

3

23B-953-1431

COVER {R.H.}

SN: B15001-UP

1шт.

4

09415-03614

CAP (WITHOUT AIR CONDITIONER)

SN: B15001-UP

1шт.

5

23B-952-1421

COVER {L.H.}

SN: B15001-UP

1шт.

6

01225-70620

SCREW

SN: B15001-UP

10шт.

7

23S-55-51970

WASHER

SN: B15001-UP

10шт.

8

23B-952-1561

BRACKET

SN: B15001-UP

1шт.

9

23B-952-1571

PLATE

SN: B15001-UP

1шт.

10

01435-00612

BOLT

SN: B15001-UP

6шт.

11

23B-951-5540

BRACKET

SN: B15001-UP

1шт.

12

01435-00612

BOLT

SN: B15001-UP

4шт.

13

21J-54-13620

ASHTRAY

SN: B15001-UP

1шт.

14

569-06-61960

RELAY

SN: B15001-UP

1шт.

15

01370-00510

SCREW

SN: B15001-UP

1шт.

16

01641-20508

WASHER

SN: B15001-UP

1шт.

17

23B-953-1510

COVER {L.H.}

SN: B15001-UP

1шт.

18

23B-953-1520

COVER {R.H.}

SN: B15001-UP

1шт.

19

01225-70620

SCREW

SN: B15001-UP

4шт.

20

23S-55-51970

WASHER

SN: B15001-UP

4шт.

21

23A-953-1610

COVER

SN: B15001-UP

1шт.

22

01435-40816

BOLT

SN: B15001-UP

4шт.

23

23A-953-1620

COVER

SN: B15001-UP

1шт.

24

421-09-21420

SHEET

SN: B15001-UP

4шт.

25

23A-952-1630

LOCK

SN: B15001-UP

1шт.

26

23A-952-1640

HINGE

SN: B15001-UP

2шт.

27

01224-70408

SCREW

SN: B15001-UP

8шт.

28

08037-01008

GROMMET

SN: B15001.-UP

1шт.

29

23B-952-2220

COVER (WITHOUT AIR CONDITIONER)

SN: B15001-UP

1шт.

30

01225-70616

SCREW

SN: B15001-UP

4шт.

31

23S-55-51970

WASHER

SN: B15001-UP

4шт.

32

23A-952-1650

MIRROR {ROOM}

SN: B15001-UP

1шт.

33

01010-D1230

BOLT

SN: B15001-UP

2шт.

34

01643-71232

WASHER

SN: B15001-UP

4шт.

35

01596-01211

NUT

SN: B15001-UP

2шт.

Выбрано товаров: 0