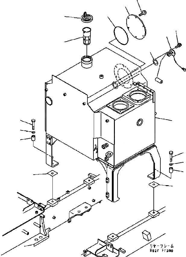
Запчасти Komatsu GD555-3C ТОПЛИВН., ГИДР. БАК. AND ЭЛЕМЕНТЫ КРЕПЛЕНИЯ (№B-) ТОПЛИВН. БАК. AND КОМПОНЕНТЫ

Схема запчастей Komatsu GD555-3C - ТОПЛИВН., ГИДР. БАК. AND ЭЛЕМЕНТЫ КРЕПЛЕНИЯ (№B-) ТОПЛИВН. БАК. AND КОМПОНЕНТЫ
1
2
3
4
5
6
7
8
9
7
8
9
10
11
12
13
13
FIT
1:1
100%

Артикул

Название

Примечание

Количество

1

23B-04-31640

TANK {FUEL}

SN: B15552-UP

1шт.

2

238-04-12130

STRAINER

SN: B15001-UP

1шт.

3

428-04-11120

COVER

SN: B15552-UP

1шт.

4

07000-15200

O-RING

SN: B15001-UP

1шт.

5

01435-01020

BOLT

SN: B15001-UP

6шт.

6

134-04-71180

CAP

SN: B15001-UP

1шт.

7

01010-81685

BOLT

SN: B15001-UP

4шт.

8

01643-31645

WASHER

SN: B15001-UP

4шт.

9

23B-04-31580

SPACER

SN: B15552-UP

4шт.

10

23B-06-42650

SENSOR {FUEL}

SN: B15001-UP

1шт.

11

237-06-15190

PACKING

SN: B15001-UP

1шт.

12

01023-10412

SCREW

SN: B15001-UP

5шт.

13

23B-04-31570

SHIM

SN: B15552-UP

6шт.

Выбрано товаров: 13