Запчасти Komatsu GD555-3C УПРАВЛЯЮЩ. КЛАПАН (5-СЕКЦИОНН.) (/) (ЛЕВ.) (С РЫХЛИТЕЛЕМ) (TROPICAL) (№B7-) ОСНОВН. КОМПОНЕНТЫ И РЕМКОМПЛЕКТЫ

Схема запчастей Komatsu GD555-3C - УПРАВЛЯЮЩ. КЛАПАН (5-СЕКЦИОНН.) (/) (ЛЕВ.) (С РЫХЛИТЕЛЕМ) (TROPICAL) (№B7-) ОСНОВН. КОМПОНЕНТЫ И РЕМКОМПЛЕКТЫ
FIT
1:1
100%

Артикул

Название

Примечание

Количество

|1

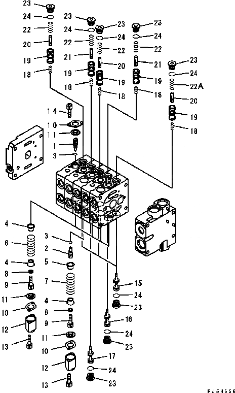
723-15-12600

CONTROL VALVE

SN: B15237-UP

1шт.

|$1

THIS ASSEMBLY CONSISTS OF ALL PARTS SHOWN IN FIGS.Y1665-21A1 T0 Y1665-25A1.

-1шт.

1

0

PLUG

SN: B15237-UP

5шт.

2

0

PLUG

SN: B15237-UP

1шт.

3

07002-10823

O-RING

SN: B15237-UP

6шт.

4

723-11-32810

RETAINER¤ 9.7MM

SN: B15237-UP

9шт.

|4

723-11-32820

RETAINER¤ 9.8MM

SN: B15237-UP

9шт.

|4

723-11-32830

RETAINER¤ 9.6MM

SN: B15237-UP

9шт.

5

723-11-32840

RETAINER¤ 9.7MM

SN: B15237-UP

1шт.

|5

723-11-32850

RETAINER¤ 9.8MM

SN: B15237-UP

1шт.

|5

723-11-32860

RETAINER¤ 9.6MM

SN: B15237-UP

1шт.

6

0

SPRING

SN: B15237-UP

4шт.

7

0

SPRING

SN: B15237-UP

1шт.

8

723-11-17150

WASHER

SN: B15237-UP

5шт.

9

01252-60610

BOLT

SN: B15237-UP

5шт.

10

723-11-17130

PLATE

SN: B15237-UP

10шт.

11

709-32-11530

SEAL

SN: B15237-UP

10шт.

12

723-11-17930

CASE {SPRING}

SN: B15237-UP

5шт.

13

01252-60640

BOLT

SN: B15237-UP

10шт.

14

01252-60610

BOLT

SN: B15237-UP

10шт.

15

0

VALVE

SN: B15237-UP

3шт.

16

0

VALVE

SN: B15237-UP

1шт.

17

0

VALVE

SN: B15237-UP

1шт.

18

723-11-15130

SPRING

SN: B15237-UP

5шт.

19

0

VALVE

SN: B15237-UP

5шт.

20

0

PISTON

SN: B15237-UP

3шт.

21

0

PISTON

SN: B15237-UP

2шт.

22

723-11-16130

SPRING

SN: B15237-UP

4шт.

23

723-11-26350

SPRING

SN: B15237-UP

1шт.

24

723-11-15110

PLUG

SN: B15237-UP

10шт.

25

07002-11623

O-RING

SN: B15237-UP

10шт.

Выбрано товаров: 31