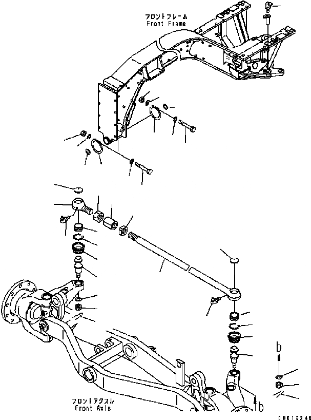
Запчасти Komatsu GD555-3C ПЕРЕДНИЙ МОСТ (ПОПЕРЕЧНАЯ РУЛЕВ. ТЯГА) ТРАНСМИССИЯ

Схема запчастей Komatsu GD555-3C - ПЕРЕДНИЙ МОСТ (ПОПЕРЕЧНАЯ РУЛЕВ. ТЯГА) ТРАНСМИССИЯ
16
19
19
15
17
20
18
19
20
15
17
20
18
13
1
14
6
7
8
9
11
10
12
2
13
14
6
7
8
5
3
4
11
10
12
9
FIT
1:1
100%

Артикул

Название

Примечание

Количество

1

23B-27-11441

ROD

SN: B15001-UP

1шт.

2

23B-27-31410

ROD {TIE}

SN: B15001-UP

1шт.

3

23B-27-11460

JOINT

SN: B15001-UP

1шт.

4

23B-27-11450

NUT

SN: B15001-UP

1шт.

5

01583-13923

NUT

SN: B15001-UP

1шт.

6

23B-27-11800

BUSHING ASS'Y

SN: B15001-UP

2шт.

|6

23B-27-11810

RACE

SN: B15001-UP

1шт.

|6

23B-27-11820

SPRING

SN: B15001-UP

1шт.

7

23B-27-31570

RING

SN: B15001-UP

2шт.

8

23B-27-31840

BOOT

SN: B15001-UP

2шт.

|8

23B-27-11910

RING {SNAP}

SN: B15001-UP

1шт.

|8

23B-27-11920

RING {SNAP}

SN: B15001-UP

1шт.

9

23B-27-31590

STUD {BALL}

SN: B15001-UP

2шт.

10

01592-32427

NUT

SN: B15001-UP

2шт.

11

23B-27-31550

WASHER

SN: B15001-UP

2шт.

12

04050-15045

PIN

SN: B15001-UP

2шт.

13

23B-27-31550

PLUG

SN: B15001-UP

2шт.

14

07020-00900

FITTING {GREASE}

SN: B15001-UP

2шт.

15

23B-46-11220

WASHER

SN: B15001-UP

2шт.

16

07020-00675

FITTING {GREASE}

SN: B15001-UP

1шт.

17

23B-46-31810

O-RING

SN: B15001-UP

2шт.

18

419-70-11490

BOLT

SN: B15001-UP

2шт.

19

01596-00606

NUT

SN: B15001-UP

2шт.

20

01640-20610

WASHER

SN: B15001-UP

4шт.

Выбрано товаров: 24