Запчасти Komatsu GD555-5 ТРАНСМИССИЯ, МАСЛОНАЛИВНОЙ ПАТРУБОК (№-) ТРАНСМИССИЯ

Схема запчастей Komatsu GD555-5 - ТРАНСМИССИЯ, МАСЛОНАЛИВНОЙ ПАТРУБОК (№-) ТРАНСМИССИЯ
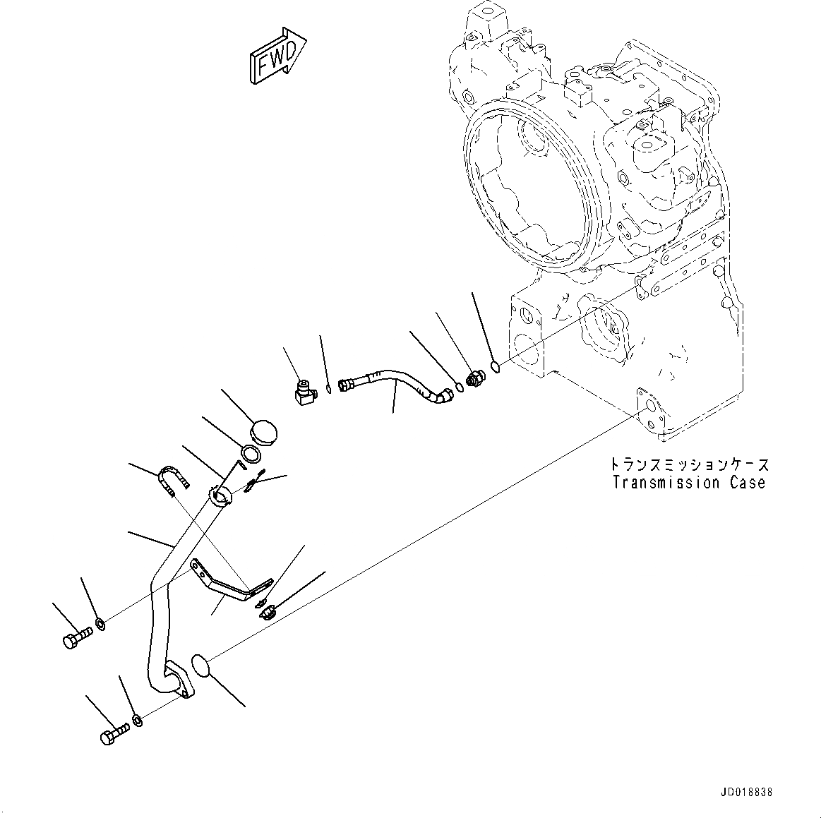
1
2
3
5
6
7
8
9
12
13
15
16
17
18
19
11
10
14
16
4
FIT
1:1
100%

Артикул

Название

Примечание

Количество

1

23B-16-71780

Tube

SN: 55001-UP

1шт.

2

23B-16-71820

Gauge

SN: 55001-UP

1шт.

3

6136-21-7120

Cap Assembly

SN: 55001-UP

1шт.

4

6136-21-7180

Gasket

SN: 55001-UP

1шт.

5

6136-21-7190

Chain

SN: 55001-UP

1шт.

6

07000-A3045

O-ring

SN: 55001-UP

1шт.

7

01010-81240

Bolt

SN: 55001-UP

2шт.

8

01643-31232

Washer

SN: 55001-UP

2шт.

9

23B-16-71460

Plate

SN: 55001-UP

1шт.

10

01010-81020

Bolt

SN: 55001-UP

2шт.

11

01643-31032

Washer

SN: 55001-UP

2шт.

12

02781-0042A

Joint

SN: 55001-UP

1шт.

13

07002-22434

O-ring

SN: 55001-UP

1шт.

14

23B-16-31770

Elbow

SN: 55001-UP

1шт.

15

23B-16-71810

Hose

SN: 55001-UP

1шт.

16

02896-21012

O-ring

SN: 55001-UP

2шт.

17

07283-34346

Clip

SN: 55001-UP

1шт.

18

01643-31032

Washer

SN: 55001-UP

2шт.

19

01597-01009

Nut

SN: 55001-UP

2шт.

Выбрано товаров: 19