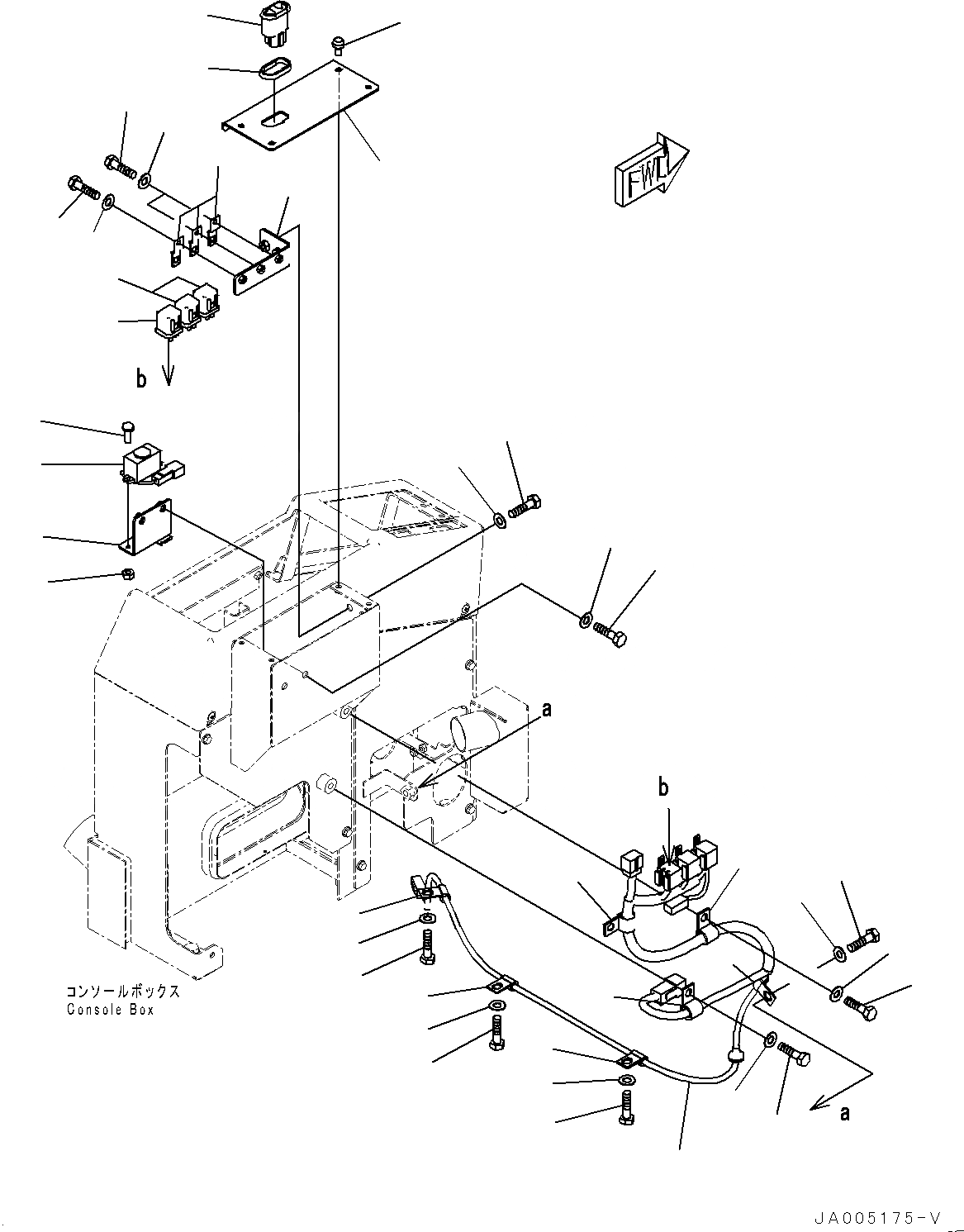
Запчасти Komatsu GD555-5 ОСНОВН. КОНСТРУКЦИЯ, КОНСОЛЬ COVER, ПРАВ. (/) (№-8) ОСНОВН. КОНСТРУКЦИЯ, С НАКАЧИВАНИЕ ШИН КОМПЛЕКТ

Схема запчастей Komatsu GD555-5 - ОСНОВН. КОНСТРУКЦИЯ, КОНСОЛЬ COVER, ПРАВ. (/) (№-8) ОСНОВН. КОНСТРУКЦИЯ, С НАКАЧИВАНИЕ ШИН КОМПЛЕКТ
1
8
4
5
2
11
3
6
7
15
9
9
12
10
10
21
21
21
21
21
21
16
19
23
23
20
22
20
22
22
22
20
20
20
23
20
13
14
17
18
FIT
1:1
100%

Артикул

Название

Примечание

Количество

1

23B-06-73630

Panel

SN: 55001-@

1шт.

2

23B-06-73640

Bracket

SN: 55001-@

1шт.

3

287-06-16420

Bracket

SN: 55001-@

3шт.

4

418-926-4530

Spacer

SN: 55001-@

1шт.

5

426-06-33540

Switch

SN: 55001-@

1шт.

6

569-06-61960

Relay

SN: 55001-@

2шт.

7

569-06-61970

Relay

SN: 55001-@

1шт.

8

01023-70614

Screw

SN: 55001-@

4шт.

9

01010-80612

Bolt

SN: 55001-@

3шт.

10

01643-30623

Washer

SN: 55001-@

3шт.

11

01010-D0816

Bolt

SN: 55001-@

2шт.

12

01643-70823

Washer

SN: 55001-@

2шт.

13

23B-06-73710

Bracket

SN: 55008-@

1шт.

14

23B-06-73690

Alarm

SN: 55008-@

1шт.

15

01010-D0816

Bolt

SN: 55008-@

2шт.

16

01643-70823

Washer

SN: 55008-@

2шт.

17

01023-10412

Screw

SN: 55008-@

2шт.

18

01580-60403

Nut

SN: 55008-@

2шт.

19

23B-06-73611

Wiring Harness

SN: 55008-@

1шт.

19

23B-06-73610

Wiring Harness

SN: 55001-55007

1шт.

20

01010-81020

Bolt

SN: 55001-@

6шт.

21

01643-31032

Washer

SN: 55001-@

6шт.

22

04434-50810

Clip

SN: 55001-@

4шт.

23

04434-51410

Clip

SN: 55001-55008

3шт.

Выбрано товаров: 24