Запчасти Komatsu GD555-5 НАКАЧИВАНИЕ ШИН КОМПЛЕКТ, ВОЗДУХОВОД (№-) НАКАЧИВАНИЕ ШИН КОМПЛЕКТ

Схема запчастей Komatsu GD555-5 - НАКАЧИВАНИЕ ШИН КОМПЛЕКТ, ВОЗДУХОВОД (№-) НАКАЧИВАНИЕ ШИН КОМПЛЕКТ
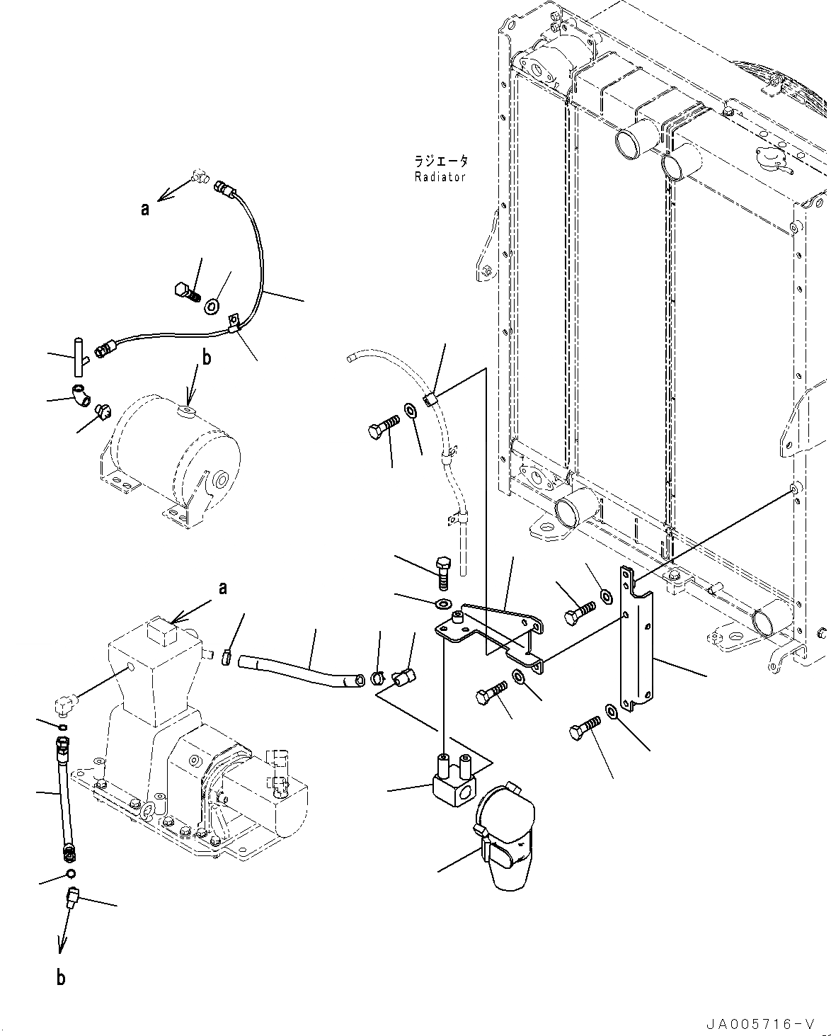
19
1
2
23
8
7
21
5
6
9
4
3
22
10
22
11
12
13
14
13
14
15
16
17
18
13
14
20
20
24
FIT
1:1
100%

Артикул

Название

Примечание

Количество

1

104-40-52340

Elbow

SN: 55001-UP

1шт.

2

207-06-13170

Nipple

SN: 55001-UP

1шт.

3

23B-44-71330

Elbow

SN: 55001-UP

1шт.

4

23B-44-71440

Elbow

SN: 55001-UP

1шт.

5

23B-44-71450

Bracket

SN: 55001-UP

1шт.

6

23B-44-71460

Bracket

SN: 55001-UP

1шт.

7

277-808-5291

Tube

SN: 55001-UP

1шт.

8

277-808-5311

Valve

SN: 55001-UP

1шт.

9

277-808-5890

Filter

SN: 55001-UP

1шт.

10

07260-21432

Hose

SN: 55001-UP

1шт.

11

01010-81016

Bolt

SN: 55001-UP

1шт.

12

01643-31032

Washer

SN: 55001-UP

1шт.

13

01010-81025

Bolt

SN: 55001-UP

4шт.

14

01643-31032

Washer

SN: 55001-UP

4шт.

15

01010-81030

Bolt

SN: 55001-UP

1шт.

16

01643-31032

Washer

SN: 55001-UP

1шт.

17

01010-81045

Bolt

SN: 55001-UP

1шт.

18

01643-31032

Washer

SN: 55001-UP

1шт.

19

02762-00303

Hose, Face Seal Type

SN: 55001-UP

1шт.

20

02896-11009

O-ring

SN: 55001-UP

2шт.

21

04434-50610

Clip

SN: 55001-UP

1шт.

22

07285-00200

Clip, Hose

SN: 55001-UP

2шт.

23

07323-80300

Elbow

SN: 55001-UP

1шт.

24

04434-51210

Clip

SN: 55009-UP

1шт.

Выбрано товаров: 24