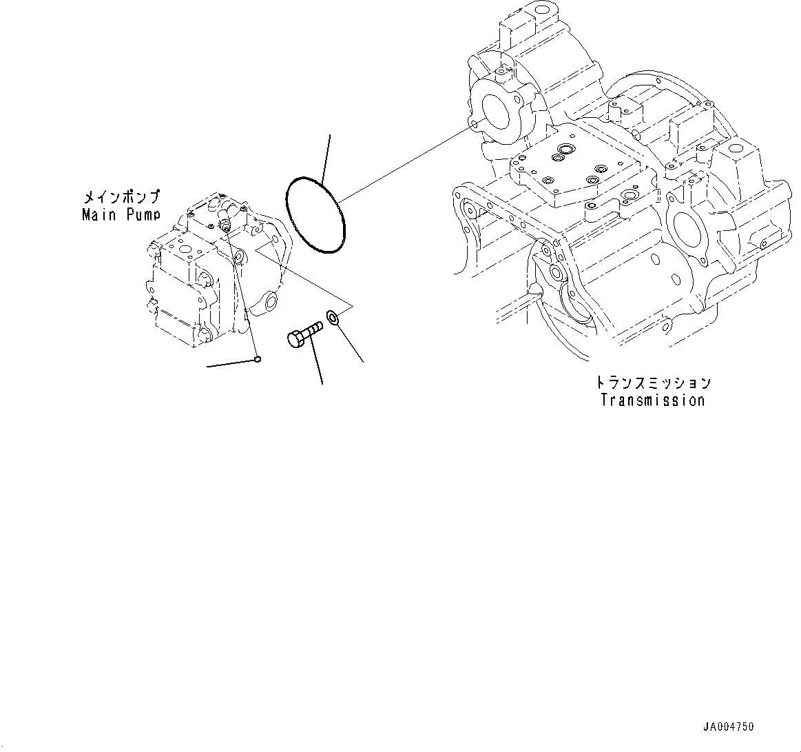
Запчасти Komatsu GD555-5 ГИДР. НАСОС., ПОРШЕНЬ НАСОС КОМПОНЕНТЫ (№-) ГИДР. НАСОС., С ЗАДН. МОСТ, NON ДИФФЕРЕНЦ. ТИП

Схема запчастей Komatsu GD555-5 - ГИДР. НАСОС., ПОРШЕНЬ НАСОС КОМПОНЕНТЫ (№-) ГИДР. НАСОС., С ЗАДН. МОСТ, NON ДИФФЕРЕНЦ. ТИП
1
3
2
4
FIT
1:1
100%

Артикул

Название

Примечание

Количество

1

07000-12130

O-ring

SN: 55001-UP

1шт.

2

01010-81640

Bolt

SN: 55001-UP

2шт.

3

01643-31645

Washer

SN: 55001-UP

2шт.

4

02896-11008

O-ring

SN: 55001-UP

1шт.

Выбрано товаров: 4