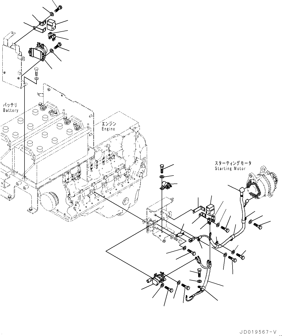
Запчасти Komatsu GD555-5 КОРПУС АККУМУЛЯТОРА, РЕЛЕ И ПРЕДОХРАНИТЕЛИ (№-) КОРПУС АККУМУЛЯТОРА, С AMP. ГЕНЕРАТОР

Схема запчастей Komatsu GD555-5 - КОРПУС АККУМУЛЯТОРА, РЕЛЕ И ПРЕДОХРАНИТЕЛИ (№-) КОРПУС АККУМУЛЯТОРА, С AMP. ГЕНЕРАТОР
1
12
12
13
13
5
4
25
24
3
2
7
6
35
34
25
24
19
18
16
15
28
27
32
31
21
20
8
8
9
10
10
11
14
17
29
30
33
26
23
23
23
22
FIT
1:1
100%

Артикул

Название

Примечание

Количество

1

22W-06-13220

Switch

SN: 55001-UP

1шт.

2

01010-80830

Bolt

SN: 55001-UP

2шт.

3

01643-30823

Washer

SN: 55001-UP

2шт.

4

01010-80820

Bolt

SN: 55001-UP

1шт.

5

01643-30823

Washer

SN: 55001-UP

1шт.

6

01010-80816

Bolt

SN: 55001-UP

1шт.

7

01643-30823

Washer

SN: 55001-UP

1шт.

8

421-06-22880

Holder

SN: 55001-UP

2шт.

9

421-06-22840

Fuse, 30Amp.

SN: 55001-UP

1шт.

10

421-06-22830

Fuse, 120Amp.

SN: 55001-UP

2шт.

11

23B-06-42370

Fuse, 60Amp.

SN: 55001-UP

1шт.

12

421-06-22920

Bracket

SN: 55001-UP

2шт.

13

421-06-22910

Bracket

SN: 55001-UP

2шт.

14

600-815-2170

Switch, Heater

SN: 55001-UP

1шт.

15

01010-80616

Bolt

SN: 55001-UP

2шт.

16

01643-30623

Washer

SN: 55001-UP

2шт.

17

11Y-06-11391

Switch, Starter Relay

SN: 55001-UP

1шт.

18

01010-80612

Bolt

SN: 55001-UP

2шт.

19

01643-30623

Washer

SN: 55001-UP

2шт.

20

01010-80816

Bolt

SN: 55001-UP

1шт.

21

01643-30823

Washer

SN: 55001-UP

1шт.

22

23B-06-71160

Wiring Harness

SN: 55001-UP

1шт.

23

600-051-2160

Clip

SN: 55001-UP

3шт.

24

01010-81020

Bolt

SN: 55001-UP

2шт.

25

01643-31032

Washer

SN: 55001-UP

2шт.

26

08193-21012

Clip

SN: 55001-UP

1шт.

27

01010-81016

Bolt

SN: 55001-UP

1шт.

28

01643-31032

Washer

SN: 55001-UP

1шт.

29

23B-06-71220

Wiring Harness

SN: 55001-UP

1шт.

30

600-051-2190

Clip

SN: 55001-UP

1шт.

31

01010-81020

Bolt

SN: 55001-UP

1шт.

32

01643-31032

Washer

SN: 55001-UP

1шт.

33

600-051-2080

Clip

SN: 55001-UP

1шт.

34

01010-81020

Bolt

SN: 55001-UP

1шт.

35

01643-31032

Washer

SN: 55001-UP

1шт.

Выбрано товаров: 0