Запчасти Komatsu GD600R-1 ТРУБЫ¤ НАКЛОНЯЕМ. ОТВАЛ (/) ОПЦИОННЫЕ КОМПОНЕНТЫ

Схема запчастей Komatsu GD600R-1 - ТРУБЫ¤ НАКЛОНЯЕМ. ОТВАЛ (/) ОПЦИОННЫЕ КОМПОНЕНТЫ
FIT
1:1
100%

Артикул

Название

Примечание

Количество

|$0

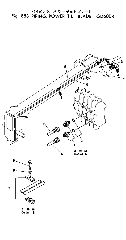
232-735-0010

BLADE ASS'Y,POWER TILT

SN: 10002-UP

1шт.

1

232-60-54110

NIPPLE

SN: 10002-UP

2шт.

2

07002-12034

O-RING

SN: 10002-UP

2шт.

3

232-60-59110

TUBE

SN: 10002-UP

1шт.

4

232-60-59120

TUBE

SN: 10002-UP

1шт.

5

232-60-59210

TUBE

SN: 10002-UP

1шт.

6

232-60-59220

TUBE

SN: 10002-UP

1шт.

7

232-60-54830

CLIP

SN: 10002-UP

2шт.

8

01010-51055

BOLT

SN: 10002-UP

1шт.

9

01602-21030

WASHER

SN: 10002-UP

1шт.

Выбрано товаров: 10