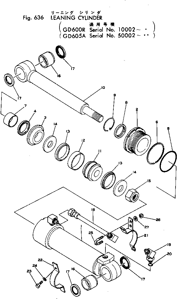
Запчасти Komatsu GD600R-1 ЦИЛИНДР НАКЛОНА(№-.) ГИДРАВЛИКА

Схема запчастей Komatsu GD600R-1 - ЦИЛИНДР НАКЛОНА(№-.) ГИДРАВЛИКА
FIT
1:1
100%

Артикул

Название

Примечание

Количество

|$0

232-63-53100

CYLINDER ASS'Y

SN: 10002-.

1шт.

1

232-63-53140

CYLINDER

SN: 10002-@

1шт.

2

232-63-13130

HEAD

SN: 10002-@

1шт.

3

232-63-13230

RETAINER

SN: 10002-@

1шт.

4

236-63-62173

PACKING

SN: 10002-@

1шт.

5

07000-12095

O-RING

SN: 10002-@

1шт.

6

07001-02095

RING

SN: 10002-@

1шт.

7

07177-05030

BUSHING

SN: 10002-@

1шт.

8

07016-00507

SEAL

SN: 10002-@

1шт.

9

07179-00069

RING

SN: 10002-@

1шт.

10

232-63-53120

ROD

SN: 10002-@

1шт.

11

10E-63-56170

PISTON

SN: 10002-@

1шт.

12

07155-00820

RING

SN: 10002-@

1шт.

13

20R-63-56280

U-PACKING

SN: 10002-@

2шт.

14

111-63-99330

RETAINER

SN: 10002-@

2шт.

15

07165-13033

NUT

SN: 10002-@

1шт.

16

07143-10405

BUSHING

SN: 10002-@

2шт.

17

07145-00045

SEAL

SN: 10002-@

4шт.

18

232-63-53180

TUBE

SN: 10002-@

1шт.

19

07236-10422

ELBOW

SN: 10002-@

1шт.

20

07002-12034

O-RING

SN: 10002-@

1шт.

21

232-63-33270

BAND

SN: 10002-.

1шт.

22

237-60-14670

CLAMP

SN: 10002-.

1шт.

23

01010-50830

BOLT

SN: 10002-.

2шт.

24

01602-20825

WASHER

SN: 10002-.

2шт.

25

07283-21529

CLIP

SN: 10002-@

1шт.

26

01598-00809

NUT

SN: 10002-@

2шт.

27

01643-30823

WASHER

SN: 10002-@

2шт.

Выбрано товаров: 28