Запчасти Komatsu GD600R-1 CAR ОХЛАДИТЕЛЬ КРЕПЛЕНИЕ¤ ЗАДН. ОПЦИОННЫЕ КОМПОНЕНТЫ

Схема запчастей Komatsu GD600R-1 - CAR ОХЛАДИТЕЛЬ КРЕПЛЕНИЕ¤ ЗАДН. ОПЦИОННЫЕ КОМПОНЕНТЫ
FIT
1:1
100%

Артикул

Название

Примечание

Количество

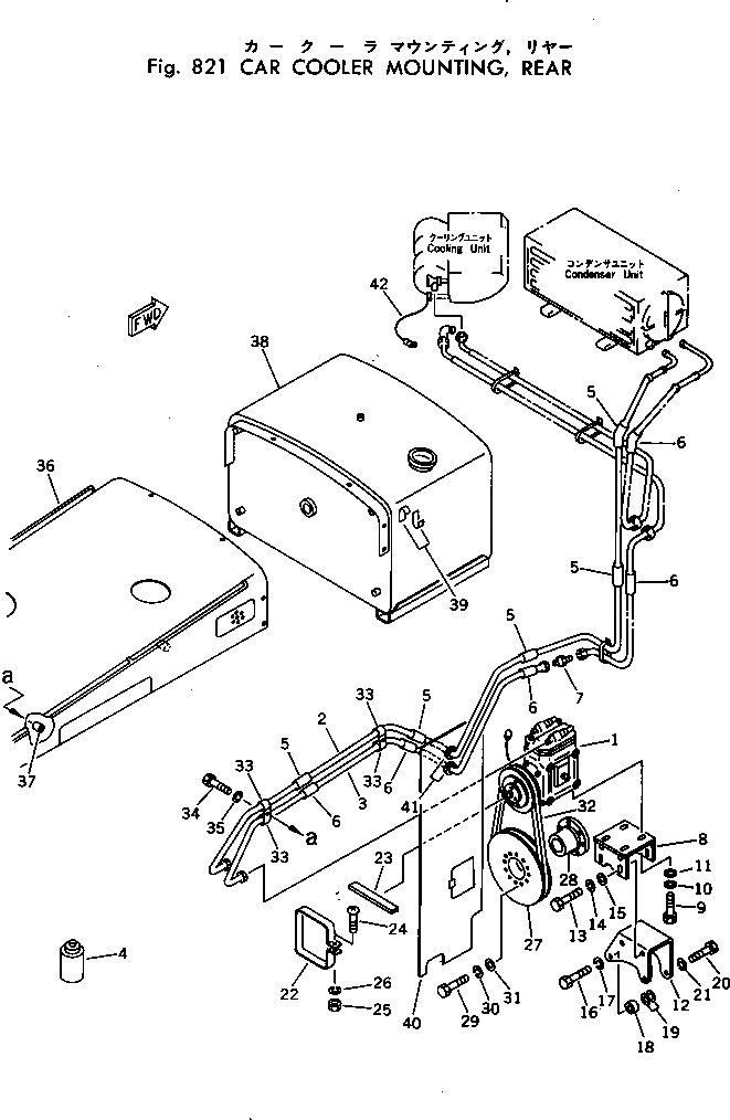
1

232-809-2300

COMPRESSOR ASS'Y

SN: 10002-UP

1шт.

2

232-809-3210

HOSE

SN: 10002-UP

1шт.

3

232-809-3260

HOSE

SN: 10002-UP

1шт.

4

0

GAS

SN: 10002-UP

4шт.

5

232-809-1730

INSULATOR

SN: 10002-UP

6шт.

6

232-809-1740

INSULATOR

SN: 10002-UP

6шт.

7

232-809-1870

UNION

SN: 10002-UP

1шт.

8

232-809-1440

BRACKET

SN: 10002-UP

1шт.

9

01010-50835

BOLT

SN: 10002-UP

4шт.

10

01602-20825

WASHER

SN: 10002-UP

4шт.

11

01643-30823

WASHER

SN: 10002-UP

4шт.

12

232-809-1310

BRACKET

SN: 10002-UP

1шт.

13

01010-51225

BOLT

SN: 10002-UP

4шт.

14

01602-21236

WASHER

SN: 10002-UP

4шт.

15

01643-31232

WASHER

SN: 10002-UP

4шт.

16

02030-70783

BOLT

SN: 10002-UP

3шт.

17

01602-21134

WASHER

SN: 10002-UP

3шт.

18

232-809-2110

SEAT

SN: 10002-UP

3шт.

19

232-809-1480

SHIM

SN: 10002-UP

9шт.

20

02030-70744

BOLT

SN: 10002-UP

2шт.

21

01602-21134

WASHER

SN: 10002-UP

2шт.

22

232-809-3120

COVER

SN: 10002-UP

1шт.

23

232-809-3130

SEAT

SN: 10002-UP

1шт.

24

01220-40410

SCREW

SN: 10002-UP

1шт.

25

01580-10403

NUT

SN: 10002-UP

1шт.

26

01602-20410

WASHER

SN: 10002-UP

1шт.

27

232-809-1320

PULLEY

SN: 10002-UP

1шт.

28

232-809-3140

PLATE

SN: 10002-UP

1шт.

29

01010-51245

BOLT

SN: 10002-UP

6шт.

30

01602-21226

WASHER

SN: 10002-UP

6шт.

31

01640-21223

WASHER

SN: 10002-UP

6шт.

32

232-809-1770

V-BELT

SN: 10002-UP

1шт.

33

08036-02514

CLIP

SN: 10002-UP

4шт.

34

01010-51016

BOLT

SN: 10002-UP

2шт.

35

01602-21030

WASHER

SN: 10002-UP

2шт.

36

232-809-3160

BONNET,(MODIFIED PARTS)

SN: 10002-UP

1шт.

37

01571-01016

SEAT (WELDED)

SN: 10002-UP

1шт.

38

232-809-3180

TANK,(MODIFIED PARTS)

SN: 10002-UP

1шт.

39

565-44-13250

CLIP (WELDED)

SN: 10002-UP

2шт.

40

232-809-3170

COVER,(MODIFIED PARTS)

SN: 10002-UP

1шт.

41

08037-02512

GROMMET

SN: 10002-UP

2шт.

42

232-809-1690

HARNESS

SN: 10002-UP

1шт.

Выбрано товаров: 42