Запчасти Komatsu GD600R-1 ТРАНСМИССИЯ ПЕРЕКЛЮЧ-Е ПЕРЕДАЧER СИЛОВАЯ ПЕРЕДАЧА

Схема запчастей Komatsu GD600R-1 - ТРАНСМИССИЯ ПЕРЕКЛЮЧ-Е ПЕРЕДАЧER СИЛОВАЯ ПЕРЕДАЧА
FIT
1:1
100%

Артикул

Название

Примечание

Количество

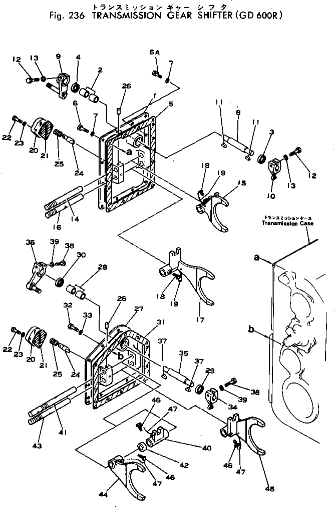
|1

232-14-00402

TRANSMISSION ASS'Y

SN: 10337-UP

1шт.

|1

0

TRANSMISSION ASS'Y

SN: 10246-10336

1шт.

|1

0

TRANSMISSION ASS'Y

SN: 10002-10245

1шт.

|1

232-14-00420

COVER ASS'Y

SN: 10002-UP

1шт.

1

232-14-67110

COVER

SN: 10002-UP

1шт.

2

232-14-67150

BUSHING

SN: 10002-UP

2шт.

3

07017-00025

SEAL (KIT)

SN: 10002-UP

1шт.

4

07016-00256

SEAL (KIT)

SN: 10002-UP

1шт.

5

232-14-67120

GASKET (KIT)

SN: 10002-UP

1шт.

6

01010-31230

BOLT

SN: 10002-UP

10шт.

6A

01010-31240

BOLT

SN: 10002-UP

2шт.

7

01602-01230

WASHER

SN: 10002-UP

12шт.

8

232-14-67140

SHAFT

SN: 10002-UP

1шт.

9

232-14-67250

LEVER

SN: 10002-UP

1шт.

10

232-14-67130

LEVER

SN: 10002-UP

1шт.

11

04010-00722

KEY

SN: 10002-UP

2шт.

12

01010-31245

BOLT

SN: 10002-UP

2шт.

13

01602-01236

WASHER

SN: 10002-UP

2шт.

14

232-14-67230

SHAFT

SN: 10002-UP

1шт.

15

232-14-67610

FORK

SN: .-UP

1шт.

|15

0

FORK

SN: 10002-.

1шт.

16

232-14-67220

SHAFT

SN: 10002-UP

1шт.

17

232-14-67210

FORK

SN: 10002-UP

1шт.

18

170-14-13222

SCREW

SN: 10002-UP

2шт.

19

04059-01620

WIRE

SN: 10002-UP

2шт.

20

232-14-67380

PLATE

SN: 10002-UP

2шт.

21

232-14-67390

GASKET (KIT)

SN: 10002-UP

2шт.

22

01010-31035

BOLT

SN: 10002-UP

6шт.

23

01602-01030

WASHER

SN: 10002-UP

6шт.

24

141-14-32370

PLUNGER

SN: .-UP

4шт.

|24

0

PLUNGER

SN: 10002-.

4шт.

25

232-14-37461

SPRING

SN: .-UP

4шт.

|25

0

SPRING

SN: 10002-.

4шт.

26

232-14-37440

PIN

SN: 10002-UP

2шт.

|27

232-14-00430

COVER ASS'Y

SN: 10002-UP

1шт.

27

232-14-67260

COVER

SN: 10002-UP

1шт.

28

232-14-67150

BUSHING

SN: 10002-UP

2шт.

29

07017-00025

SEAL (KIT)

SN: 10002-UP

1шт.

30

07016-00256

SEAL (KIT)

SN: 10002-UP

1шт.

31

232-14-67270

GASKET (KIT)

SN: 10002-UP

1шт.

32

01010-31230

BOLT

SN: 10002-UP

12шт.

33

01602-01236

WASHER

SN: 10002-UP

12шт.

34

232-14-67130

LEVER

SN: 10002-UP

1шт.

35

232-14-67140

SHAFT

SN: 10002-UP

1шт.

36

232-14-67350

LEVER

SN: 10002-UP

1шт.

37

04010-00722

KEY

SN: 10002-UP

2шт.

38

01010-31245

BOLT

SN: 10002-UP

2шт.

39

01602-01236

WASHER

SN: 10002-UP

2шт.

40

232-14-67290

SHIFTER

SN: 10002-UP

1шт.

41

232-14-67310

SHAFT

SN: 10002-UP

1шт.

42

232-14-67320

SPACER

SN: 10002-UP

1шт.

43

232-14-67330

SHAFT

SN: 10002-UP

1шт.

44

232-14-67630

FORK

SN: .-UP

1шт.

|44

0

FORK

SN: 10002-.

1шт.

45

232-14-67640

FORK

SN: .-UP

1шт.

|45

0

FORK

SN: 10002-.

1шт.

46

170-14-13222

SCREW

SN: 10002-UP

3шт.

47

04059-01620

WIRE

SN: 10002-UP

3шт.

Выбрано товаров: 58