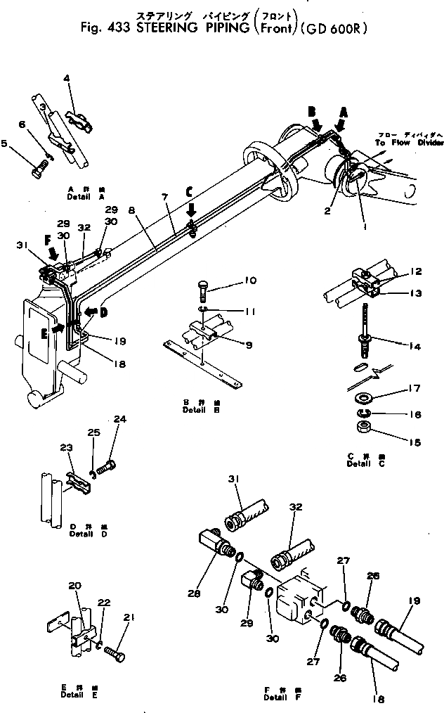
Запчасти Komatsu GD600R-1 ГИДРАВЛИКА РУЛ. УПРАВЛЕНИЯ (ПЕРЕДН.) СИСТЕМАУПРАВЛЕНИЯ ПОВОРОТОМ

Схема запчастей Komatsu GD600R-1 - ГИДРАВЛИКА РУЛ. УПРАВЛЕНИЯ (ПЕРЕДН.) СИСТЕМАУПРАВЛЕНИЯ ПОВОРОТОМ
FIT
1:1
100%

Артикул

Название

Примечание

Количество

1

232-60-57310

TUBE

SN: 10002-UP

1шт.

2

232-60-57320

TUBE

SN: 10002-UP

1шт.

3

232-60-54820

CLIP

SN: 10002-UP

2шт.

4

232-60-54850

CLIP

SN: 10002-UP

2шт.

5

01010-51055

BOLT

SN: 10002-UP

2шт.

6

01602-21030

WASHER

SN: 10002-UP

2шт.

7

232-60-57330

TUBE

SN: 10002-UP

1шт.

8

232-60-57340

TUBE

SN: 10002-UP

1шт.

9

232-60-54820

CLIP

SN: 10002-UP

1шт.

10

01010-51050

BOLT

SN: 10002-UP

1шт.

11

01602-21030

WASHER

SN: 10002-UP

1шт.

12

232-60-54850

CLIP

SN: 10002-UP

1шт.

13

232-60-54820

CLIP

SN: 10002-UP

1шт.

14

232-60-54860

BOLT

SN: 10002-UP

1шт.

15

01580-11613

NUT

SN: 10002-UP

1шт.

16

01602-21648

WASHER

SN: 10002-UP

1шт.

17

01643-31645

WASHER

SN: 10002-UP

1шт.

18

232-60-57350

TUBE

SN: 10002-UP

1шт.

19

232-60-57360

TUBE

SN: 10002-UP

1шт.

20

232-60-54820

CLIP

SN: 10002-10015

1шт.

21

01010-51050

BOLT

SN: 10002-10015

1шт.

22

01602-21030

WASHER

SN: 10002-10015

1шт.

23

232-60-54820

CLIP

SN: 10002-UP

1шт.

24

01010-51045

BOLT

SN: 10002-UP

1шт.

25

01602-21030

WASHER

SN: 10002-UP

1шт.

26

07230-10422

UNION

SN: 10002-UP

2шт.

27

07002-12034

O-RING (KIT)

SN: 10002-UP

2шт.

28

232-60-54650

ELBOW

SN: 10002-UP

1шт.

29

07235-10422

ELBOW

SN: 10002-UP

3шт.

30

07002-12034

O-RING (KIT)

SN: 10002-UP

4шт.

31

07108-20404

HOSE

SN: 10002-UP

1шт.

32

07108-20408

HOSE

SN: 10002-UP

1шт.

Выбрано товаров: 0