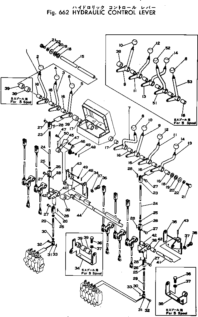
Запчасти Komatsu GD600R-1 ГИДРАВЛ РЫЧАГ УПРАВЛ-Я ГИДРАВЛИКА

Схема запчастей Komatsu GD600R-1 - ГИДРАВЛ РЫЧАГ УПРАВЛ-Я ГИДРАВЛИКА
FIT
1:1
100%

Артикул

Название

Примечание

Количество

1

232-43-58430

LEVER,BLADE LIFT¤ R.H.

SN: 10002-UP

1шт.

2

237-43-00080

KNOB ASS'Y

SN: 10002-UP

1шт.

|2

237-43-17480

KNOB

SN: 10002-UP

1шт.

|2

237-54-13210

PLATE¤ OPERATING

SN: 10002-UP

1шт.

3

232-43-58420

LEVER,LEANING

SN: 10002-UP

1шт.

4

237-43-00120

KNOB ASS'Y

SN: 10002-UP

1шт.

|4

237-43-17490

KNOB

SN: 10002-UP

1шт.

|4

237-54-13220

PLATE¤ OPERATING

SN: 10002-UP

1шт.

5

232-43-58410

LEVER,BLADE SIDE SHIFT

SN: 10002-UP

1шт.

6

237-43-00060

KNOB ASS'Y

SN: 10002-UP

1шт.

|6

237-43-17480

KNOB

SN: 10002-UP

1шт.

|6

237-54-13230

PLATE¤ OPERATING

SN: 10002-UP

1шт.

7

232-71-54110

LEVER,SCARIFIER

SN: 10002-UP

1шт.

8

237-27-00090

KNOB ASS'Y

SN: 10002-UP

1шт.

|8

237-43-17480

KNOB

SN: 10002-UP

1шт.

|8

237-54-13270

PLATE¤ OPERATING

SN: 10002-UP

1шт.

9

232-43-58440

LEVER,DRAWBAR SHIFT

SN: 10002-UP

1шт.

10

232-43-00120

KNOB ASS'Y

SN: 10002-UP

1шт.

|10

237-43-17480

KNOB

SN: 10002-UP

1шт.

|10

232-54-18280

PLATE

SN: 10002-UP

1шт.

11

232-43-58450

LEVER,CIRCLE REVERSE

SN: 10002-UP

1шт.

12

237-43-00070

KNOB ASS'Y

SN: 10002-UP

1шт.

|12

237-43-17480

KNOB

SN: 10002-UP

1шт.

|12

237-54-13250

PLATE¤ OPERATING

SN: 10002-UP

1шт.

13

232-43-58460

LEVER,BLADE LIFT¤ L.H.

SN: 10002-UP

1шт.

14

237-43-00080

KNOB ASS'Y

SN: 10002-UP

1шт.

|14

237-43-17480

KNOB

SN: 10002-UP

1шт.

|14

237-54-13210

PLATE¤ OPERATING

SN: 10002-UP

1шт.

15

232-43-58350

SHAFT,4-SPOOL

SN: 10002-UP

1шт.

|15

232-43-58720

SHAFT,5-SPOOL

SN: 10001-UP

1шт.

16

234-885-1610

BUSHING,4-SPOOL

SN: 10002-UP

7шт.

|16

234-885-1610

BUSHING,5-SPOOL

SN: 10001-UP

8шт.

17

234-885-1620

BUSHING

SN: 10002-UP

6шт.

18

232-43-58370

SHIM¤ 0.5MM

SN: 10002-UP

5шт.

19

232-43-58380

SHIM¤ 0.2MM

SN: 10002-UP

10шт.

20

232-43-58360

WASHER

SN: 10002-UP

2шт.

21

01010-31225

BOLT

SN: 10002-UP

2шт.

22

01602-01236

WASHER

SN: 10002-UP

2шт.

23

04211-20844

YOKE,4-SPOOL

SN: 10002-UP

7шт.

|23

04211-20844

YOKE,5-SPOOL

SN: 10001-UP

8шт.

24

232-43-58470

ROD,4-SPOOL

SN: 10002-UP

7шт.

|24

232-43-58470

ROD,5-SPOOL

SN: 10001-UP

8шт.

25

01508-10805

NUT¤ L.H. THREAD,4-SPOOL

SN: 10002-UP

14шт.

|25

01508-10805

NUT¤ L.H. THREAD,5-SPOOL

SN: 10001-UP

16шт.

26

04221-20844

YOKE,4-SPOOL

SN: 10002-UP

14шт.

|26

04221-20844

YOKE,5-SPOOL

SN: 10001-UP

16шт.

27

04205-00822

PIN,4-SPOOL

SN: 10002-UP

21шт.

|27

04205-00822

PIN,5-SPOOL

SN: 10001-UP

24шт.

28

04050-02012

PIN,4-SPOOL

SN: 10002-UP

21шт.

|28

04050-02012

PIN,5-SPOOL

SN: 10001-UP

24шт.

29

232-43-58540

ROD,4-SPOOL

SN: 10002-UP

7шт.

|29

232-43-58740

ROD,5-SPOOL

SN: 10001-UP

8шт.

30

01580-00605

NUT,4-SPOOL

SN: 10002-UP

7шт.

|30

01580-00605

NUT,5-SPOOL

SN: 10001-UP

8шт.

31

04210-20624

YOKE,4-SPOOL

SN: 10002-UP

7шт.

|31

04210-20624

YOKE,5-SPOOL

SN: 10001-UP

8шт.

32

04205-00618

PIN,4-SPOOL

SN: 10002-UP

7шт.

|32

04205-00618

PIN,5-SPOOL

SN: 10001-UP

8шт.

33

04050-01610

PIN,4-SPOOL

SN: 10002-UP

7шт.

|33

04050-01610

PIN,5-SPOOL

SN: 10001-UP

8шт.

34

232-43-58510

BRACKET,4-SPOOL

SN: 10002-UP

1шт.

|34

232-43-58750

BRACKET,5-SPOOL

SN: 10001-UP

1шт.

35

232-43-58520

BRACKET,4-SPOOL

SN: 10002-UP

1шт.

|35

232-43-58760

BRACKET,5-SPOOL

SN: 10001-UP

1шт.

36

01010-31225

BOLT

SN: 10002-UP

4шт.

37

01602-01236

WASHER

SN: 10002-UP

4шт.

38

232-43-58480

LEVER,4-SPOOL

SN: 10002-UP

4шт.

|38

232-43-58480

LEVER,5-SPOOL

SN: 10001-UP

5шт.

39

232-43-58390

COLLAR,4-SPOOL

SN: 10002-UP

2шт.

|39

232-43-58390

COLLAR,5-SPOOL

SN: 10001-UP

6шт.

40

232-43-58490

LEVER

SN: 10002-UP

3шт.

41

232-43-58530

SHAFT,4-SPOOL

SN: 10002-UP

2шт.

|41

232-43-58730

SHAFT,5-SPOOL

SN: 10001-UP

2шт.

42

234-885-1610

BUSHING,4-SPOOL

SN: 10002-UP

7шт.

|42

234-885-1610

BUSHING,5-SPOOL

SN: 10001-UP

8шт.

43

04025-00532

PIN

SN: 10002-UP

2шт.

44

232-43-58550

LOCK,4-SPOOL

SN: 10002-UP

1шт.

|44

232-43-58770

LOCK,5-SPOOL

SN: 10001-UP

1шт.

45

232-43-58560

LEVER

SN: 10002-UP

1шт.

46

232-855-1320

SPRING

SN: 10002-UP

1шт.

47

04205-00616

PIN

SN: 10002-UP

2шт.

48

04050-01610

PIN

SN: 10002-UP

2шт.

49

01641-20608

WASHER

SN: 10002-UP

2шт.

50

04025-00532

PIN

SN: 10002-UP

1шт.

51

232-43-58710

LEVER,ARTICULATE

SN: 10001-UP

1шт.

52

237-43-00100

KNOB ASS'Y

SN: 10001-UP

1шт.

|52

237-43-17490

KNOB

SN: 10001-UP

1шт.

|52

237-54-13260

PLATE¤ OPERATING

SN: 10001-UP

1шт.

53

232-71-54210

LEVER,SCARIFIER

SN: 10001-UP

1шт.

Выбрано товаров: 89