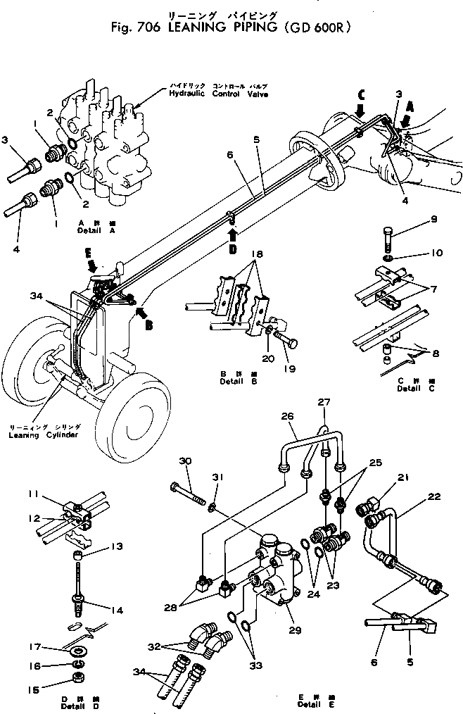
Запчасти Komatsu GD600R-1 УКЛОН. ТРУБЫ РАБОЧЕЕ ОБОРУДОВАНИЕ

Схема запчастей Komatsu GD600R-1 - УКЛОН. ТРУБЫ РАБОЧЕЕ ОБОРУДОВАНИЕ
FIT
1:1
100%

Артикул

Название

Примечание

Количество

1

232-60-54110

NIPPLE

SN: 10002-UP

2шт.

2

07002-12034

O-RING (KIT)

SN: 10002-UP

2шт.

3

232-60-54210

TUBE

SN: 10002-UP

1шт.

4

232-60-54220

TUBE

SN: 10002-UP

1шт.

5

232-60-54320

TUBE

SN: 10002-UP

1шт.

6

232-60-54330

TUBE

SN: 10002-UP

1шт.

7

232-60-54830

CLIP

SN: 10002-UP

2шт.

8

232-60-54810

COLLAR

SN: 10002-UP

1шт.

9

01010-51095

BOLT

SN: 10002-UP

1шт.

10

01602-21030

WASHER

SN: 10002-UP

1шт.

11

232-60-54840

CLIP

SN: 10002-UP

1шт.

12

232-60-54830

CLIP

SN: 10002-UP

1шт.

13

232-60-54810

COLLAR

SN: 10002-UP

1шт.

14

232-60-54860

BOLT

SN: 10002-UP

1шт.

15

01580-11613

NUT

SN: 10002-UP

1шт.

16

01602-21648

WASHER

SN: 10002-UP

1шт.

17

232-60-54920

WASHER

SN: 10002-UP

1шт.

18

232-60-54880

CLIP

SN: 10002-UP

3шт.

19

01010-51055

BOLT

SN: 10002-UP

2шт.

20

01602-21030

WASHER

SN: 10002-UP

2шт.

21

232-60-54390

TUBE

SN: 10002-UP

1шт.

22

232-60-54410

TUBE

SN: 10002-UP

1шт.

23

232-60-14791

NIPPLE

SN: 10002-UP

2шт.

24

07002-12034

O-RING (KIT)

SN: 10002-UP

2шт.

25

232-60-14292

NIPPLE

SN: 10002-UP

2шт.

26

234-60-22732

TUBE

SN: 10002-UP

1шт.

27

234-60-22742

TUBE

SN: 10002-UP

1шт.

28

234-60-22750

ELBOW

SN: 10002-UP

2шт.

29

234-60-00150

VALVE ASS'Y,PILOT CHECK (SEE FIG.623)

SN: 10002-UP

2шт.

30

233-60-14981

BOLT

SN: 10002-UP

3шт.

31

01602-20825

WASHER

SN: 10002-UP

3шт.

32

232-60-14281

ELBOW

SN: 10002-UP

2шт.

33

07002-12434

O-RING (KIT)

SN: 10002-UP

2шт.

34

07108-20409

HOSE

SN: 10016-UP

2шт.

|34

0

HOSE

SN: 10002-10015

2шт.

Выбрано товаров: 35