Запчасти Komatsu NH-220-CI-2V КОМПРЕССОР АКСЕССУАРЫ

Схема запчастей Komatsu NH-220-CI-2V - КОМПРЕССОР АКСЕССУАРЫ
FIT
1:1
100%

Артикул

Название

Примечание

Количество

|$0

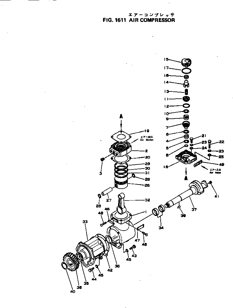
6684-91-1003

AIR COMPRESSOR A.

SN: 141402-UP

1шт.

1

6684-91-2111

CRANKCASE,AIR COMPRESSOR

SN: 141402-UP

1шт.

|$2

6684-91-1101

CYLINDER HEAD A.

SN: 141402-UP

1шт.

2

6684-91-1111

HEAD,CYLINDER

SN: 141402-UP

1шт.

3

02720-20810

PLUG

SN: 141402-UP

1шт.

4

6684-91-1220

SPRING,VALVE

SN: 141402-UP

1шт.

5

6684-91-1260

PLATE,WEAR

SN: 141402-UP

1шт.

6

6684-91-1210

VALVE,OUTLET

SN: 141402-UP

1шт.

7

6684-91-1230

SEAT

SN: 141402-UP

1шт.

8

6684-91-1241

O-RING (K5)

SN: 141402-UP

1шт.

9

6684-91-1321

SPRING,VALVE

SN: 141402-UP

1шт.

10

6684-91-1311

VALVE,INLET

SN: 141402-UP

1шт.

11

6684-91-1330

SEAT

SN: 141402-UP

1шт.

12

6684-91-1250

O-RING (K5)

SN: 141402-UP

1шт.

13

6684-91-1421

SPRING,UNLOADER VALVE

SN: 141402-UP

1шт.

14

6684-91-1411

CAP,UNLOADER VALVE

SN: 141402-UP

1шт.

15

6684-91-1611

BODY,UNLOADER VALVE

SN: 141402-UP

1шт.

16

6684-91-1521

SEAL (K5)

SN: 141402-UP

1шт.

17

6684-91-1621

O-RING (K5)

SN: 141402-UP

1шт.

18

6684-91-1120

COVER,CYLINDER HEAD

SN: 141402-UP

1шт.

19

6684-91-1130

GASKET (K5)

SN: 141402-UP

1шт.

20

6684-91-1151

GASKET (K5)

SN: 141402-UP

1шт.

21

02010-20522

BOLT

SN: 141402-UP

2шт.

22

02010-20570

BOLT

SN: 141402-UP

4шт.

23

02310-11020

WASHER,SPRING

SN: 141402-UP

6шт.

24

6684-91-1140

WASHER

SN: 141402-UP

2шт.

25

02300-11120

WASHER

SN: 141402-UP

4шт.

|$$28

STANDARD

-1шт.

|$28

6684-91-3201

PISTON ASS'Y

SN: 141402-UP

1шт.

26

6684-91-3211

PISTON

SN: 141402-UP

1шт.

27

6684-91-3250

PIN

SN: 141402-UP

1шт.

28

6684-91-3260

RING

SN: 141402-UP

2шт.

|$$33

OVERSIZE 0.25MM

-1шт.

26

6684-99-3201

PISTON ASS'Y

SN: 141402-UP

1шт.

26

6684-99-3211

PISTON

SN: 141402-UP

1шт.

27

6684-91-3250

PIN

SN: 141402-UP

1шт.

28

6684-91-3260

RING

SN: 141402-UP

2шт.

|$$38

OVERSIZE 0.50MM

-1шт.

26

6684-98-3201

PISTON ASS'Y

SN: 141402-UP

1шт.

26

6684-98-3211

PISTON

SN: 141402-UP

1шт.

27

6684-91-3250

PIN

SN: 141402-UP

1шт.

28

6684-91-3260

RING

SN: 141402-UP

2шт.

|$$43

OVERSIZE 0.75MM

-1шт.

26

6684-97-3201

PISTON ASS'Y

SN: 141402-UP

1шт.

26

6684-97-3211

PISTON

SN: 141402-UP

1шт.

27

6684-91-3250

PIN

SN: 141402-UP

1шт.

28

6684-91-3260

RING

SN: 141402-UP

2шт.

|$$48

STANDARD

-1шт.

|$48

6684-91-3021

PISTON RING ASS'Y

SN: 141402-UP

1шт.

29

0

RING,PISTON

SN: 141402-UP

1шт.

30

0

RING,PISTON

SN: 141402-UP

1шт.

31

0

RING,OIL

SN: 141402-UP

1шт.

|$$53

OVERSIZE 0.25MM

-1шт.

29

6684-99-3021

PISTON RING ASS'Y

SN: 141402-UP

1шт.

29

0

RING,PISTON

SN: 141402-UP

1шт.

30

0

RING,PISTON

SN: 141402-UP

1шт.

31

0

RING,OIL

SN: 141402-UP

1шт.

|$$58

OVERSIZE 0.50MM

-1шт.

29

6684-98-3021

PISTON RING ASS'Y

SN: 141402-UP

1шт.

29

0

RING,PISTON

SN: 141402-UP

1шт.

30

0

RING,PISTON

SN: 141402-UP

1шт.

31

0

RING,OIL

SN: 141402-UP

1шт.

|$$63

OVERSIZE 0.75MM

-1шт.

29

6684-97-3021

PISTON RING ASS'Y

SN: 141402-UP

1шт.

29

0

RING,PISTON

SN: 141402-UP

1шт.

30

0

RING,PISTON

SN: 141402-UP

1шт.

31

0

RING,OIL

SN: 141402-UP

1шт.

32

6684-91-3312

ROD,CONNECTING

SN: 141402-UP

1шт.

|$68

6684-91-2201

SUPPORT ASS'Y,AIR COMPRESSOR

SN: 141402-UP

1шт.

33

6684-91-2211

SUPPORT

SN: 141402-UP

1шт.

34

6684-91-2311

BUSHING

SN: 141402-UP

1шт.

35

6684-91-2411

METAL,THRUST, 2.24-2.29MM

SN: 141402-UP

1шт.

35

6684-91-2421

METAL,THRUST, 2.29-2.34MM

SN: 141402-UP

1шт.

35

6684-91-2431

METAL,THRUST, 2.54-2.59MM

SN: 141402-UP

1шт.

35

6684-91-2441

METAL,THRUST, 2.34-2.39MM

SN: 141402-UP

1шт.

36

6684-91-2511

METAL,THRUST, 2.27-2.30MM

SN: 141402-UP

1шт.

36

6684-91-2521

METAL,THRUST, 2.30-2.32MM

SN: 141402-UP

1шт.

36

6684-91-2531

METAL,THRUST, 2.32-2.35MM

SN: 141402-UP

1шт.

|$78

6684-91-3103

DRIVE ASS'Y,AIR COMPRESSOR

SN: 141402-UP

1шт.

37

6684-91-3112

CRANKSHAFT

SN: 141402-UP

1шт.

38

6610-71-7220

GEAR,ACCESSORY DRIVE

SN: 141402-UP

1шт.

39

02410-01025

KEY

SN: 141402-UP

1шт.

40

6610-71-7251

SEAL,OIL

SN: 141402-UP

1шт.

41

02720-20104

PLUG

SN: 141402-UP

1шт.

42

6684-91-2221

GASKET (K5)

SN: 141402-UP

1шт.

43

02010-20638

BOLT

SN: 141402-UP

2шт.

44

02010-20632

BOLT

SN: 141402-UP

4шт.

45

02310-11224

WASHER,SPRING

SN: 141402-UP

6шт.

46

6684-91-2610

PLATE, NAME,(LIMITED SUPPLY)

SN: 141402-UP

1шт.

47

6684-91-2710

PLATE, NAME,(LIMITED SUPPLY)

SN: 141402-UP

1шт.

48

04418-02550

SCREW

SN: 141402-UP

6шт.

49

6684-91-1721

GASKET (K5)

SN: 141402-UP

1шт.

|$0

6684-91-1003

AIR COMPRESSOR A.

SN: 141402-UP

1шт.

1

6684-91-2111

CRANKCASE,AIR COMPRESSOR

SN: 141402-UP

1шт.

|$2

6684-91-1101

CYLINDER HEAD A.

SN: 141402-UP

1шт.

2

6684-91-1111

HEAD,CYLINDER

SN: 141402-UP

1шт.

3

02720-20810

PLUG

SN: 141402-UP

1шт.

4

6684-91-1220

SPRING,VALVE

SN: 141402-UP

1шт.

5

6684-91-1260

PLATE,WEAR

SN: 141402-UP

1шт.

6

6684-91-1210

VALVE,OUTLET

SN: 141402-UP

1шт.

7

6684-91-1230

SEAT

SN: 141402-UP

1шт.

8

6684-91-1241

O-RING (K5)

SN: 141402-UP

1шт.

9

6684-91-1321

SPRING,VALVE

SN: 141402-UP

1шт.

10

6684-91-1311

VALVE,INLET

SN: 141402-UP

1шт.

11

6684-91-1330

SEAT

SN: 141402-UP

1шт.

12

6684-91-1250

O-RING (K5)

SN: 141402-UP

1шт.

13

6684-91-1421

SPRING,UNLOADER VALVE

SN: 141402-UP

1шт.

14

6684-91-1411

CAP,UNLOADER VALVE

SN: 141402-UP

1шт.

15

6684-91-1611

BODY,UNLOADER VALVE

SN: 141402-UP

1шт.

16

6684-91-1521

SEAL (K5)

SN: 141402-UP

1шт.

17

6684-91-1621

O-RING (K5)

SN: 141402-UP

1шт.

18

6684-91-1120

COVER,CYLINDER HEAD

SN: 141402-UP

1шт.

19

6684-91-1130

GASKET (K5)

SN: 141402-UP

1шт.

20

6684-91-1151

GASKET (K5)

SN: 141402-UP

1шт.

21

02010-20522

BOLT

SN: 141402-UP

2шт.

22

02010-20570

BOLT

SN: 141402-UP

4шт.

23

02310-11020

WASHER,SPRING

SN: 141402-UP

6шт.

24

6684-91-1140

WASHER

SN: 141402-UP

2шт.

25

02300-11120

WASHER

SN: 141402-UP

4шт.

|$$28

STANDARD

-1шт.

|$28

6684-91-3201

PISTON ASS'Y

SN: 141402-UP

1шт.

26

6684-91-3211

PISTON

SN: 141402-UP

1шт.

27

6684-91-3250

PIN

SN: 141402-UP

1шт.

28

6684-91-3260

RING

SN: 141402-UP

2шт.

|$$33

OVERSIZE 0.25MM

-1шт.

26

6684-99-3201

PISTON ASS'Y

SN: 141402-UP

1шт.

26

6684-99-3211

PISTON

SN: 141402-UP

1шт.

27

6684-91-3250

PIN

SN: 141402-UP

1шт.

28

6684-91-3260

RING

SN: 141402-UP

2шт.

|$$38

OVERSIZE 0.50MM

-1шт.

26

6684-98-3201

PISTON ASS'Y

SN: 141402-UP

1шт.

26

6684-98-3211

PISTON

SN: 141402-UP

1шт.

27

6684-91-3250

PIN

SN: 141402-UP

1шт.

28

6684-91-3260

RING

SN: 141402-UP

2шт.

|$$43

OVERSIZE 0.75MM

-1шт.

26

6684-97-3201

PISTON ASS'Y

SN: 141402-UP

1шт.

26

6684-97-3211

PISTON

SN: 141402-UP

1шт.

27

6684-91-3250

PIN

SN: 141402-UP

1шт.

28

6684-91-3260

RING

SN: 141402-UP

2шт.

|$$48

STANDARD

-1шт.

|$48

6684-91-3021

PISTON RING ASS'Y

SN: 141402-UP

1шт.

29

0

RING,PISTON

SN: 141402-UP

1шт.

30

0

RING,PISTON

SN: 141402-UP

1шт.

31

0

RING,OIL

SN: 141402-UP

1шт.

|$$53

OVERSIZE 0.25MM

-1шт.

29

6684-99-3021

PISTON RING ASS'Y

SN: 141402-UP

1шт.

29

0

RING,PISTON

SN: 141402-UP

1шт.

30

0

RING,PISTON

SN: 141402-UP

1шт.

31

0

RING,OIL

SN: 141402-UP

1шт.

|$$58

OVERSIZE 0.50MM

-1шт.

29

6684-98-3021

PISTON RING ASS'Y

SN: 141402-UP

1шт.

29

0

RING,PISTON

SN: 141402-UP

1шт.

30

0

RING,PISTON

SN: 141402-UP

1шт.

31

0

RING,OIL

SN: 141402-UP

1шт.

|$$63

OVERSIZE 0.75MM

-1шт.

29

6684-97-3021

PISTON RING ASS'Y

SN: 141402-UP

1шт.

29

0

RING,PISTON

SN: 141402-UP

1шт.

30

0

RING,PISTON

SN: 141402-UP

1шт.

31

0

RING,OIL

SN: 141402-UP

1шт.

32

6684-91-3312

ROD,CONNECTING

SN: 141402-UP

1шт.

|$68

6684-91-2201

SUPPORT ASS'Y,AIR COMPRESSOR

SN: 141402-UP

1шт.

33

6684-91-2211

SUPPORT

SN: 141402-UP

1шт.

34

6684-91-2311

BUSHING

SN: 141402-UP

1шт.

35

6684-91-2411

METAL,THRUST, 2.24-2.29MM

SN: 141402-UP

1шт.

35

6684-91-2421

METAL,THRUST, 2.29-2.34MM

SN: 141402-UP

1шт.

35

6684-91-2431

METAL,THRUST, 2.54-2.59MM

SN: 141402-UP

1шт.

35

6684-91-2441

METAL,THRUST, 2.34-2.39MM

SN: 141402-UP

1шт.

36

6684-91-2511

METAL,THRUST, 2.27-2.30MM

SN: 141402-UP

1шт.

36

6684-91-2521

METAL,THRUST, 2.30-2.32MM

SN: 141402-UP

1шт.

36

6684-91-2531

METAL,THRUST, 2.32-2.35MM

SN: 141402-UP

1шт.

|$78

6684-91-3103

DRIVE ASS'Y,AIR COMPRESSOR

SN: 141402-UP

1шт.

37

6684-91-3112

CRANKSHAFT

SN: 141402-UP

1шт.

38

6610-71-7220

GEAR,ACCESSORY DRIVE

SN: 141402-UP

1шт.

39

02410-01025

KEY

SN: 141402-UP

1шт.

40

6610-71-7251

SEAL,OIL

SN: 141402-UP

1шт.

41

02720-20104

PLUG

SN: 141402-UP

1шт.

42

6684-91-2221

GASKET (K5)

SN: 141402-UP

1шт.

43

02010-20638

BOLT

SN: 141402-UP

2шт.

44

02010-20632

BOLT

SN: 141402-UP

4шт.

45

02310-11224

WASHER,SPRING

SN: 141402-UP

6шт.

46

6684-91-2610

PLATE, NAME,(LIMITED SUPPLY)

SN: 141402-UP

1шт.

47

6684-91-2710

PLATE, NAME,(LIMITED SUPPLY)

SN: 141402-UP

1шт.

48

04418-02550

SCREW

SN: 141402-UP

6шт.

49

6684-91-1721

GASKET (K5)

SN: 141402-UP

1шт.

Выбрано товаров: 0