Запчасти Komatsu GD600R-3 ЭЛЕКТРИКА (/) КОМПОНЕНТЫ ДВИГАТЕЛЯ И ЭЛЕКТРИКА

Схема запчастей Komatsu GD600R-3 - ЭЛЕКТРИКА (/) КОМПОНЕНТЫ ДВИГАТЕЛЯ И ЭЛЕКТРИКА
FIT
1:1
100%

Артикул

Название

Примечание

Количество

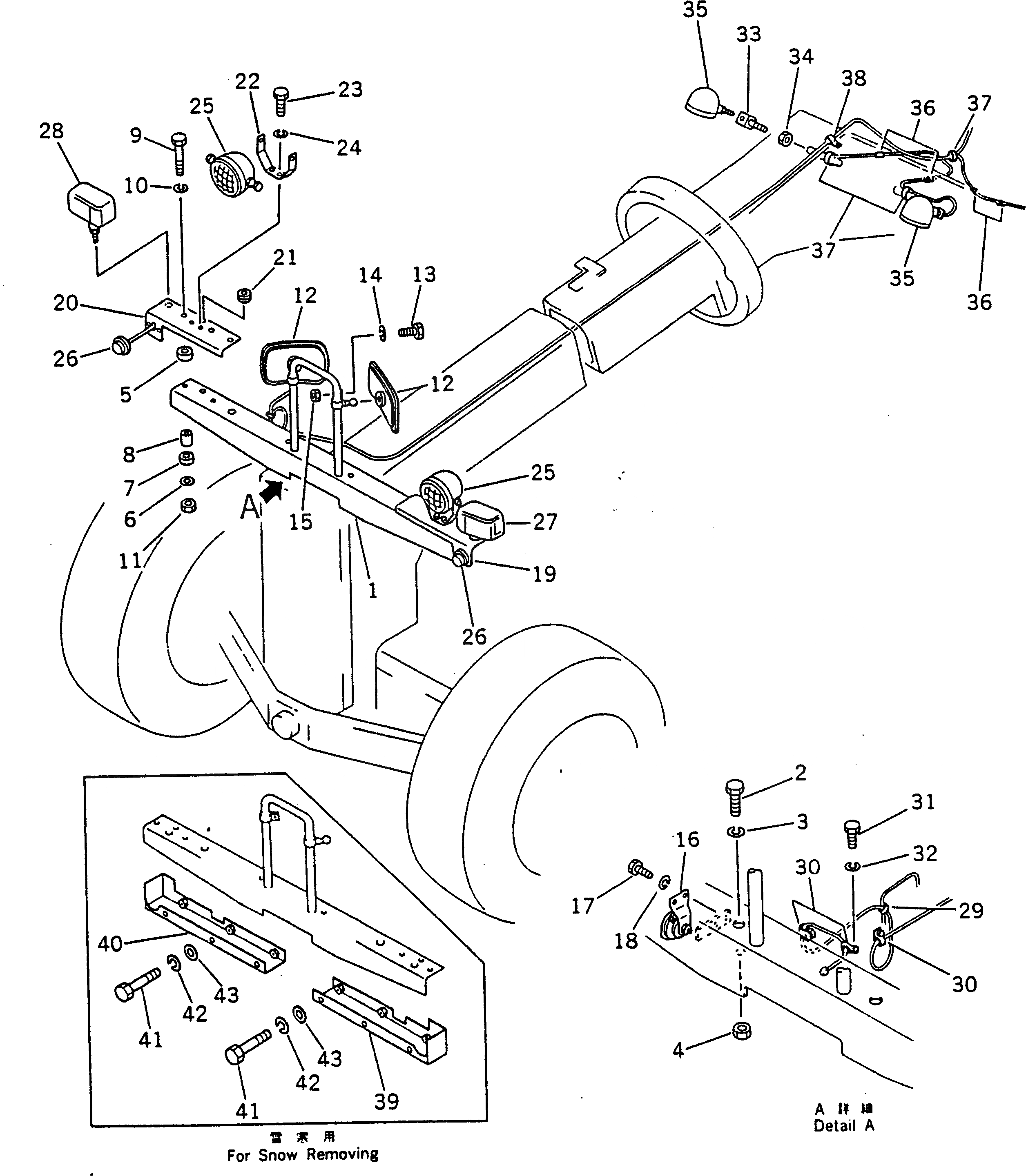
1

238-06-14610

BRACKET

SN: 14001-UP

1шт.

2

01010-51230

BOLT

SN: 14001-UP

4шт.

3

01602-21236

WASHER

SN: 14001-UP

4шт.

4

01580-11210

NUT

SN: 14001-UP

4шт.

5

565-54-12810

CUSHION

SN: 14001-UP

4шт.

6

232-06-53190

WASHER

SN: 14001-UP

4шт.

7

232-06-53170

CUSHION

SN: 14001-UP

4шт.

8

232-06-53120

COLLAR

SN: 14001-UP

4шт.

9

01010-51070

BOLT

SN: 14001-UP

4шт.

10

01602-21030

WASHER

SN: 14001-UP

4шт.

11

01580-11008

NUT

SN: 14001-UP

4шт.

12

08174-10001

MIRROR

SN: 14001-UP

2шт.

13

01010-50825

BOLT

SN: 14001-UP

2шт.

14

01602-20825

WASHER

SN: 14001-UP

2шт.

15

01580-10806

NUT

SN: 14001-UP

2шт.

16

08160-42400

HORN

SN: 14012-UP

1шт.

16

0

HORN

SN: 14001-14011

1шт.

17

01010-50816

BOLT

SN: 14001-UP

2шт.

18

01602-20825

WASHER

SN: 14001-UP

2шт.

19

238-06-14520

BRACKET

SN: 14001-UP

1шт.

20

238-06-14530

BRACKET

SN: 14001-UP

1шт.

21

08037-01008

GROMMET

SN: 14001-UP

2шт.

22

232-06-15520

BRACKET

SN: 14001-UP

2шт.

23

01010-51025

BOLT

SN: 14001-UP

4шт.

24

01602-21030

WASHER

SN: 14001-UP

4шт.

25

08121-22400

LAMP

SN: 14001-UP

2шт.

25

08121-20005

LENS

SN: 14001-UP

1шт.

25

08100-02460

BULB, 60/60W

SN: 14001-UP

1шт.

26

08139-02400

LAMP

SN: 14001-UP

2шт.

26

08139-00009

LENS

SN: 14001-UP

1шт.

26

08102-02403

BULB, 3W

SN: 14001-UP

1шт.

27

236-06-25290

COMBINATION LAMP A.

SN: 14001-UP

1шт.

27

08130-60007

LENS

SN: 14001-UP

1шт.

27

08130-60008

LENS

SN: 14001-UP

1шт.

27

08105-12420

BULB, 25W

SN: 14001-UP

1шт.

27

08110-12410

BULB, 12W

SN: 14001-UP

1шт.

28

236-06-25280

COMBINATION LAMP A.

SN: 14001-UP

1шт.

28

08130-80007

LENS

SN: 14001-UP

1шт.

28

08130-80008

LENS

SN: 14001-UP

1шт.

28

08105-12420

BULB, 25W

SN: 14001-UP

1шт.

28

08110-12410

BULB, 12W

SN: 14001-UP

1шт.

29

08034-00519

BAND

SN: 14001-UP

1шт.

30

08036-00614

CLIP

SN: 14001-UP

3шт.

31

01010-51016

BOLT

SN: 14001-UP

3шт.

32

01602-21030

WASHER

SN: 14001-UP

3шт.

33

232-06-15351

BRACKET

SN: 14001-UP

2шт.

34

01580-11411

NUT

SN: 14001-UP

2шт.

35

232-06-51980

LAMP ASS'Y

SN: 14001-UP

2шт.

36

232-856-5250

CLIP

SN: 14001-UP

4шт.

37

08034-00519

BAND

SN: 14001-UP

3шт.

38

08036-10814

CLIP

SN: 14001-UP

1шт.

39

232-806-6810

COVER,(FOR SNOW REMOVING)

SN: 14001-UP

1шт.

40

232-806-6820

COVER,(FOR SNOW REMOVING)

SN: 14001-UP

1шт.

41

01010-50816

BOLT,(FOR SNOW REMOVING)

SN: 14001-UP

12шт.

42

01602-20825

WASHER,(FOR SNOW REMOVING)

SN: 14001-UP

12шт.

43

01643-30823

WASHER,(FOR SNOW REMOVING)

SN: 14001-UP

12шт.

Выбрано товаров: 56