Запчасти Komatsu GD600R-3 ПЕРЕДН. ОТВАЛ ТРУБЫ ОПЦИОННЫЕ КОМПОНЕНТЫ

Схема запчастей Komatsu GD600R-3 - ПЕРЕДН. ОТВАЛ ТРУБЫ ОПЦИОННЫЕ КОМПОНЕНТЫ
FIT
1:1
100%

Артикул

Название

Примечание

Количество

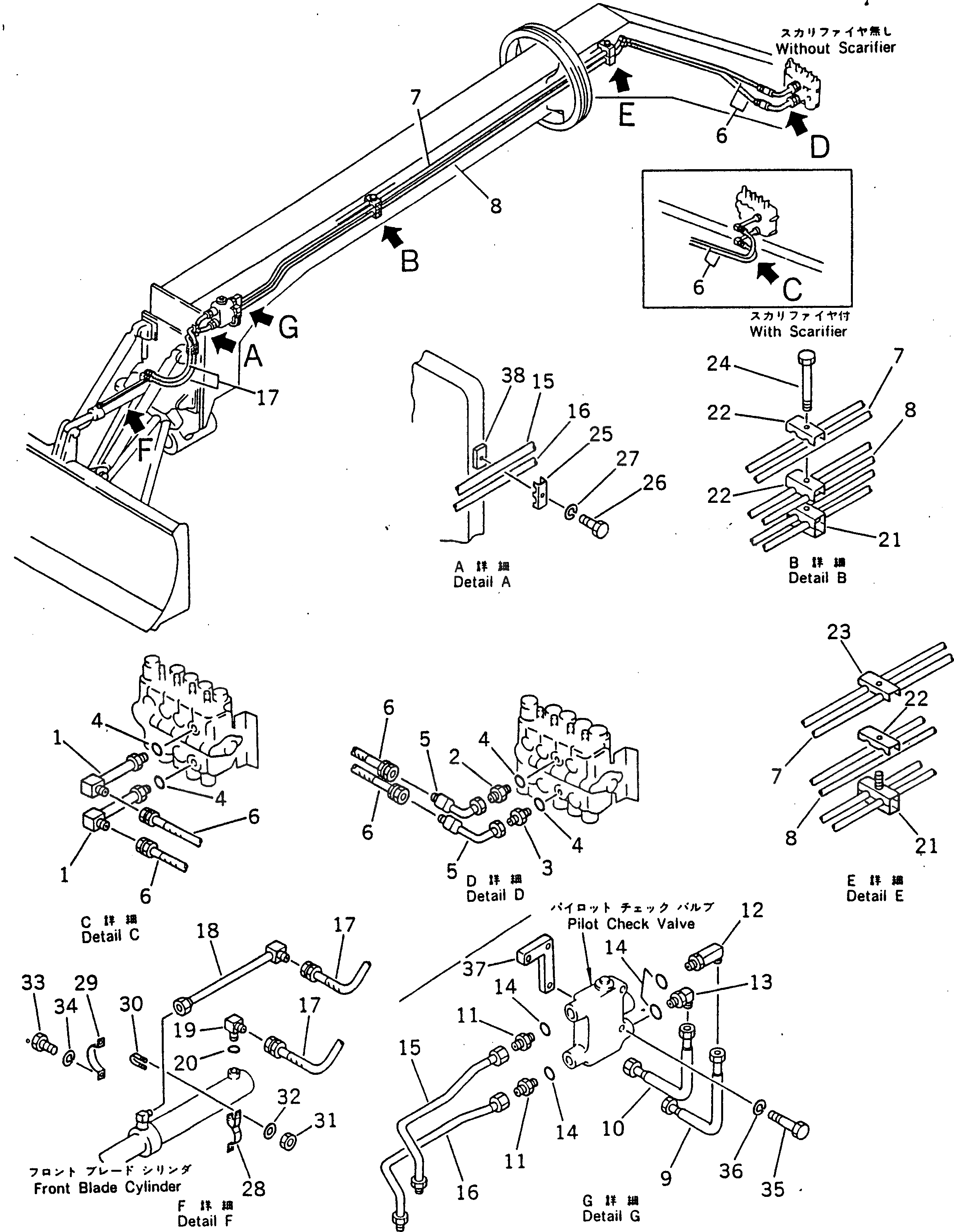
1

232-60-61430

ELBOW,(WITH SCARIFIER)

SN: 14001-UP

2шт.

2

232-60-54110

NIPPLE,(WITHOUT SCARIFIER)

SN: 14001-UP

1шт.

3

232-60-54110

NIPPLE,(WITHOUT SCARIFIER)

SN: 14001-UP

1шт.

4

07002-12034

O-RING

SN: 14001-UP

4шт.

5

232-60-64111

TUBE,(WITHOUT SCARIFIER)

SN: 14001-UP

2шт.

6

07108-20308

HOSE

SN: 14001-UP

2шт.

7

232-60-65111

TUBE

SN: 14001-UP

1шт.

8

232-60-65121

TUBE

SN: 14001-UP

1шт.

9

232-60-65132

TUBE

SN: 14001-UP

1шт.

10

232-60-65142

TUBE

SN: 14001-UP

1шт.

11

07230-10315

UNION

SN: 14001-UP

2шт.

12

234-60-34160

ELBOW

SN: 14001-UP

1шт.

13

07235-10315

ELBOW

SN: 14001-UP

1шт.

14

07002-12034

O-RING

SN: 14001-UP

4шт.

15

232-60-65161

TUBE

SN: 14001-UP

1шт.

16

232-60-65151

TUBE

SN: 14001-UP

1шт.

17

07108-20308

HOSE

SN: 14001-UP

2шт.

18

232-60-65171

TUBE

SN: 14001-UP

1шт.

19

07235-10315

ELBOW

SN: 14001-UP

1шт.

20

07002-12034

O-RING

SN: 14001-UP

1шт.

21

232-60-54820

CLIP

SN: 14001-UP

4шт.

22

232-60-64530

CLIP

SN: 14001-UP

3шт.

22

232-60-54820

CLIP,(WITH POWER TILT)

SN: 14001-UP

1шт.

23

232-60-64540

CLIP

SN: 14001-UP

1шт.

24

01011-51005

BOLT

SN: 14001-UP

1шт.

25

232-60-54820

CLIP

SN: 14001-UP

1шт.

26

01010-51025

BOLT

SN: 14001-UP

1шт.

27

01602-21030

WASHER

SN: 14001-UP

1шт.

28

238-725-1520

BAND

SN: 14001-UP

1шт.

29

237-60-14670

CLAMP

SN: 14001-UP

1шт.

30

07283-21529

CLIP

SN: 14001-UP

1шт.

31

01598-00809

NUT

SN: 14001-UP

2шт.

32

01643-30823

WASHER

SN: 14001-UP

2шт.

33

01010-50830

BOLT

SN: 14001-UP

2шт.

34

01602-20825

WASHER

SN: 14001-UP

2шт.

35

01010-50860

BOLT

SN: 14001-UP

3шт.

36

01602-20825

WASHER

SN: 14001-UP

3шт.

37

237-46-12530

PLATE (WELDED)

SN: 14001-UP

1шт.

38

233-70-21170

SEAT (WELDED)

SN: 14001-UP

1шт.

Выбрано товаров: 39