Запчасти Komatsu GD600R-3 ЭЛЕКТРИКА (/) КОМПОНЕНТЫ ДВИГАТЕЛЯ И ЭЛЕКТРИКА

Схема запчастей Komatsu GD600R-3 - ЭЛЕКТРИКА (/) КОМПОНЕНТЫ ДВИГАТЕЛЯ И ЭЛЕКТРИКА
FIT
1:1
100%

Артикул

Название

Примечание

Количество

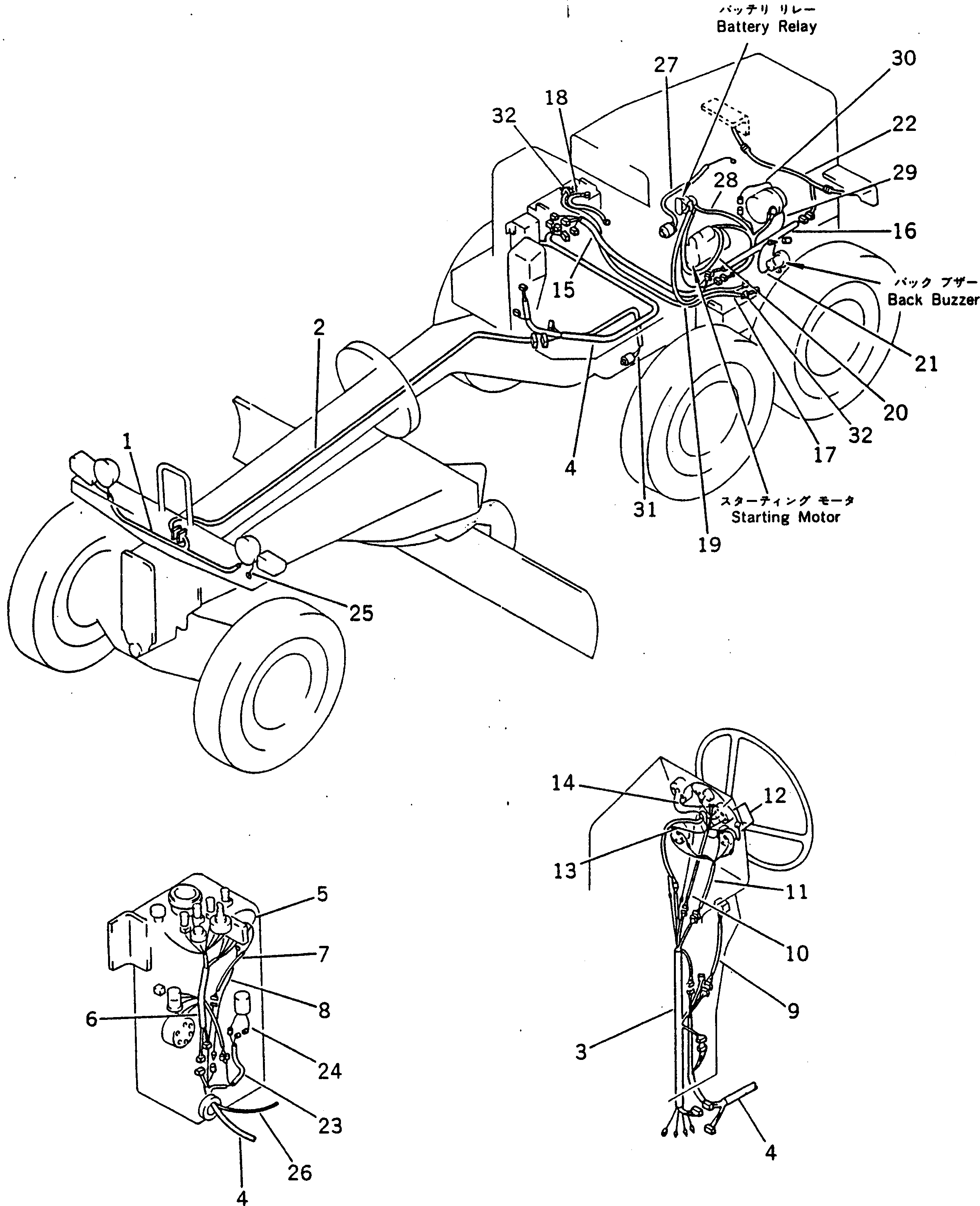
1

232-06-51610

HARNESS

SN: 14001-UP

1шт.

2

232-06-51651

HARNESS

SN: 14003-UP

1шт.

2

0

HARNESS

SN: 14001-14002

1шт.

3

232-06-61121

HARNESS

SN: 14001-UP

1шт.

4

232-06-61111

HARNESS

SN: 14001-UP

1шт.

5

234-06-11531

CABLE

SN: 14001-UP

1шт.

6

232-06-52571

HARNESS

SN: 14001-UP

1шт.

7

232-06-54360

CABLE

SN: 14001-UP

1шт.

8

232-06-54370

HARNESS

SN: 14001-UP

1шт.

9

232-06-52760

HARNESS

SN: 14001-UP

1шт.

10

232-06-54310

HARNESS

SN: 14001-UP

1шт.

11

232-06-54320

HARNESS

SN: 14001-UP

1шт.

12

232-06-52780

CABLE

SN: 14001-UP

2шт.

13

232-06-52790

CABLE

SN: 14001-UP

1шт.

14

232-06-17530

CABLE

SN: 14001-UP

1шт.

15

232-06-61151

HARNESS

SN: 14001-UP

1шт.

16

232-06-61160

HARNESS

SN: 14001-UP

1шт.

17

238-06-17220

CABLE

SN: 14001-UP

1шт.

18

238-06-17230

WIRE

SN: 14001-UP

1шт.

19

237-06-11120

CABLE

SN: 14001-UP

1шт.

20

232-06-51110

CABLE

SN: 14001-UP

1шт.

21

234-806-6520

WIRE

SN: 14001-UP

1шт.

22

232-06-61171

HARNESS

SN: 14001-UP

1шт.

23

234-06-31950

FUSE ASS'Y

SN: 14001-UP

1шт.

24

234-06-31890

HARNESS

SN: 14001-UP

1шт.

25

234-06-21560

CABLE

SN: 14001-UP

1шт.

26

238-06-16330

HARNESS

SN: 14001-UP

1шт.

27

234-06-21290

CABLE

SN: 14001-UP

1шт.

28

232-06-61190

HARNESS

SN: 14001-UP

1шт.

29

238-06-11520

CABLE

SN: 14001-UP

1шт.

30

234-06-31920

CABLE

SN: 14001-UP

1шт.

31

232-06-52730

HARNESS

SN: 14001-UP

1шт.

32

234-06-41320

BAND

SN: 14012-UP

2шт.

Выбрано товаров: 33