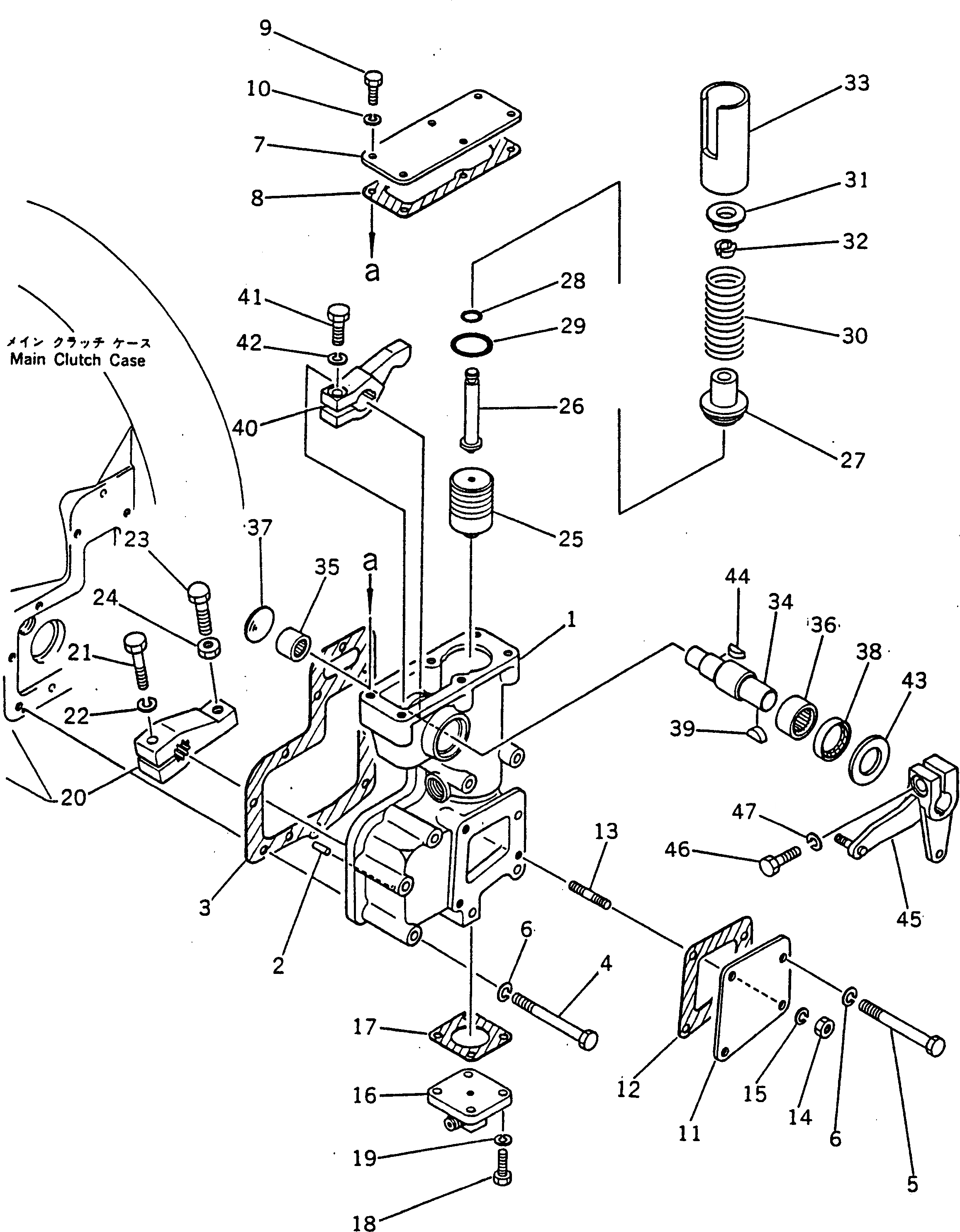
Запчасти Komatsu GD600R-3 ОСНОВН. МУФТА УСИЛИТЕЛЬ СИЛОВАЯ ПЕРЕДАЧА

Схема запчастей Komatsu GD600R-3 - ОСНОВН. МУФТА УСИЛИТЕЛЬ СИЛОВАЯ ПЕРЕДАЧА
FIT
1:1
100%

Артикул

Название

Примечание

Количество

|1

232-11-00201

CLUTCH ASS'Y

SN: 14001-UP

1шт.

|1

232-11-00230

CLUTCH BOOSTER A.

SN: 14001-UP

1шт.

1

232-11-53110

BODY

SN: 14001-UP

1шт.

2

04020-00820

PIN

SN: 14001-UP

2шт.

3

232-11-53120

GASKET (KIT)

SN: 14001-UP

1шт.

4

01011-51005

BOLT

SN: 14001-UP

7шт.

5

01011-51010

BOLT

SN: 14001-UP

1шт.

6

01602-21030

WASHER

SN: 14001-UP

8шт.

7

232-11-53130

COVER

SN: 14001-UP

1шт.

8

121-10-13220

GASKET (KIT)

SN: 14001-UP

1шт.

9

01010-51025

BOLT

SN: 14001-UP

6шт.

10

01602-21030

WASHER

SN: 14001-UP

6шт.

11

232-11-53140

COVER

SN: 14001-UP

1шт.

12

232-11-53150

GASKET (KIT)

SN: 14001-UP

1шт.

13

01144-51020

STUD

SN: 14001-UP

3шт.

14

01580-11008

NUT

SN: 14001-UP

3шт.

15

01602-21030

WASHER

SN: 14001-UP

3шт.

16

232-11-53160

COVER

SN: 14001-UP

1шт.

17

232-11-53170

GASKET (KIT)

SN: 14001-UP

1шт.

18

01010-50820

BOLT

SN: 14001-UP

4шт.

19

01602-20825

WASHER

SN: 14001-UP

4шт.

20

232-11-52190

LEVER

SN: 14001-UP

1шт.

21

01010-51225

BOLT

SN: 14001-UP

1шт.

22

01602-21236

WASHER

SN: 14001-UP

1шт.

23

232-11-52210

BOLT

SN: 14001-UP

1шт.

24

01583-11408

NUT

SN: 14001-UP

1шт.

25

232-11-53260

PISTON

SN: 14001-UP

1шт.

26

232-11-53270

VALVE

SN: 14001-UP

1шт.

27

232-11-53180

GUIDE

SN: 14001-UP

1шт.

28

07000-12014

O-RING (KIT)

SN: 14001-UP

1шт.

29

07000-13042

O-RING (KIT)

SN: 14001-UP

1шт.

30

121-10-13160

SPRING

SN: 14001-UP

1шт.

31

131-10-15210

SEAT

SN: 14001-UP

1шт.

32

232-11-53280

RING

SN: 14001-UP

2шт.

33

121-10-13261

SPACER

SN: 14001-UP

1шт.

34

232-11-53210

SHAFT

SN: 14001-UP

1шт.

35

06120-02520

BEARING

SN: 14001-UP

1шт.

36

06120-03520

BEARING

SN: 14001-UP

1шт.

37

07046-14020

PLUG

SN: 14001-UP

1шт.

38

120-09-11310

SEAL (KIT)

SN: 14001-UP

1шт.

39

04010-00725

KEY

SN: 14001-UP

1шт.

40

232-11-53190

LEVER

SN: 14001-UP

1шт.

41

01010-51240

BOLT

SN: 14001-UP

1шт.

42

01602-21236

WASHER

SN: 14001-UP

1шт.

43

121-10-13190

COLLAR

SN: 14001-UP

1шт.

44

04010-00725

KEY

SN: 14001-UP

1шт.

45

232-11-53220

LEVER

SN: 14001-UP

1шт.

46

01010-51240

BOLT

SN: 14001-UP

1шт.

47

01602-21236

WASHER

SN: 14001-UP

1шт.

Выбрано товаров: 49