Качественные детали и логистика
Оригинальные и аналоговые запчасти с доставкой по России, Казахстану и Беларуси
©2022 PartSell ООО "Система" ИНН 2463123282 ОГРН 1212400004838
Центральный офис: г. Красноярск, Академика Киренского, д.87, пом.4
Телефон: 8 (800) 777-65-74 Email: zakaz@partsell.ru
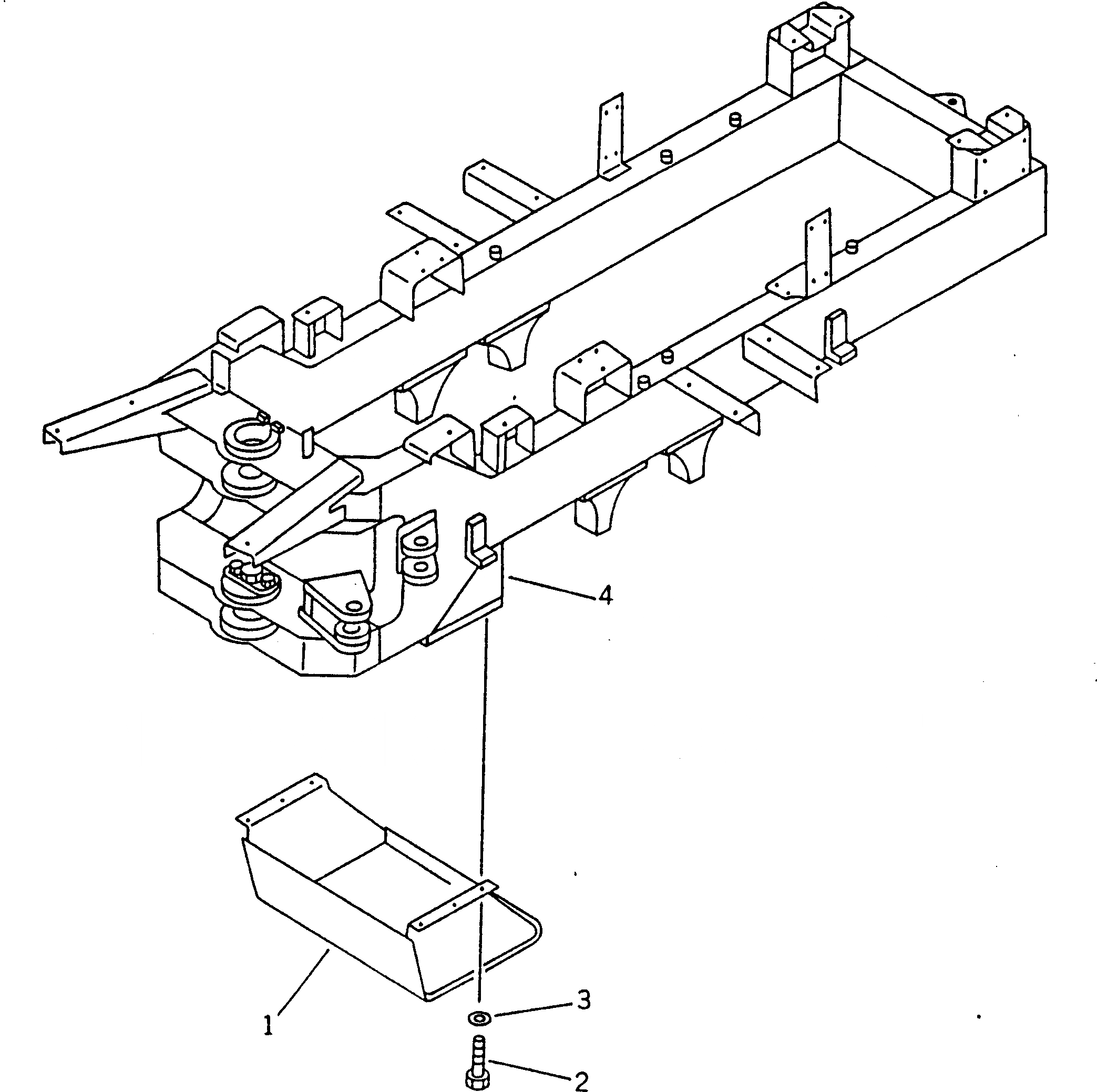
НИЖН. ЗАЩИТА ТРАНСМИССИИ (OP)
№
Артикул
Название
Примечание
Количество
1
232-915-6140
GUARD
SN: 14001-UP
1шт.
2
01010-52050
BOLT
6шт.
3
01643-32060
WASHER
4
232-915-6150
FRAME,(W/O RIPPER) (MODIFIED PART)
|4
232-915-7150
FRAME,(WITH RIPPER) (MODIFIED PART)
Выбрано товаров: 0