Запчасти Komatsu 6D125-1N - -

Схема запчастей Komatsu 6D125-1N - - -
FIT
1:1
100%

Артикул

Название

Примечание

Количество

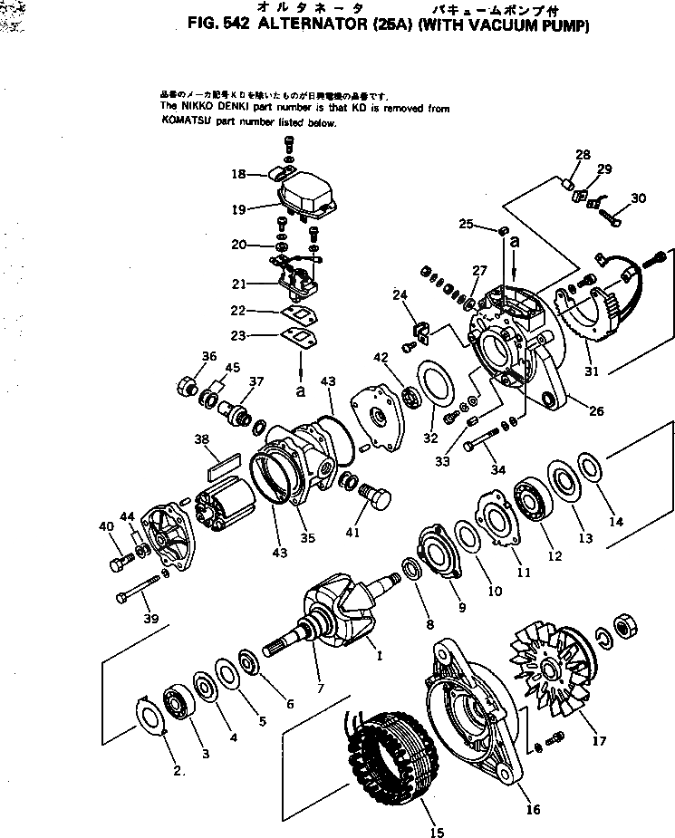
|1

600-821-5870

ALTERNATOR

SN: 10001-UP

1шт.

1

KD7-33100-0260

ROTOR ASS'Y

SN: 10001-UP

1шт.

2

KD1-33931-0100

CLIP

SN: 10001-UP

1шт.

3

KD1-09201-0410

BEARING

SN: 10001-UP

1шт.

4

KD1-33926-0230

RETAINER

SN: 10001-UP

1шт.

5

KD1-33951-0420

PACKING

SN: 10001-UP

1шт.

6

KD1-33922-0070

PLATE

SN: 10001-UP

1шт.

7

KD7-33130-0230

RING ASS'Y

SN: 10001-UP

1шт.

8

KD1-33923-0640

COLLAR

SN: 10001-UP

1шт.

9

KD0-33926-0470

BUSHING

SN: 10001-UP

1шт.

10

KD1-33951-0380

GASKET

SN: 10001-UP

1шт.

11

KD1-33926-0500

RETAINER

SN: 10001-UP

1шт.

12

KD1-0456-63057

BEARING

SN: 10001-UP

1шт.

13

KD1-33926-0460

RETAINER

SN: 10001-UP

1шт.

14

KD1-33951-0370

PACKING

SN: 10001-UP

1шт.

15

KD1-33200-0970

STATOR ASS'Y

SN: 10001-UP

1шт.

16

KD1-33310-0950

BRACKET

SN: 10001-UP

1шт.

17

KD0-33400-1500

PULLEY ASS'Y

SN: 10001-UP

1шт.

18

KD1-33931-0110

CLIP

SN: 10001-UP

1шт.

19

KD1-44000-0730

REGULATOR

SN: 10001-UP

1шт.

20

KD1-44943-0080

BUSHING

SN: 10001-UP

2шт.

21

KD1-33720-0691

BRUSH HOLDER

SN: 10001-UP

1шт.

22

KD1-33951-0440

PACKING

SN: 10001-UP

1шт.

23

KD1-33951-0450

PACKING

SN: 10001-UP

1шт.

24

KD1-33931-0070

CLIP

SN: 10001-UP

1шт.

25

KD1-33953-0150

BUSHING

SN: 10001-UP

1шт.

|26

KD0-33700-2070

BRACKET ASS'Y

SN: 10001-UP

1шт.

26

KD0-33710-2380

BRACKET

SN: 10001-UP

1шт.

27

KD1-47941-0180

WASHER

SN: 10001-UP

1шт.

28

KD1-25944-0300

TUBE

SN: 10001-UP

1шт.

29

KD1-33943-0890

BUSHING

SN: 10001-UP

1шт.

30

KD0-33901-0640

BOLT

SN: 10001-UP

1шт.

31

KD0-33730-1800

RECTIFIER

SN: 10001-UP

1шт.

32

KD1-33951-0560

PACKING

SN: 10001-UP

1шт.

33

KD1-33951-0570

GASKET

SN: 10001-UP

1шт.

34

KD0-0083-06852

BOLT

SN: 10001-UP

3шт.

35

KD7-74000-0420

VACUUM PUMP

SN: 10001-UP

1шт.

36

KD0-74901-0080

BOLT

SN: 10001-UP

1шт.

37

KD0-74130-0090

VALVE ASS'Y

SN: 10001-UP

1шт.

38

KD1-74222-0080

VANE

SN: 10001-UP

4шт.

39

KD0-0090-08002

BOLT

SN: 10001-UP

3шт.

40

KD0-74901-0100

BOLT

SN: 10001-UP

1шт.

41

KD0-74901-0090

BOLT

SN: 10001-UP

1шт.

|42

KD7-09210-0260

SEAL ASS'Y

SN: 10001-UP

1шт.

42

KD1-09210-0850

SEAL

SN: 10001-UP

1шт.

43

KD1-09211-0341

O-RING

SN: 10001-UP

2шт.

44

KD1-37921-0190

WASHER

SN: 10001-UP

2шт.

45

KD1-74921-0030

WASHER

SN: 10001-UP

5шт.

|1

600-821-5870

ALTERNATOR

SN: 10001-UP

1шт.

1

KD7-33100-0260

ROTOR ASS'Y

SN: 10001-UP

1шт.

2

KD1-33931-0100

CLIP

SN: 10001-UP

1шт.

3

KD1-09201-0410

BEARING

SN: 10001-UP

1шт.

4

KD1-33926-0230

RETAINER

SN: 10001-UP

1шт.

5

KD1-33951-0420

PACKING

SN: 10001-UP

1шт.

6

KD1-33922-0070

PLATE

SN: 10001-UP

1шт.

7

KD7-33130-0230

RING ASS'Y

SN: 10001-UP

1шт.

8

KD1-33923-0640

COLLAR

SN: 10001-UP

1шт.

9

KD0-33926-0470

BUSHING

SN: 10001-UP

1шт.

10

KD1-33951-0380

GASKET

SN: 10001-UP

1шт.

11

KD1-33926-0500

RETAINER

SN: 10001-UP

1шт.

12

KD1-0456-63057

BEARING

SN: 10001-UP

1шт.

13

KD1-33926-0460

RETAINER

SN: 10001-UP

1шт.

14

KD1-33951-0370

PACKING

SN: 10001-UP

1шт.

15

KD1-33200-0970

STATOR ASS'Y

SN: 10001-UP

1шт.

16

KD1-33310-0950

BRACKET

SN: 10001-UP

1шт.

17

KD0-33400-1500

PULLEY ASS'Y

SN: 10001-UP

1шт.

18

KD1-33931-0110

CLIP

SN: 10001-UP

1шт.

19

KD1-44000-0730

REGULATOR

SN: 10001-UP

1шт.

20

KD1-44943-0080

BUSHING

SN: 10001-UP

2шт.

21

KD1-33720-0691

BRUSH HOLDER

SN: 10001-UP

1шт.

22

KD1-33951-0440

PACKING

SN: 10001-UP

1шт.

23

KD1-33951-0450

PACKING

SN: 10001-UP

1шт.

24

KD1-33931-0070

CLIP

SN: 10001-UP

1шт.

25

KD1-33953-0150

BUSHING

SN: 10001-UP

1шт.

|26

KD0-33700-2070

BRACKET ASS'Y

SN: 10001-UP

1шт.

26

KD0-33710-2380

BRACKET

SN: 10001-UP

1шт.

27

KD1-47941-0180

WASHER

SN: 10001-UP

1шт.

28

KD1-25944-0300

TUBE

SN: 10001-UP

1шт.

29

KD1-33943-0890

BUSHING

SN: 10001-UP

1шт.

30

KD0-33901-0640

BOLT

SN: 10001-UP

1шт.

31

KD0-33730-1800

RECTIFIER

SN: 10001-UP

1шт.

32

KD1-33951-0560

PACKING

SN: 10001-UP

1шт.

33

KD1-33951-0570

GASKET

SN: 10001-UP

1шт.

34

KD0-0083-06852

BOLT

SN: 10001-UP

3шт.

35

KD7-74000-0420

VACUUM PUMP

SN: 10001-UP

1шт.

36

KD0-74901-0080

BOLT

SN: 10001-UP

1шт.

37

KD0-74130-0090

VALVE ASS'Y

SN: 10001-UP

1шт.

38

KD1-74222-0080

VANE

SN: 10001-UP

4шт.

39

KD0-0090-08002

BOLT

SN: 10001-UP

3шт.

40

KD0-74901-0100

BOLT

SN: 10001-UP

1шт.

41

KD0-74901-0090

BOLT

SN: 10001-UP

1шт.

|42

KD7-09210-0260

SEAL ASS'Y

SN: 10001-UP

1шт.

42

KD1-09210-0850

SEAL

SN: 10001-UP

1шт.

43

KD1-09211-0341

O-RING

SN: 10001-UP

2шт.

44

KD1-37921-0190

WASHER

SN: 10001-UP

2шт.

45

KD1-74921-0030

WASHER

SN: 10001-UP

5шт.

Выбрано товаров: 0