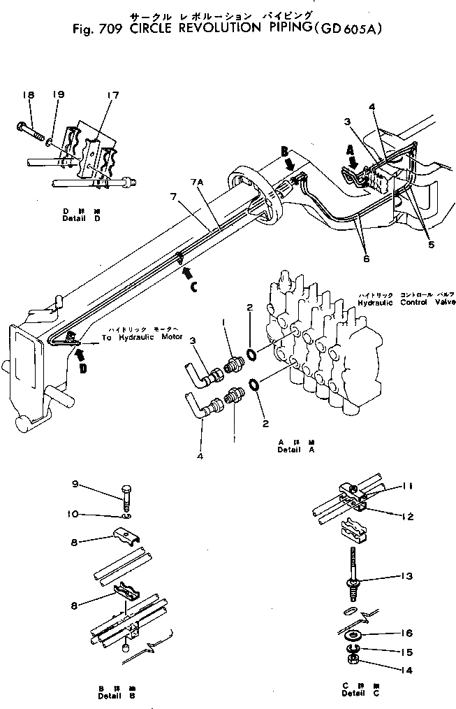
Запчасти Komatsu GD605A-1 CIRCLE ВРАЩЕНИЕ ТРУБЫ РАБОЧЕЕ ОБОРУДОВАНИЕ

Схема запчастей Komatsu GD605A-1 - CIRCLE ВРАЩЕНИЕ ТРУБЫ РАБОЧЕЕ ОБОРУДОВАНИЕ
FIT
1:1
100%

Артикул

Название

Примечание

Количество

1

232-60-54110

NIPPLE

SN: 50002-UP

2шт.

2

07002-12034

O-RING (KIT)

SN: 50002-UP

2шт.

3

232-860-5480

TUBE

SN: 50155-UP

1шт.

3

0

TUBE

SN: 50135-50154

1шт.

3

0

TUBE

SN: 50134-50134

1шт.

3

0

TUBE

SN: 50120-50133

1шт.

3

0

TUBE

SN: 50119-50119

1шт.

3

0

TUBE

SN: 50002-50118

1шт.

4

232-860-5490

TUBE

SN: 50155-UP

1шт.

4

0

TUBE

SN: 50135-50154

1шт.

4

0

TUBE

SN: 50134-50134

1шт.

4

0

TUBE

SN: 50120-50133

1шт.

4

0

TUBE

SN: 50119-50119

1шт.

4

0

TUBE

SN: 50002-50118

1шт.

5

07113-00407

HOSE

SN: 50016-UP

2шт.

5

0

HOSE

SN: 50002-50015

2шт.

6

232-60-58490

HOSE

SN: 50016-UP

2шт.

6

0

HOSE

SN: 50002-50015

2шт.

7

232-60-58340

TUBE

SN: 50002-UP

1шт.

7A

232-60-58420

TUBE

SN: 50079-UP

1шт.

7A

232-60-58340

TUBE

SN: 50002-50078

1шт.

8

232-60-54830

CLIP

SN: 50002-UP

2шт.

9

01010-51095

BOLT

SN: 50002-UP

1шт.

10

01602-21030

WASHER

SN: 50002-UP

1шт.

11

232-60-54840

CLIP

SN: 50002-UP

1шт.

12

232-60-54830

CLIP

SN: 50002-UP

1шт.

13

232-60-54860

BOLT

SN: 50002-UP

1шт.

14

01580-11613

NUT

SN: 50002-UP

1шт.

15

01602-21648

WASHER

SN: 50002-UP

1шт.

16

232-60-54920

WASHER

SN: 50002-UP

1шт.

17

232-60-54880

CLIP

SN: 50002-UP

3шт.

18

01010-51055

BOLT

SN: 50002-UP

2шт.

19

01602-21030

WASHER

SN: 50002-UP

2шт.

Выбрано товаров: 33