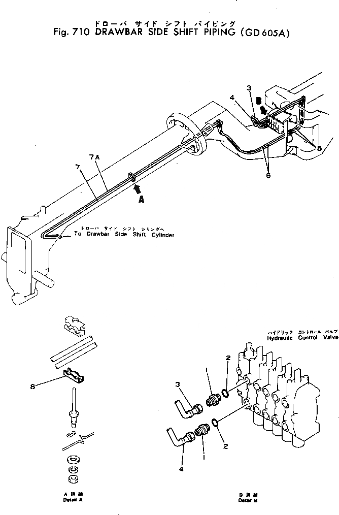
Запчасти Komatsu GD605A-1 БОКОВ. СДВИГ СЦЕПН. УСТР-ВА ТРУБЫ РАБОЧЕЕ ОБОРУДОВАНИЕ

Схема запчастей Komatsu GD605A-1 - БОКОВ. СДВИГ СЦЕПН. УСТР-ВА ТРУБЫ РАБОЧЕЕ ОБОРУДОВАНИЕ
FIT
1:1
100%

Артикул

Название

Примечание

Количество

1

232-60-54110

NIPPLE

SN: 50002-UP

2шт.

2

07002-12034

O-RING (KIT)

SN: 50002-UP

2шт.

3

232-60-58180

TUBE

SN: 50002-UP

1шт.

4

232-60-58190

TUBE

SN: 50002-UP

1шт.

5

07113-00407

HOSE

SN: 50016-UP

2шт.

5

0

HOSE

SN: 50002-50015

2шт.

6

232-60-58490

HOSE

SN: 50016-UP

2шт.

6

0

HOSE

SN: 50002-50015

2шт.

7

232-60-58330

TUBE

SN: 50002-UP

1шт.

7A

232-60-58410

TUBE

SN: 50079-UP

1шт.

7A

232-60-58330

TUBE

SN: 50002-50078

1шт.

8

232-60-54830

CLIP

SN: 50002-UP

1шт.

Выбрано товаров: 0