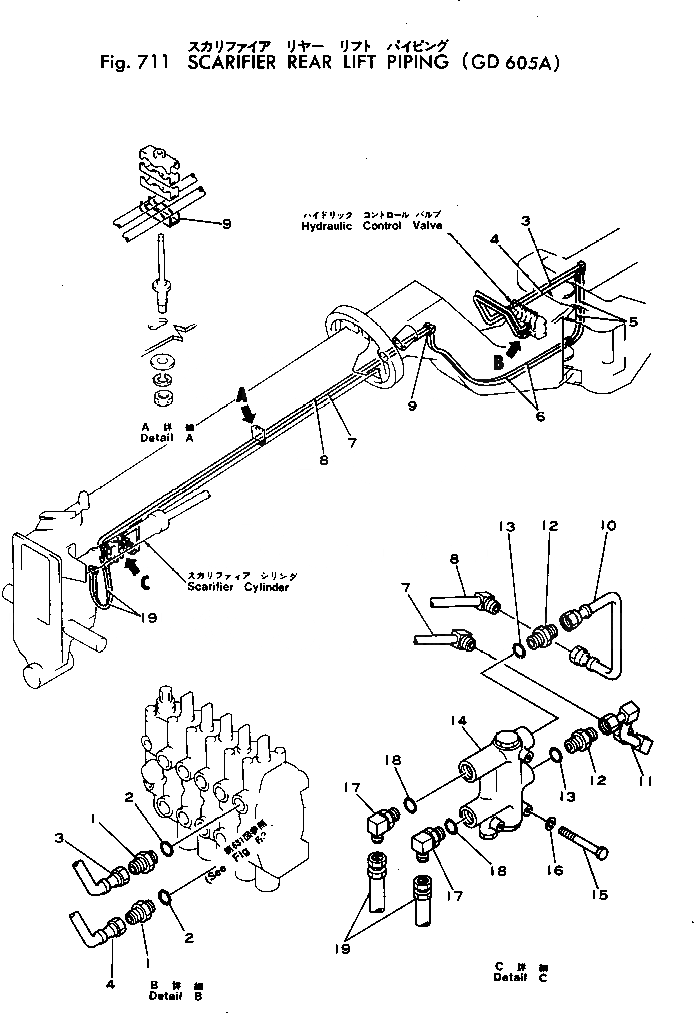
Запчасти Komatsu GD605A-1 SCARIFIER ЗАДН. LIFT ТРУБЫ РАБОЧЕЕ ОБОРУДОВАНИЕ

Схема запчастей Komatsu GD605A-1 - SCARIFIER ЗАДН. LIFT ТРУБЫ РАБОЧЕЕ ОБОРУДОВАНИЕ
FIT
1:1
100%

Артикул

Название

Примечание

Количество

1

232-60-54110

NIPPLE

SN: 50002-UP

2шт.

2

07002-12034

O-RING

SN: 50002-UP

2шт.

3

232-71-53210

TUBE

SN: 50002-UP

1шт.

4

232-71-53220

TUBE

SN: 50002-UP

1шт.

5

07113-00407

HOSE

SN: 50016-UP

2шт.

5

0

HOSE

SN: 50002-50015

2шт.

6

232-60-58490

HOSE

SN: 50016-UP

2шт.

6

0

HOSE

SN: 50002-50015

2шт.

7

232-71-53230

TUBE

SN: 50002-UP

1шт.

8

232-71-53240

TUBE

SN: 50002-UP

1шт.

9

232-60-54830

CLIP

SN: 50002-UP

2шт.

10

232-71-53150

TUBE

SN: 50002-UP

1шт.

11

232-71-53160

TUBE

SN: 50002-UP

1шт.

12

07230-10422

UNION

SN: 50002-UP

2шт.

13

07002-12034

O-RING

SN: 50002-UP

2шт.

14

232-60-00341

VALVE ASS'Y,(SEE FIG.622)

SN: 50016-UP

1шт.

14

232-60-00340

VALVE ASS'Y,(SEE FIG.622)

SN: 50002-50015

1шт.

15

01010-50870

BOLT

SN: 50155-UP

3шт.

15

0

BOLT

SN: 50135-50154

3шт.

15

01010-50870

BOLT

SN: 50134-50134

3шт.

15

0

BOLT

SN: 50120-50133

3шт.

15

01010-50870

BOLT

SN: 50119-50119

3шт.

15

0

BOLT

SN: 50002-50118

3шт.

16

01602-00825

WASHER

SN: 50002-UP

3шт.

17

07235-10422

ELBOW

SN: 50002-UP

2шт.

18

07002-12034

O-RING

SN: 50002-UP

2шт.

19

07123-00408

HOSE

SN: 50002-UP

2шт.

Выбрано товаров: 0