Запчасти Komatsu GD605A-1 SCARIFIER ПОДЪЕМ РАБОЧЕЕ ОБОРУДОВАНИЕ

Схема запчастей Komatsu GD605A-1 - SCARIFIER ПОДЪЕМ РАБОЧЕЕ ОБОРУДОВАНИЕ
FIT
1:1
100%

Артикул

Название

Примечание

Количество

|$0

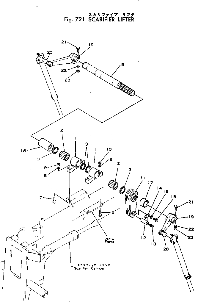
232-71-00421

LIFTER ASS'Y

SN: 50006-UP

1шт.

|$1

0

LIFTER ASS'Y

SN: 50002-50005

1шт.

|$2

232-71-00430

SUPPORT ASS'Y

SN: 50002-UP

2шт.

1

232-71-52120

SUPPORT

SN: 50002-UP

1шт.

2

232-71-52180

BUSHING

SN: 50002-UP

1шт.

3

07145-00090

SEAL

SN: 50002-UP

2шт.

5

232-71-52110

SHAFT

SN: 50002-UP

1шт.

6

01090-52090

BOLT

SN: 50002-UP

2шт.

7

01010-32090

BOLT

SN: 50002-UP

2шт.

8

01643-32060

WASHER

SN: 50002-UP

8шт.

9

01582-02016

NUT

SN: 50002-UP

2шт.

10

01580-02016

NUT

SN: 50002-UP

2шт.

11

232-71-52130

ARM

SN: 50002-UP

1шт.

12

232-71-16370

PIN

SN: 50002-UP

2шт.

13

07020-00000

FITTING

SN: 50002-UP

2шт.

14

04082-00212

LOCK

SN: 50002-UP

2шт.

15

01010-31225

BOLT

SN: 50002-UP

4шт.

16

01602-01236

WASHER

SN: 50002-UP

4шт.

17

232-71-52150

COLLAR

SN: 50002-UP

1шт.

18

232-71-52160

COLLAR

SN: 50002-UP

1шт.

19

232-71-52210

ARM

SN: 50002-UP

2шт.

20

232-70-13120

STUD

SN: 50002-UP

1шт.

21

01011-31610

BOLT

SN: 50006-UP

4шт.

21

0

BOLT

SN: 50002-50005

4шт.

22

01643-31645

WASHER

SN: 50006-UP

4шт.

22

0

WASHER

SN: 50002-50005

4шт.

23

01580-01613

NUT

SN: 50002-UP

4шт.

Выбрано товаров: 27