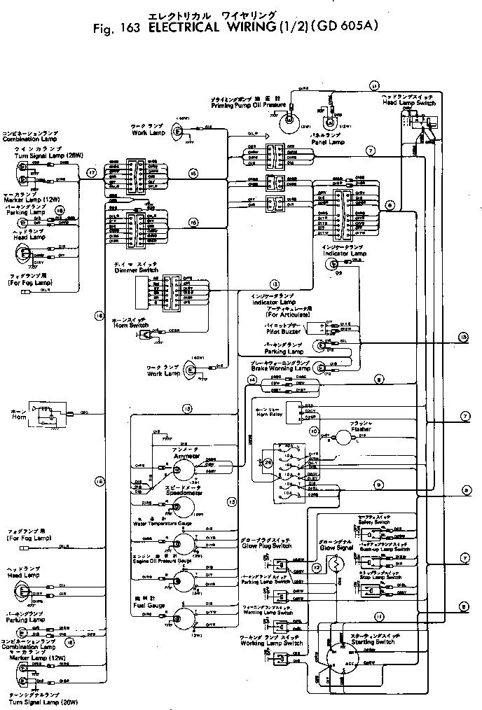
Запчасти Komatsu GD605A-1 ЭЛЕКТР. ЭЛЕКТРОПРОВОДКА (/) КОМПОНЕНТЫ ДВИГАТЕЛЯ И ЭЛЕКТРИКА

Схема запчастей Komatsu GD605A-1 - ЭЛЕКТР. ЭЛЕКТРОПРОВОДКА (/) КОМПОНЕНТЫ ДВИГАТЕЛЯ И ЭЛЕКТРИКА
FIT
1:1
100%

Артикул

Название

Примечание

Количество

1

237-06-11130

CABLE

SN: 50002-UP

1шт.

2

232-06-11121

CABLE

SN: 50002-UP

1шт.

3

232-06-51110

CABLE

SN: 50002-UP

1шт.

4

237-06-11140

CABLE

SN: 50002-UP

1шт.

5

232-06-51130

HARNESS

SN: 50002-UP

1шт.

6

232-06-51120

HARNESS

SN: 50002-UP

1шт.

7

232-06-51520

HARNESS,FRONT

SN: 50002-UP

1шт.

7

232-06-51551

HARNESS,REAR

SN: 50102-UP

1шт.

7

232-06-51550

HARNESS,REAR

SN: 50002-50101

1шт.

8

232-06-51530

HARNESS,FRONT

SN: 50002-UP

1шт.

8

232-06-51560

HARNESS,REAR

SN: 50002-UP

1шт.

9

232-06-51160

CABLE

SN: 50002-UP

1шт.

10

232-06-51170

HARNESS

SN: 50002-UP

1шт.

11

232-06-51180

HARNESS

SN: 50002-UP

1шт.

12

232-06-51190

CABLE

SN: 50002-UP

1шт.

13

232-06-51220

CABLE

SN: 50002-UP

1шт.

14

232-06-51230

HARNESS

SN: 50002-UP

1шт.

15

232-06-51510

HARNESS

SN: 50002-UP

1шт.

16

232-06-51250

HARNESS

SN: 50002-UP

1шт.

17

232-06-51320

CABLE

SN: 50002-UP

1шт.

18

232-06-51260

CABLE

SN: 50002-UP

1шт.

19

232-06-51541

HARNESS

SN: 50222-UP

1шт.

19

232-06-51540

HARNESS

SN: 50002-50221

1шт.

20

232-06-51270

CABLE

SN: 50002-UP

1шт.

21

232-06-51280

CABLE

SN: 50002-UP

1шт.

22

232-06-51290

CABLE

SN: 50002-UP

1шт.

23

237-06-11510

WIRE

SN: 50002-UP

1шт.

24

232-06-51310

WIRE

SN: 50002-UP

1шт.

25

232-06-51330

WIRE

SN: 50002-UP

1шт.

26

234-06-11531

CABLE

SN: 50002-UP

1шт.

Выбрано товаров: 30