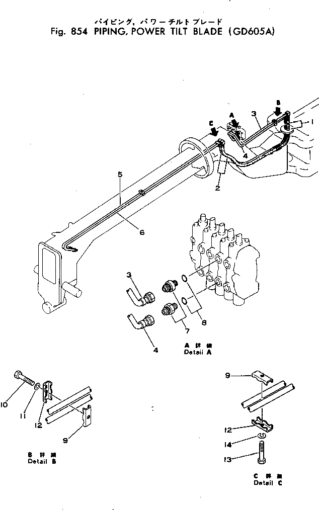
Запчасти Komatsu GD605A-1 ТРУБЫ¤ НАКЛОНЯЕМ. ОТВАЛ (/) ОПЦИОННЫЕ КОМПОНЕНТЫ

Схема запчастей Komatsu GD605A-1 - ТРУБЫ¤ НАКЛОНЯЕМ. ОТВАЛ (/) ОПЦИОННЫЕ КОМПОНЕНТЫ
FIT
1:1
100%

Артикул

Название

Примечание

Количество

|$0

232-735-0030

BLADE ASS'Y,POWER TILT

SN: 50002-UP

1шт.

1

07123-40407

HOSE

SN: 50002-UP

2шт.

2

232-60-58390

HOSE

SN: 50002-UP

2шт.

3

232-745-2150

TUBE

SN: 50002-UP

1шт.

4

232-745-2160

TUBE

SN: 50002-UP

1шт.

5

232-735-2140

TUBE

SN: 50002-UP

1шт.

6

232-735-2150

TUBE

SN: 50002-UP

1шт.

7

232-60-54110

NIPPLE

SN: 50002-UP

2шт.

8

07002-12034

O-RING

SN: 50002-UP

2шт.

9

232-60-54830

CLIP

SN: 50002-UP

2шт.

10

01010-51055

BOLT

SN: 50002-UP

1шт.

11

01602-21030

WASHER

SN: 50002-UP

1шт.

12

237-60-14130

CLIP

SN: 50002-UP

2шт.

13

01010-51060

BOLT

SN: 50002-UP

1шт.

14

01602-21030

WASHER

SN: 50002-UP

1шт.

Выбрано товаров: 15