Запчасти Komatsu GD605A-1 КАПОТ (ДЛЯ SNOW WING)(№-9) ОПЦИОННЫЕ КОМПОНЕНТЫ

Схема запчастей Komatsu GD605A-1 - КАПОТ (ДЛЯ SNOW WING)(№-9) ОПЦИОННЫЕ КОМПОНЕНТЫ
FIT
1:1
100%

Артикул

Название

Примечание

Количество

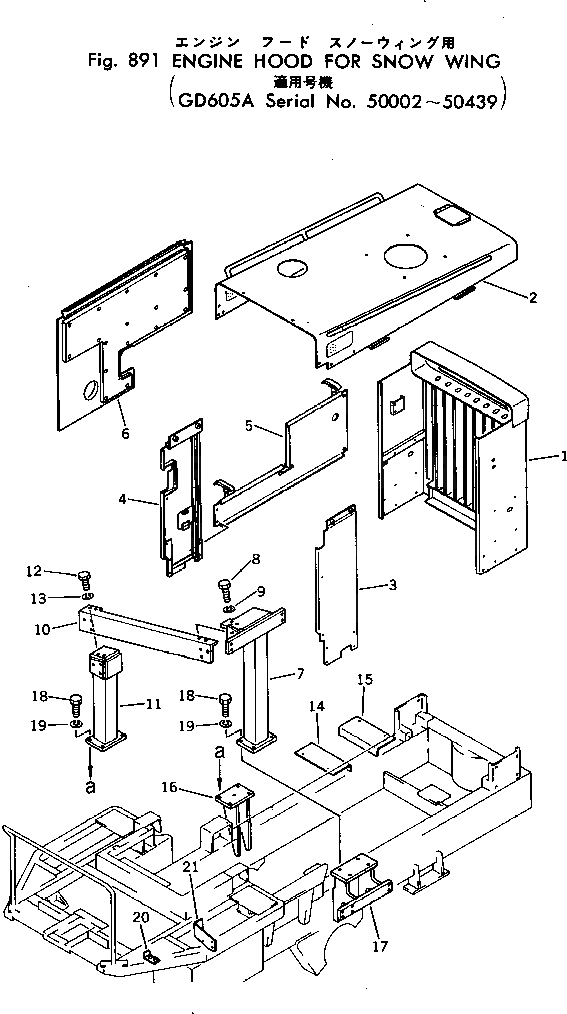
1

232-972-1470

GRILLE,(MODIFIED PARTS)

SN: 50002-@

1шт.

2

232-972-1440

BONNET,(MODIFIED PARTS)

SN: 50002-@

1шт.

3

232-972-1460

COVER,(MODIFIED PARTS)

SN: 50002-@

1шт.

4

232-972-1450

COVER

SN: 50002-@

1шт.

5

232-972-1480

PLATE

SN: 50002-@

1шт.

6

232-972-1510

PANEL

SN: 50002-@

1шт.

7

232-972-1110

BRACKET

SN: 50002-@

1шт.

8

01010-51645

BOLT

SN: 50002-@

5шт.

9

01602-21648

WASHER

SN: 50002-@

5шт.

10

232-972-1120

BRACKET

SN: 50002-@

1шт.

11

232-972-1130

BRACKET

SN: 50002-@

1шт.

12

01010-51635

BOLT

SN: 50002-@

5шт.

13

01602-21648

WASHER

SN: 50002-@

5шт.

14

232-972-1770

PLATE (WELDED)

SN: 50002-50439

1шт.

15

232-972-1760

PLATE (WEDLED)

SN: 50002-@

1шт.

16

232-972-1140

BRACKET (WELDED)

SN: 50002-@

1шт.

17

232-972-1150

BRACKET (WELDED)

SN: 50002-@

1шт.

18

01010-51645

BOLT

SN: 50002-@

8шт.

19

01602-21648

WASHER

SN: 50002-@

8шт.

20

232-972-1380

PLATE

SN: 50002-50439

1шт.

21

232-972-1390

PLATE

SN: 50002-50439

1шт.

Выбрано товаров: 0