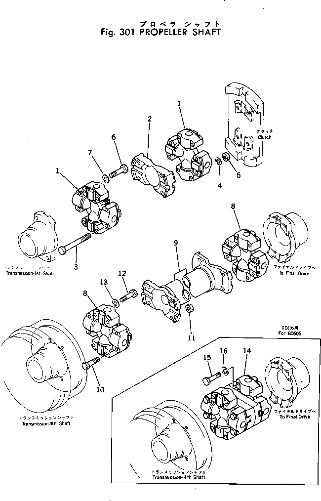
Запчасти Komatsu GD605A-1 КАРДАНН. ВАЛ СДВОЕНН. ПРИВОД И КОЛЕСА

Схема запчастей Komatsu GD605A-1 - КАРДАНН. ВАЛ СДВОЕНН. ПРИВОД И КОЛЕСА
FIT
1:1
100%

Артикул

Название

Примечание

Количество

|$0

131-10-46100

UNIVERSAL JOINT A.

SN: 50001-UP

1шт.

1

131-10-46110

CROSS PIN ASS'Y

SN: 50001-UP

2шт.

2

131-10-46120

PLATE

SN: 50001-UP

1шт.

3

130-10-51110

BOLT

SN: 50001-UP

4шт.

4

01602-21030

WASHER

SN: 50001-UP

4шт.

5

01582-11008

NUT

SN: 50001-UP

4шт.

6

07372-21045

BOLT

SN: 50001-UP

8шт.

7

01602-21030

WASHER

SN: 50001-UP

8шт.

|$8

232-20-51201

JOINT ASS'Y

SN: 50001-UP

1шт.

|$9

232-20-51200

JOINT ASS'Y

SN: 50001-UP

1шт.

8

232-20-52110

SPIDER ASS'Y

SN: 50001-UP

2шт.

9

232-20-52121

SHAFT ASS'Y

SN: 50001-UP

1шт.

9

232-20-52120

SHAFT ASS'Y

SN: 50001-UP

1шт.

10

01010-81260

BOLT

SN: 50001-UP

8шт.

11

01580-11210

NUT

SN: 50001-UP

8шт.

12

01010-81260

BOLT

SN: 50001-UP

8шт.

13

01602-21236

WASHER

SN: 50001-UP

8шт.

14

232-20-52200

JOINT ASS'Y

SN: 50002-UP

1шт.

15

01010-81260

BOLT

SN: 50002-UP

8шт.

16

01602-21236

WASHER

SN: 50002-UP

8шт.

Выбрано товаров: 20