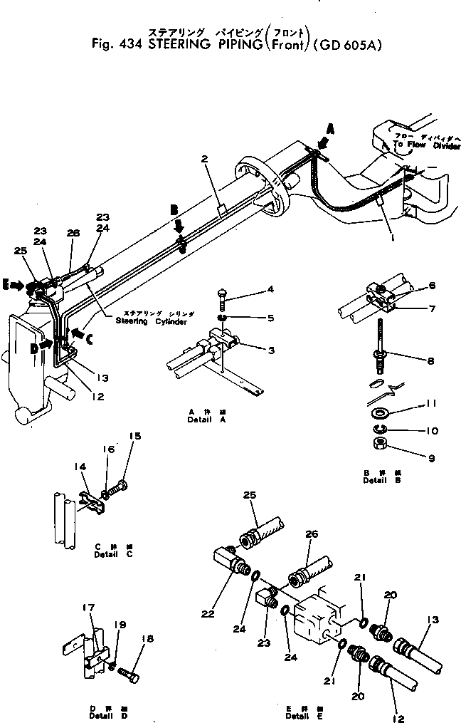
Запчасти Komatsu GD605A-1 ГИДРАВЛИКА РУЛ. УПРАВЛЕНИЯ (ПЕРЕДН.) СИСТЕМАУПРАВЛЕНИЯ ПОВОРОТОМ

Схема запчастей Komatsu GD605A-1 - ГИДРАВЛИКА РУЛ. УПРАВЛЕНИЯ (ПЕРЕДН.) СИСТЕМАУПРАВЛЕНИЯ ПОВОРОТОМ
FIT
1:1
100%

Артикул

Название

Примечание

Количество

1

07113-00420

HOSE

SN: 50016-UP

2шт.

1

0

HOSE

SN: 50002-50015

2шт.

2

232-60-57510

TUBE

SN: 50002-UP

2шт.

3

232-60-54820

CLIP

SN: 50002-UP

1шт.

4

01010-51050

BOLT

SN: 50002-UP

1шт.

5

01602-21030

WASHER

SN: 50002-UP

1шт.

6

232-60-54850

CLIP

SN: 50002-UP

1шт.

7

232-60-54820

CLIP

SN: 50002-UP

1шт.

8

232-60-54860

BOLT

SN: 50002-UP

1шт.

9

01580-11613

NUT

SN: 50002-UP

1шт.

10

01602-21648

WASHER

SN: 50002-UP

1шт.

11

01643-31645

WASHER

SN: 50002-UP

1шт.

12

232-60-57350

TUBE

SN: 50002-UP

1шт.

13

232-60-57360

TUBE

SN: 50002-UP

1шт.

14

232-60-54820

CLIP

SN: 50002-UP

1шт.

15

01010-51050

BOLT

SN: 50002-UP

1шт.

16

01602-21030

WASHER

SN: 50002-UP

1шт.

17

232-60-54820

CLIP

SN: 50002-50015

1шт.

18

01010-51045

BOLT

SN: 50002-50015

1шт.

19

01602-21030

WASHER

SN: 50002-50015

1шт.

20

07230-10422

UNION

SN: 50002-UP

2шт.

21

07002-12034

O-RING (KIT)

SN: 50002-UP

2шт.

22

232-60-54650

ELBOW

SN: 50002-UP

1шт.

23

07235-10422

ELBOW

SN: 50002-UP

3шт.

24

07002-12034

O-RING (KIT)

SN: 50002-UP

4шт.

25

07108-20404

HOSE

SN: 50002-UP

1шт.

26

07108-20408

HOSE

SN: 50002-UP

1шт.

Выбрано товаров: 0