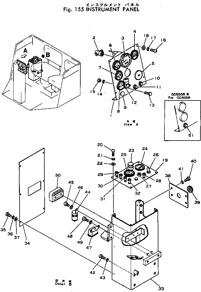
Запчасти Komatsu GD605A-1 ПАНЕЛЬ ПРИБОРОВ КОМПОНЕНТЫ ДВИГАТЕЛЯ И ЭЛЕКТРИКА

Схема запчастей Komatsu GD605A-1 - ПАНЕЛЬ ПРИБОРОВ КОМПОНЕНТЫ ДВИГАТЕЛЯ И ЭЛЕКТРИКА
FIT
1:1
100%

Артикул

Название

Примечание

Количество

1

232-06-52110

PANEL

SN: 50002-UP

1шт.

2

232-06-52380

ADAPTER

SN: 50002-UP

1шт.

3

232-06-52311

SPEEDOMETER

SN: 50002-UP

1шт.

|3

08111-02430

BULB¤ 3W

SN: 50002-UP

1шт.

4

232-06-52370

AMMETER

SN: 50002-UP

1шт.

|4

08111-02430

BULB¤ 3W

SN: 50002-UP

1шт.

5

09414-00053

CAP

SN: 50002-UP

1шт.

6

232-06-52340

GAUGE,WATER TEMPERATURE

SN: 50002-UP

1шт.

|6

08111-02430

BULB¤ 3W

SN: 50002-UP

1шт.

7

232-06-52470

GAUGE,OIL PRESSURE

SN: 50325-UP

1шт.

|7

232-06-52320

GAUGE,OIL PRESSURE

SN: 50002-50324

1шт.

|7

08111-02430

BULB¤ 3W

SN: 50002-UP

1шт.

8

232-06-52360

GAUGE,FUEL

SN: 50002-UP

1шт.

|8

08111-02430

BULB¤ 3W

SN: 50002-UP

1шт.

9

09415-01610

CAP

SN: 50001-UP

1шт.

10

08147-32400

LAMP,PARKING BRAKE

SN: 50002-UP

1шт.

|10

08111-02430

BULB¤ 3W

SN: 50002-UP

1шт.

11

08147-32400

LAMP,BRAKE FLUID

SN: 50002-UP

1шт.

|11

08111-02430

BULB¤ 3W

SN: 50002-UP

1шт.

12

08670-00001

INDICATOR,DUST

SN: 50002-UP

1шт.

13

01010-30616

BOLT

SN: 50002-UP

2шт.

14

01580-00605

NUT

SN: 50002-UP

2шт.

15

01602-00619

WASHER

SN: 50002-UP

2шт.

16

01220-40612

SCREW

SN: 50002-UP

4шт.

17

01602-00619

WASHER

SN: 50002-UP

4шт.

18

01641-20608

WASHER

SN: 50002-UP

4шт.

19

232-06-53320

PANEL

SN: 50002-UP

1шт.

20

01220-40612

SCREW

SN: 50002-UP

4шт.

21

01602-00619

WASHER

SN: 50002-UP

4шт.

22

01641-20608

WASHER

SN: 50002-UP

4шт.

23

08144-12400

LAMP,PANEL

SN: 50002-UP

1шт.

|23

08110-12410

BULB¤ 12W

SN: 50002-UP

1шт.

24

232-806-7110

METER

SN: 50002-UP

1шт.

25

232-06-52330

GAUGE,PRIMING PRESSURE

SN: 50002-UP

1шт.

|25

08111-02430

BULB¤ 3W

SN: 50002-UP

1шт.

26

08086-00000

SWITCH,STARTING

SN: 50002-UP

1шт.

27

600-815-2210

SIGNAL

SN: 50002-UP

1шт.

28

236-06-23340

SWITCH

SN: 50002-UP

1шт.

29

236-06-23350

SWITCH,BEACON LAMP

SN: 50002-UP

1шт.

30

236-06-23320

SWITCH,WORK LAMP

SN: 50002-UP

1шт.

31

236-06-23330

SWITCH,PARKING LAMP

SN: 50002-UP

1шт.

32

237-06-15230

SWITCH,LAMP

SN: 50002-UP

1шт.

33

232-06-53331

BRACKET

SN: 50001-UP

1шт.

|33

232-06-53330

BRACKET

SN: 50001-UP

1шт.

34

232-06-53340

COVER

SN: 50001-UP

1шт.

35

01220-40612

SCREW

SN: 50001-UP

6шт.

36

01602-20608

WASHER

SN: 50001-UP

6шт.

37

01641-20608

WASHER

SN: 50001-UP

6шт.

38

232-06-53350

COVER

SN: 50002-UP

1шт.

39

08037-02512

GROMMET

SN: 50002-UP

1шт.

40

01010-31016

BOLT

SN: 50002-UP

4шт.

41

01602-01030

WASHER

SN: 50002-UP

4шт.

42

01010-31225

BOLT

SN: 50001-UP

4шт.

|42

01010-31220

BOLT

SN: 50001-UP

4шт.

43

01602-01236

WASHER

SN: 50001-UP

4шт.

44

08077-22400

FLASHER

SN: 50002-UP

1шт.

45

01010-30612

BOLT

SN: 50002-UP

1шт.

46

01602-00619

WASHER

SN: 50002-UP

1шт.

47

08163-02400

RELAY

SN: 50002-UP

1шт.

48

01010-30612

BOLT

SN: 50002-UP

2шт.

49

01602-00619

WASHER

SN: 50002-UP

2шт.

50

08043-16000

BOX,FUSE

SN: 50002-UP

1шт.

|50

08040-04000

FUSE¤ 40A

SN: 50002-UP

1шт.

|50

08040-01000

FUSE¤ 10A

SN: 50002-UP

5шт.

51

08147-32402

LAMP,ARTICULATE INDICATOR

SN: 50002-UP

1шт.

Выбрано товаров: 0