Запчасти Komatsu GD605A-1 ПОПЕРЕЧНАЯ РУЛЕВ. ТЯГА СИСТЕМАУПРАВЛЕНИЯ ПОВОРОТОМ

Схема запчастей Komatsu GD605A-1 - ПОПЕРЕЧНАЯ РУЛЕВ. ТЯГА СИСТЕМАУПРАВЛЕНИЯ ПОВОРОТОМ
FIT
1:1
100%

Артикул

Название

Примечание

Количество

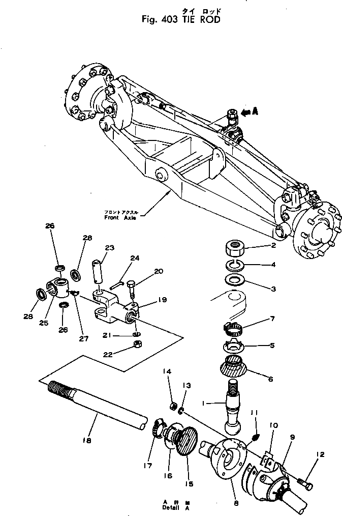
1

234-40-15212

STUD,\

SN: 50002-UP

1шт.

2

01580-13024

NUT

SN: 50002-UP

1шт.

3

01643-33080

WASHER

SN: 50002-UP

1шт.

4

01601-23075

WASHER

SN: 50002-UP

1шт.

5

234-40-15270

COVER

SN: 50002-UP

1шт.

6

234-40-15181

PACKING

SN: 50002-UP

1шт.

7

07281-00549

CLAMP

SN: 50002-UP

1шт.

|8

232-40-00430

CAP ASS'Y

SN: 50002-UP

1шт.

8

0

CAP

SN: 50002-UP

1шт.

9

0

CAP

SN: 50002-UP

1шт.

10

231-40-05020

SHIM ASS'Y

SN: 50002-UP

1шт.

|10

0

SHIM¤ 0.2MM

SN: 50002-UP

4шт.

|10

0

SHIM¤ 0.1MM

SN: 50002-UP

2шт.

11

07020-00000

FITTING

SN: 50002-UP

1шт.

12

01010-51040

BOLT

SN: 50002-UP

4шт.

13

01602-21030

WASHER

SN: 50002-UP

4шт.

14

01580-11008

NUT

SN: 50002-UP

4шт.

15

234-40-15182

PACKING

SN: 50002-UP

2шт.

16

234-40-15191

COVER

SN: 50002-UP

2шт.

17

07281-00549

CLAMP

SN: 50002-UP

2шт.

18

232-40-55140

TIE ROD,\

SN: 50002-UP

2шт.

19

232-40-15181

YOKE

SN: 50002-UP

2шт.

20

01010-51260

BOLT

SN: 50002-UP

2шт.

21

01602-21236

WASHER

SN: 50002-UP

2шт.

22

01580-11210

NUT

SN: 50002-UP

2шт.

23

232-40-55210

PIN

SN: 50002-UP

2шт.

24

232-40-15220

PIN

SN: 50002-UP

4шт.

25

232-40-55190

JOINT

SN: 50002-UP

2шт.

26

232-40-55220

SEAL

SN: 50002-UP

4шт.

27

07020-00900

FITTING

SN: 50002-UP

2шт.

28

07145-00025

SEAL

SN: 50002-UP

4шт.

Выбрано товаров: 0