Запчасти Komatsu NH-220-CI-2W - -

Схема запчастей Komatsu NH-220-CI-2W - - -
FIT
1:1
100%

Артикул

Название

Примечание

Количество

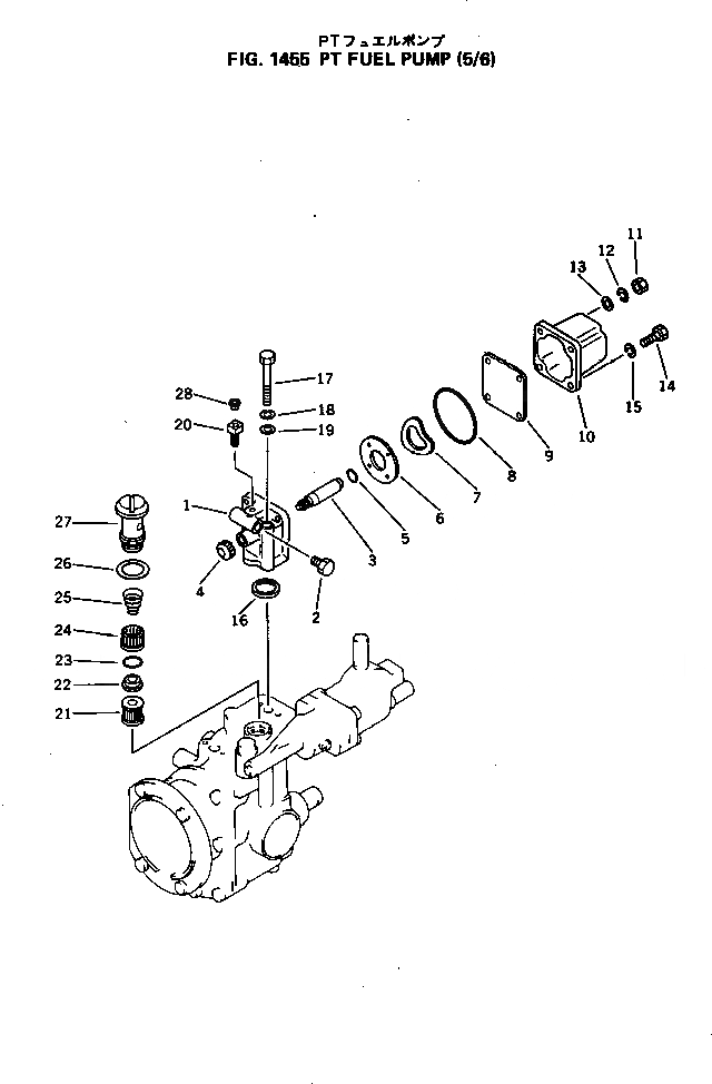
|1

6679-70-1000

PT PUMP ASS'Y

SN: 141893-UP

1шт.

|1

6679-70-1010

PT PUMP ASS'Y

SN: 141893-UP

1шт.

|1

6610-71-4010

VALVE

SN: 141893-UP

1шт.

|1

6610-71-4100

SHUT-OFF VALVE

SN: 141893-UP

1шт.

1

0

SN: 141893-UP

1шт.

2

6610-71-1830

PLUG

SN: 144160-UP

1шт.

|2

6610-71-1850

PLUG

SN: 141893-144159

1шт.

3

6610-71-4221

SHAFT

SN: 141893-UP

1шт.

4

6610-71-4230

DOWEL PIN

SN: 141893-UP

1шт.

5

6610-71-4241

O-RING

SN: 141893-UP

1шт.

6

6610-71-4140

VALVE

SN: 141893-UP

1шт.

7

6610-71-4130

SPRING

SN: 141893-UP

1шт.

8

6610-71-4160

O-RING

SN: 141893-UP

1шт.

9

6610-71-4120

SHIELD

SN: 141893-UP

1шт.

10

6610-71-4110

COIL

SN: 141893-UP

1шт.

11

6600-01-2570

NUT

SN: 141893-UP

3шт.

12

02310-00712

WASHER

SN: 141893-UP

2шт.

13

02300-00716

WASHER

SN: 141893-UP

2шт.

14

6600-01-2170

CAP SCREW

SN: 141893-UP

4шт.

15

02310-10712

WASHER

SN: 141893-UP

4шт.

16

6610-71-3520

SEAL RING

SN: 141893-UP

1шт.

17

02100-00445

BOLT

SN: 141893-UP

2шт.

18

6610-71-1230

WASHER

SN: 141893-UP

2шт.

19

6610-71-3580

WASHER

SN: 141893-UP

2шт.

20

6610-71-4412

ELBOW

SN: 141893-UP

1шт.

|21

6610-71-3080

SCREEN

SN: 141893-UP

1шт.

21

6610-71-3601

FILTER

SN: 141893-UP

1шт.

22

6610-71-3840

RETAINER

SN: 141893-UP

1шт.

23

6610-71-3850

RING

SN: 141893-UP

1шт.

24

6610-71-3700

SCREEN

SN: 141893-UP

1шт.

25

6610-71-3830

SPRING

SN: 141893-UP

1шт.

26

6610-71-3820

SEAL

SN: 141893-UP

1шт.

27

6610-71-3811

CAP

SN: 141893-UP

1шт.

28

6610-79-3920

PLUG

SN: 141893-UP

1шт.

|1

6679-70-1000

PT PUMP ASS'Y

SN: 141893-UP

1шт.

|1

6679-70-1010

PT PUMP ASS'Y

SN: 141893-UP

1шт.

|1

6610-71-4010

VALVE

SN: 141893-UP

1шт.

|1

6610-71-4100

SHUT-OFF VALVE

SN: 141893-UP

1шт.

1

0

SN: 141893-UP

1шт.

2

6610-71-1830

PLUG

SN: 144160-UP

1шт.

|2

6610-71-1850

PLUG

SN: 141893-144159

1шт.

3

6610-71-4221

SHAFT

SN: 141893-UP

1шт.

4

6610-71-4230

DOWEL PIN

SN: 141893-UP

1шт.

5

6610-71-4241

O-RING

SN: 141893-UP

1шт.

6

6610-71-4140

VALVE

SN: 141893-UP

1шт.

7

6610-71-4130

SPRING

SN: 141893-UP

1шт.

8

6610-71-4160

O-RING

SN: 141893-UP

1шт.

9

6610-71-4120

SHIELD

SN: 141893-UP

1шт.

10

6610-71-4110

COIL

SN: 141893-UP

1шт.

11

6600-01-2570

NUT

SN: 141893-UP

3шт.

12

02310-00712

WASHER

SN: 141893-UP

2шт.

13

02300-00716

WASHER

SN: 141893-UP

2шт.

14

6600-01-2170

CAP SCREW

SN: 141893-UP

4шт.

15

02310-10712

WASHER

SN: 141893-UP

4шт.

16

6610-71-3520

SEAL RING

SN: 141893-UP

1шт.

17

02100-00445

BOLT

SN: 141893-UP

2шт.

18

6610-71-1230

WASHER

SN: 141893-UP

2шт.

19

6610-71-3580

WASHER

SN: 141893-UP

2шт.

20

6610-71-4412

ELBOW

SN: 141893-UP

1шт.

|21

6610-71-3080

SCREEN

SN: 141893-UP

1шт.

21

6610-71-3601

FILTER

SN: 141893-UP

1шт.

22

6610-71-3840

RETAINER

SN: 141893-UP

1шт.

23

6610-71-3850

RING

SN: 141893-UP

1шт.

24

6610-71-3700

SCREEN

SN: 141893-UP

1шт.

25

6610-71-3830

SPRING

SN: 141893-UP

1шт.

26

6610-71-3820

SEAL

SN: 141893-UP

1шт.

27

6610-71-3811

CAP

SN: 141893-UP

1шт.

28

6610-79-3920

PLUG

SN: 141893-UP

1шт.

Выбрано товаров: 68