Запчасти Komatsu GD605A-3 ГИДРАВЛ РЫЧАГ УПРАВЛ-Я (/)(№-) ГИДРАВЛИКА

Схема запчастей Komatsu GD605A-3 - ГИДРАВЛ РЫЧАГ УПРАВЛ-Я (/)(№-) ГИДРАВЛИКА
FIT
1:1
100%

Артикул

Название

Примечание

Количество

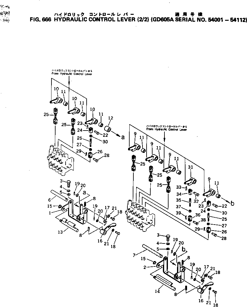
1

233-43-27180

BRACKET

SN: 54001-@

1шт.

2

233-43-27260

BRACKET

SN: 54001-@

1шт.

3

01010-51230

BOLT

SN: 54001-54112

4шт.

4

01602-21236

WASHER

SN: 54001-@

4шт.

5

01643-31232

WASHER

SN: 54001-@

4шт.

6

232-43-58530

SHAFT

SN: 54001-@

1шт.

7

232-43-58730

SHAFT

SN: 54001-@

1шт.

8

04025-00532

PIN

SN: 54001-54112

4шт.

9

232-43-58480

LEVER

SN: 54001-54112

4шт.

10

232-43-58490

LEVER

SN: 54001-@

3шт.

11

234-885-1620

BUSHING

SN: 54001-54112

7шт.

12

232-43-58390

COLLAR

SN: 54001-54112

1шт.

13

233-43-27190

LOCK

SN: 54001-@

1шт.

14

233-43-27270

LOCK

SN: 54001-@

1шт.

15

04064-01410

RING

SN: 54001-@

2шт.

16

233-43-27210

LEVER

SN: 54001-@

2шт.

17

232-855-1320

SPRING

SN: 54001-@

2шт.

18

04205-10616

PIN

SN: 54001-54112

4шт.

19

04205-10616

PIN

SN: 54001-54112

4шт.

20

01641-20608

WASHER

SN: 54001-54112

4шт.

21

01643-30623

WASHER

SN: 54001-54112

4шт.

22

04205-10822

PIN

SN: 54001-54112

7шт.

23

04050-12012

PIN

SN: 54001-54112

7шт.

24

04221-20844

YOKE

SN: 54001-54112

7шт.

25

232-43-58740

ROD

SN: 54001-54112

7шт.

26

04210-20624

YOKE

SN: 54001-54112

7шт.

27

01580-10605

NUT

SN: 54001-54112

7шт.

28

04205-10618

PIN

SN: 54001-54112

7шт.

29

04050-11610

PIN

SN: 54001-54112

7шт.

30

01580-20805

NUT

SN: 54001-54112

7шт.

31

232-43-58490

LEVER

SN: 54001-54112

1шт.

32

04205-10822

PIN

SN: 54001-54112

1шт.

33

04050-12012

PIN

SN: 54001-54112

1шт.

34

04221-20844

YOKE

SN: 54001-54112

1шт.

35

223-43-58740

ROD

SN: 54001-54112

1шт.

36

04210-20624

YOKE

SN: 54001-54112

1шт.

37

01580-10605

NUT

SN: 54001-54112

1шт.

38

04205-10618

PIN

SN: 54001-54112

1шт.

39

04050-11610

PIN

SN: 54001-54112

1шт.

Выбрано товаров: 0