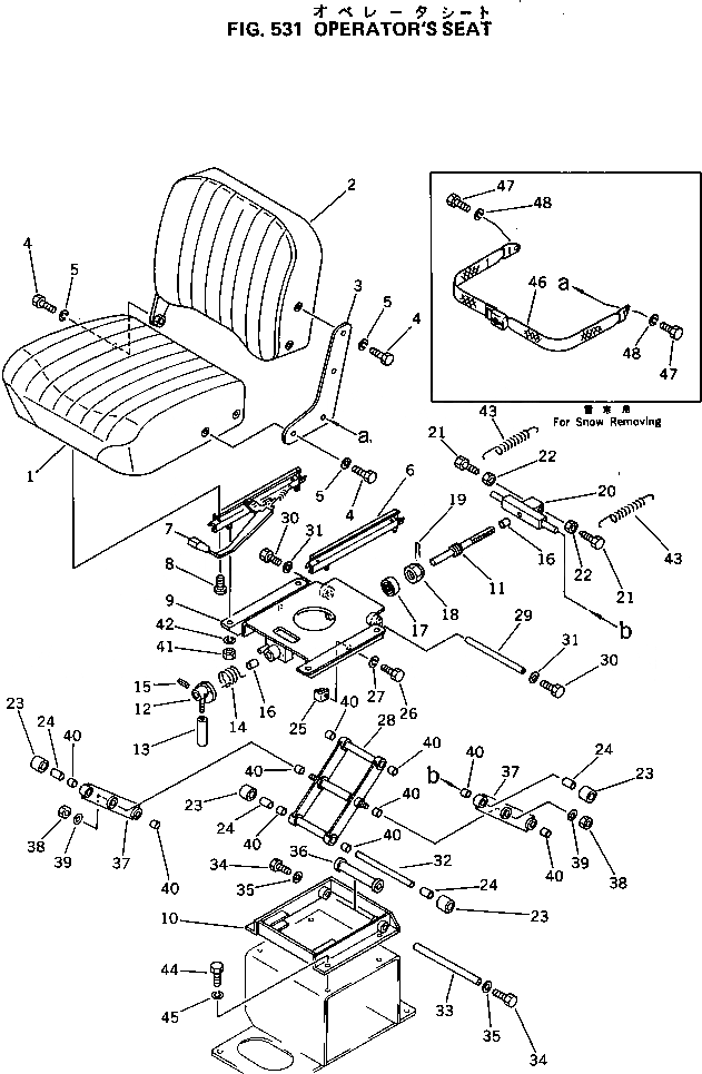
Запчасти Komatsu GD605A-3 СИДЕНЬЕ ОПЕРАТОРА РАМА И ЧАСТИ КОРПУСА

Схема запчастей Komatsu GD605A-3 - СИДЕНЬЕ ОПЕРАТОРА РАМА И ЧАСТИ КОРПУСА
FIT
1:1
100%

Артикул

Название

Примечание

Количество

|$0

238-57-00010

SEAT ASS'Y

SN: 54001-UP

1шт.

1

238-57-11110

SEAT

SN: 54001-UP

1шт.

2

238-57-11120

SEAT

SN: 54001-UP

1шт.

3

238-57-11130

PLATE

SN: 54001-UP

1шт.

4

01010-51025

BOLT

SN: 54001-UP

5шт.

5

01602-21030

WASHER

SN: 54001-UP

5шт.

6

236-54-22331

ADJUSTER ASS'Y

SN: 54001-UP

1шт.

7

236-54-22351

ADJUSTER ASS'Y

SN: 54001-UP

1шт.

8

01220-40816

SCREW

SN: 54001-UP

4шт.

9

238-57-11150

BRACKET

SN: 54001-UP

1шт.

10

238-57-11140

BRACKET

SN: 54001-UP

1шт.

11

238-57-11170

SHAFT

SN: 54001-UP

1шт.

12

238-57-11240

LEVER

SN: 54001-UP

1шт.

13

09304-01240

KNOB

SN: 54001-UP

1шт.

14

238-57-11180

SPRING

SN: 54001-UP

1шт.

15

04025-00432

PIN

SN: 54001-UP

1шт.

16

232-43-57180

BUSHING

SN: 54001-UP

2шт.

17

06000-51104

BEARING

SN: 54001-UP

1шт.

18

01592-12022

NUT

SN: 54001-UP

1шт.

19

04050-14040

PIN

SN: 54001-UP

1шт.

20

238-57-11160

SLIDER

SN: 54001-UP

1шт.

21

238-57-11260

BOLT

SN: 54001-UP

2шт.

22

01583-11006

NUT

SN: 54001-UP

2шт.

23

238-57-11270

ROLLER

SN: 54001-UP

4шт.

24

232-43-57180

BUSHING

SN: 54001-UP

4шт.

25

238-57-11250

STOPPER

SN: 54001-UP

2шт.

26

01010-51025

BOLT

SN: 54001-UP

2шт.

27

01602-21030

WASHER

SN: 54001-UP

2шт.

28

238-57-11280

LINK

SN: 54001-UP

1шт.

29

238-57-11210

SHAFT

SN: 54001-UP

1шт.

30

01010-51016

BOLT

SN: 54001-UP

2шт.

31

01643-31032

WASHER

SN: 54001-UP

2шт.

32

238-57-11220

SHAFT

SN: 54001-UP

1шт.

33

238-57-11190

SHAFT

SN: 54001-UP

1шт.

34

01010-51016

BOLT

SN: 54001-UP

2шт.

35

01643-31032

WASHER

SN: 54001-UP

2шт.

36

238-57-11230

SPACER

SN: 54001-UP

1шт.

37

238-57-11290

ARM

SN: 54001-UP

2шт.

38

01580-11008

NUT

SN: 54001-UP

2шт.

39

01643-31032

WASHER

SN: 54001-UP

2шт.

40

232-43-52320

BUSHING

SN: 54001-UP

10шт.

41

01580-10806

NUT

SN: 54001-UP

4шт.

42

01602-20825

WASHER

SN: 54001-UP

4шт.

43

238-57-11310

SPRING

SN: 54001-UP

2шт.

44

01010-51030

BOLT

SN: 54001-UP

4шт.

45

01602-21030

WASHER

SN: 54001-UP

4шт.

46

236-54-29210

BELT,(FOR SNOW REMOVING)

SN: 54047-UP

1шт.

47

01010-51035

BOLT,(FOR SNOW REMOVING)

SN: 54047-UP

2шт.

48

01643-31032

WASHER,(FOR SNOW REMOVING)

SN: 54047-UP

4шт.

Выбрано товаров: 49