Запчасти Komatsu GD605A-3 АККУМУЛЯТОР РАБОЧЕЕ ОБОРУДОВАНИЕ

Схема запчастей Komatsu GD605A-3 - АККУМУЛЯТОР РАБОЧЕЕ ОБОРУДОВАНИЕ
FIT
1:1
100%

Артикул

Название

Примечание

Количество

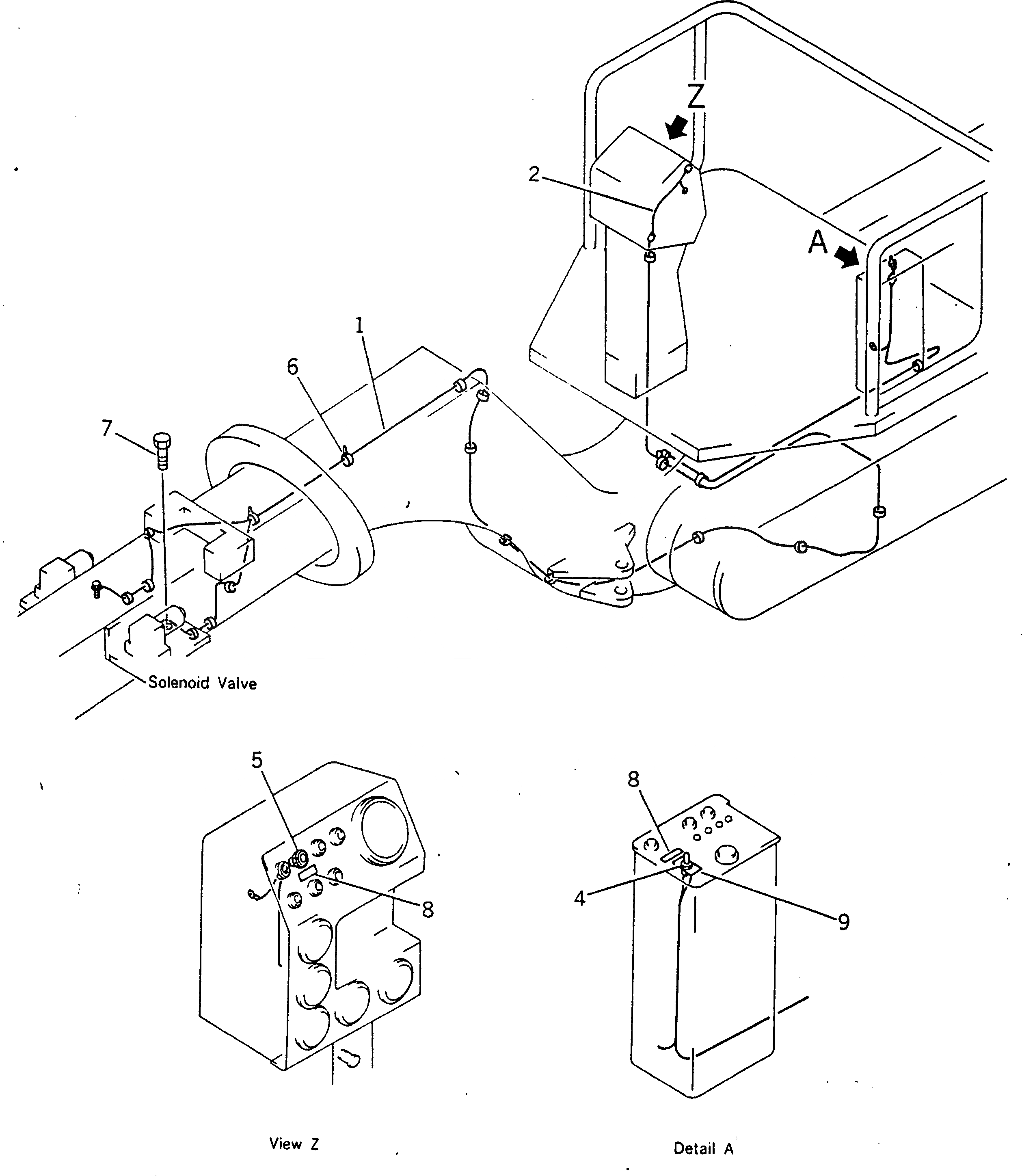
1

232-06-54180

CABLE (OP)

SN: 57001-UP

1шт.

2

232-06-54170

CABLE (OP)

SN: 57001-UP

1шт.

4

20N-06-11120

SWITCH (OP)

SN: 57001-UP

1шт.

5

08147-32402

LAMP (OP)

SN: 57001-UP

1шт.

6

08034-00414

BAND (OP)

SN: 57001-UP

20шт.

7

01010-50810

BOLT (OP)

SN: 57001-UP

2шт.

8

232-833-5110

PLATE (OP)

SN: 57001-UP

2шт.

9

232-833-5120

PLATE (OP)

SN: 57001-UP

1шт.

Выбрано товаров: 8