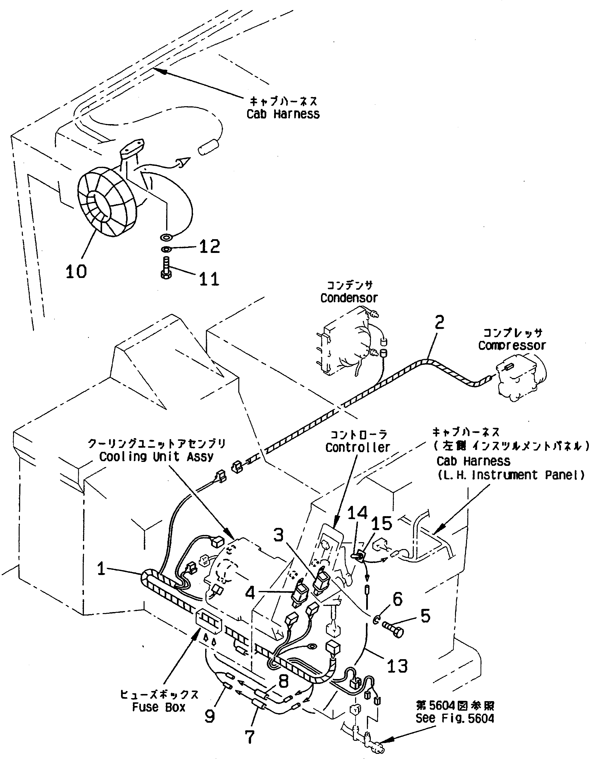
Запчасти Komatsu GD605A-5 КОНДИЦ. ВОЗДУХА (9/9) (ELECTRLCAL ЧАСТИ)(№-) РАМА И ЧАСТИ КОРПУСА

Схема запчастей Komatsu GD605A-5 - КОНДИЦ. ВОЗДУХА (9/9) (ELECTRLCAL ЧАСТИ)(№-) РАМА И ЧАСТИ КОРПУСА
FIT
1:1
100%

Артикул

Название

Примечание

Количество

1

23B-809-1510

HARNESS

SN: 1001-@

1шт.

2

23B-809-1520

CABLE

SN: 1001-@

1шт.

3

232-809-4680

RELAY,COOLER

SN: 1001-@

1шт.

4

232-809-7890

RELAY,CONDENSOR

SN: 1001-@

1шт.

5

01010-50610

BOLT

SN: 1001-1500

2шт.

6

01602-20619

WASHER,SPRING

SN: 1001-1500

2шт.

7

23B-809-1730

FUSE ASS'Y

SN: 1001-@

1шт.

|7

08040-01500

FUSE¤ 15A

SN: 1001-@

1шт.

8

232-809-7850

FUSE ASS'Y

SN: 1001-@

1шт.

|8

08040-01000

FUSE¤ 10A

SN: 1001-@

1шт.

9

23B-809-1530

CABLE

SN: 1001-@

1шт.

10

232-817-1510

FAN

SN: 1001-1500

1шт.

11

01010-50612

BOLT

SN: 1001-1500

2шт.

12

01643-30623

WASHER

SN: 1001-1500

2шт.

13

23B-807-4170

CABLE

SN: 1001-1500

1шт.

14

20N-06-11120

SWITCH,FAN

SN: 1001-1500

1шт.

15

23B-807-4160

PLATE

SN: 1001-1500

1шт.

Выбрано товаров: 17