Запчасти Komatsu 6D125-1X - -

Схема запчастей Komatsu 6D125-1X - - -
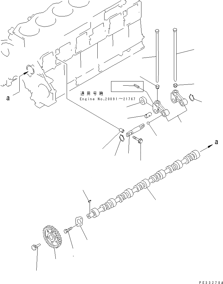
1
2
3
4
5
6
7
8
8
9
10
11
12
13
14
14
15
16
17
17
1
2
3
4
5
6
7
8
8
9
10
11
12
13
14
14
15
16
17
17
FIT
1:1
100%

Артикул

Название

Примечание

Количество

|1

6150-41-1012

CAMSHAFT ASS'Y

SN: 20091-UP

1шт.

1

0

SN: 20091-UP

1шт.

2

6150-41-1120

GEAR

SN: 20091-UP

1шт.

3

04010-00725

KEY

SN: 20091-UP

1шт.

4

6150-41-1130

PLATE

SN: 20091-UP

1шт.

5

01010-31022

BOLT

SN: 20091-UP

2шт.

6

6150-81-5131

GEAR

SN: 20091-UP

1шт.

|7

6150-41-2302

LEVER ASS'Y

SN: 21768-UP

12шт.

|7

0

LEVER ASS'Y

SN: 20091-21767

12шт.

|$$10

-1шт.

7

0

SN: 21768-UP

1шт.

|7

0

SN: 20091-21767

1шт.

8

0

SN: 21768-UP

1шт.

|8

0

SN: 20091-21767

1шт.

9

0

SN: 21768-UP

1шт.

|9

0

SN: 20091-21767

1шт.

10

0

SN: 21768-UP

1шт.

|10

0

SN: 20091-21767

1шт.

11

0

SN: 20091-21767

1шт.

|12

6150-41-2401

SHAFT ASS'Y

SN: 21768-UP

6шт.

|12

6150-41-2400

SHAFT ASS'Y

SN: 20091-21767

6шт.

12

0

SN: 21768-UP

1шт.

|12

0

SN: 20091-21767

1шт.

13

6150-81-8420

BALL

SN: 20091-UP

1шт.

14

04064-02012

SNAP RING

SN: 20091-UP

12шт.

15

6150-41-2450

BOLT

SN: 20091-UP

12шт.

16

6150-41-2430

PIN

SN: 20091-UP

12шт.

17

6150-41-3111

PUSH ROD

SN: 20091-UP

12шт.

|1

6150-41-1012

CAMSHAFT ASS'Y

SN: 20091-UP

1шт.

1

0

SN: 20091-UP

1шт.

2

6150-41-1120

GEAR

SN: 20091-UP

1шт.

3

04010-00725

KEY

SN: 20091-UP

1шт.

4

6150-41-1130

PLATE

SN: 20091-UP

1шт.

5

01010-31022

BOLT

SN: 20091-UP

2шт.

6

6150-81-5131

GEAR

SN: 20091-UP

1шт.

|7

6150-41-2302

LEVER ASS'Y

SN: 21768-UP

12шт.

|7

0

LEVER ASS'Y

SN: 20091-21767

12шт.

|$$10

-1шт.

7

0

SN: 21768-UP

1шт.

|7

0

SN: 20091-21767

1шт.

8

0

SN: 21768-UP

1шт.

|8

0

SN: 20091-21767

1шт.

9

0

SN: 21768-UP

1шт.

|9

0

SN: 20091-21767

1шт.

10

0

SN: 21768-UP

1шт.

|10

0

SN: 20091-21767

1шт.

11

0

SN: 20091-21767

1шт.

|12

6150-41-2401

SHAFT ASS'Y

SN: 21768-UP

6шт.

|12

6150-41-2400

SHAFT ASS'Y

SN: 20091-21767

6шт.

12

0

SN: 21768-UP

1шт.

|12

0

SN: 20091-21767

1шт.

13

6150-81-8420

BALL

SN: 20091-UP

1шт.

14

04064-02012

SNAP RING

SN: 20091-UP

12шт.

15

6150-41-2450

BOLT

SN: 20091-UP

12шт.

16

6150-41-2430

PIN

SN: 20091-UP

12шт.

17

6150-41-3111

PUSH ROD

SN: 20091-UP

12шт.

Выбрано товаров: 56