Запчасти Komatsu GD605A-5S ЭЛЕКТРИКА (ЛИНИЯ ПАНЕЛИ МОНИТОРА)(№-9) КОМПОНЕНТЫ ДВИГАТЕЛЯ И ЭЛЕКТРИКА

Схема запчастей Komatsu GD605A-5S - ЭЛЕКТРИКА (ЛИНИЯ ПАНЕЛИ МОНИТОРА)(№-9) КОМПОНЕНТЫ ДВИГАТЕЛЯ И ЭЛЕКТРИКА
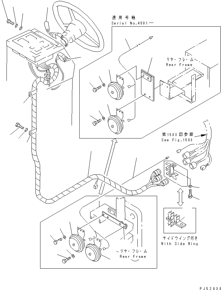
1
2
3
4
5
6
7
7
8
9
10
10
11
12
13
13
14
14
15
15
16
16
17
17
18
18
19
19
20
20
FIT
1:1
100%

Артикул

Название

Примечание

Количество

1

23B-06-13441

WIRE ASS'Y

SN: 4525-@

1шт.

|1

23B-06-13440

WIRE ASS'Y

SN: 4041-4524

1шт.

|1

23B-06-11530

WIRE ASS'Y

SN: 4001-4040

1шт.

2

01220-40612

SCREW

SN: 4001-@

4шт.

3

01643-30623

WASHER

SN: 4001-@

4шт.

4

01640-20610

WASHER

SN: 4001-@

4шт.

5

23A-06-12650

SWITCH,TURN SIGNAL

SN: 4001-@

1шт.

6

23A-06-12660

SWITCH,DIMMER

SN: 4047-@

1шт.

|6

235-06-13170

SWITCH,DIMMER

SN: 4001-4046

1шт.

7

08036-02514

CLIP

SN: 4001-@

2шт.

8

01010-51016

BOLT

SN: 4001-@

2шт.

9

01643-31032

WASHER

SN: 4001-@

2шт.

10

23D-06-12380

BRACKET

SN: 4041-@

1шт.

|10

23B-06-12250

BRACKET

SN: 4001-4040

1шт.

|10

23B-972-1870

BRACKET,(WITH SIDE WING)

SN: 4501-@

1шт.

11

01010-51016

BOLT

SN: 4001-@

1шт.

12

01643-31032

WASHER

SN: 4001-@

1шт.

13

23A-06-11330

WIRE ASS'Y

SN: 4001-4629

1шт.

14

08160-62420

HORN,LOW

SN: 4560-@

1шт.

|14

08160-52410

HORN,LOW

SN: 4001-4559

1шт.

15

01010-50820

BOLT

SN: 4501-@

2шт.

|15

01010-50814

BOLT

SN: 4001-4500

2шт.

16

01643-30823

WASHER

SN: 4001-@

2шт.

17

08160-62430

HORN,HIGH

SN: 4560-@

1шт.

|17

08160-52400

HORN,HIGH

SN: 4001-4559

1шт.

18

01010-50825

BOLT

SN: 4501-@

2шт.

|18

01010-50818

BOLT

SN: 4001-4500

2шт.

19

01643-30823

WASHER

SN: 4001-@

2шт.

20

23B-06-22510

BRACKET

SN: 4501-@

1шт.

|20

23A-06-12560

BRACKET

SN: 4001-4500

1шт.

Выбрано товаров: 30