Запчасти Komatsu GD605A-5S ГИДРОЛИНИЯ (ГИДРАВЛ УПРАВЛЯЮЩ. КЛАПАН - БАК)(С БОКОВ. КРЫЛОМ) (-WAY ТИП)(№-) ГИДРАВЛИКА

Схема запчастей Komatsu GD605A-5S - ГИДРОЛИНИЯ (ГИДРАВЛ УПРАВЛЯЮЩ. КЛАПАН - БАК)        (С БОКОВ. КРЫЛОМ) (-WAY ТИП)(№-) ГИДРАВЛИКА
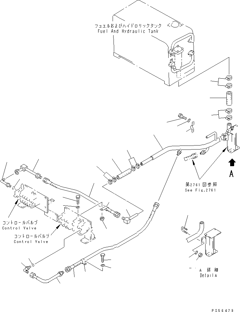
1
2
3
3
4
5
6
7
8
9
9
10
11
12
12
13
14
15
16
17
18
19
20
21
22
23
24
25
26
FIT
1:1
100%

Артикул

Название

Примечание

Количество

1

23A-60-26620

ELBOW

SN: 4501-@

1шт.

2

23B-60-14450

ELBOW

SN: 4501-@

1шт.

3

07000-12018

O-RING

SN: 4501-@

2шт.

4

23A-60-26380

TUBE

SN: 4501-@

1шт.

5

07108-20506

HOSE

SN: 4501-4523

1шт.

6

07102-20506

HOSE

SN: 4501-@

1шт.

7

23A-60-26370

ELBOW

SN: 4501-4523

1шт.

8

07260-02016

HOSE

SN: 4501-4523

1шт.

9

07281-00359

CLAMP

SN: 4501-4523

4шт.

10

23B-60-21520

TUBE

SN: 4501-4523

1шт.

11

07260-04118

HOSE

SN: 4501-@

1шт.

12

07281-00609

CLAMP

SN: 4501-@

4шт.

13

08036-02514

CLIP

SN: 4501-@

1шт.

14

01010-51016

BOLT

SN: 4501-@

1шт.

15

01643-31032

WASHER

SN: 4501-@

1шт.

16

08036-02514

CLIP

SN: 4501-@

1шт.

17

01010-51025

BOLT

SN: 4501-@

1шт.

18

01643-31032

WASHER

SN: 4501-@

1шт.

19

01580-11008

NUT

SN: 4501-@

1шт.

20

07282-04311

CLAMP

SN: 4501-@

1шт.

21

01010-51020

BOLT

SN: 4501-@

2шт.

22

01643-31032

WASHER

SN: 4501-@

2шт.

23

07283-24346

CLIP

SN: 4501-@

1шт.

24

01590-01011

NUT

SN: 4501-@

2шт.

25

01643-31032

WASHER

SN: 4501-@

2шт.

26

23A-60-26640

TUBE

SN: 4501-@

1шт.

Выбрано товаров: 26