Запчасти Komatsu GD611A-1 ДВИГАТЕЛЬ И ЧАСТИ КРЕПЛЕНИЯ ТРАНСМИССИИ КОМПОНЕНТЫ ДВИГАТЕЛЯ И ЭЛЕКТРИКА

Схема запчастей Komatsu GD611A-1 - ДВИГАТЕЛЬ И ЧАСТИ КРЕПЛЕНИЯ ТРАНСМИССИИ КОМПОНЕНТЫ ДВИГАТЕЛЯ И ЭЛЕКТРИКА
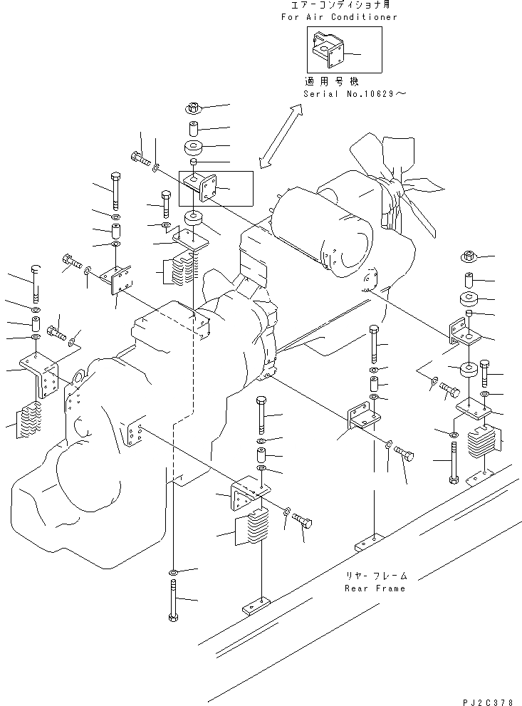
1
1
2
3
3
4
4
5
5
5
5
6
6
7
7
8
8
9
9
10
10
11
11
12
12
13
13
14
14
15
15
16
16
17
17
18
18
19
19
20
20
20
20
21
21
22
22
23
23
24
24
25
25
26
26
27
27
27
27
FIT
1:1
100%

Артикул

Название

Примечание

Количество

1

23A-01-11221

BRACKET

SN: 10001-UP

1шт.

1

23A-809-2330

BRACKET,(FOR AIR CONDITIONER)

SN: 10629-UP

1шт.

2

23A-01-11231

BRACKET

SN: 10001-UP

1шт.

3

01010-51035

BOLT

SN: 10001-UP

8шт.

4

01643-31032

WASHER

SN: 10001-UP

8шт.

5

23A-01-11210

CUSHION

SN: 10001-UP

4шт.

6

23B-01-11240

CUSHION

SN: 10001-UP

2шт.

7

23A-01-11250

SPACER

SN: 10001-UP

2шт.

8

23A-01-11460

PLATE

SN: 10001-UP

2шт.

9

01011-51615

BOLT

SN: 10001-UP

2шт.

10

01643-31645

WASHER

SN: 10001-UP

2шт.

11

23A-01-11540

PLATE

SN: 10001-UP

2шт.

12

23A-01-00080

SHIM ASS'Y

SN: 10001-UP

1шт.

12

0

SHIM, 0.2MM

SN: 10001-UP

15шт.

12

0

SHIM, 0.5MM

SN: 10001-UP

6шт.

12

0

SHIM, 1.0MM

SN: 10001-UP

10шт.

13

01010-51660

BOLT

SN: 10001-UP

4шт.

14

01643-31645

WASHER

SN: 10001-UP

4шт.

15

23A-01-11310

BRACKET

SN: 10001-UP

2шт.

16

01010-51240

BOLT

SN: 10001-UP

8шт.

17

01643-31232

WASHER

SN: 10001-UP

8шт.

18

23A-01-11250

SPACER

SN: 10001-UP

4шт.

19

01011-51615

BOLT

SN: 10001-UP

4шт.

20

01643-31645

WASHER

SN: 10001-UP

8шт.

21

23A-01-11330

BRACKET

SN: 10001-UP

2шт.

22

01010-51240

BOLT

SN: 10001-UP

12шт.

23

01643-31232

WASHER

SN: 10001-UP

12шт.

24

23A-01-11250

SPACER

SN: 10001-UP

4шт.

25

23B-01-00021

SHIM ASS'Y

SN: 10001-UP

2шт.

25

0

SHIM, 0.2MM

SN: 10001-UP

5шт.

25

0

SHIM, 0.5MM

SN: 10001-UP

2шт.

25

0

SHIM, 1.0MM

SN: 10001-UP

3шт.

26

01011-51615

BOLT

SN: 10001-UP

4шт.

27

01643-31645

WASHER

SN: 10001-UP

8шт.

Выбрано товаров: 34