Запчасти Komatsu GD621R-1 КОНДИЦ. ВОЗДУХА (/9) (ЛИНИЯ ОХЛАЖДЕНИЯ)(№8-) РАМА И ЧАСТИ КОРПУСА

Схема запчастей Komatsu GD621R-1 - КОНДИЦ. ВОЗДУХА (/9) (ЛИНИЯ ОХЛАЖДЕНИЯ)(№8-) РАМА И ЧАСТИ КОРПУСА
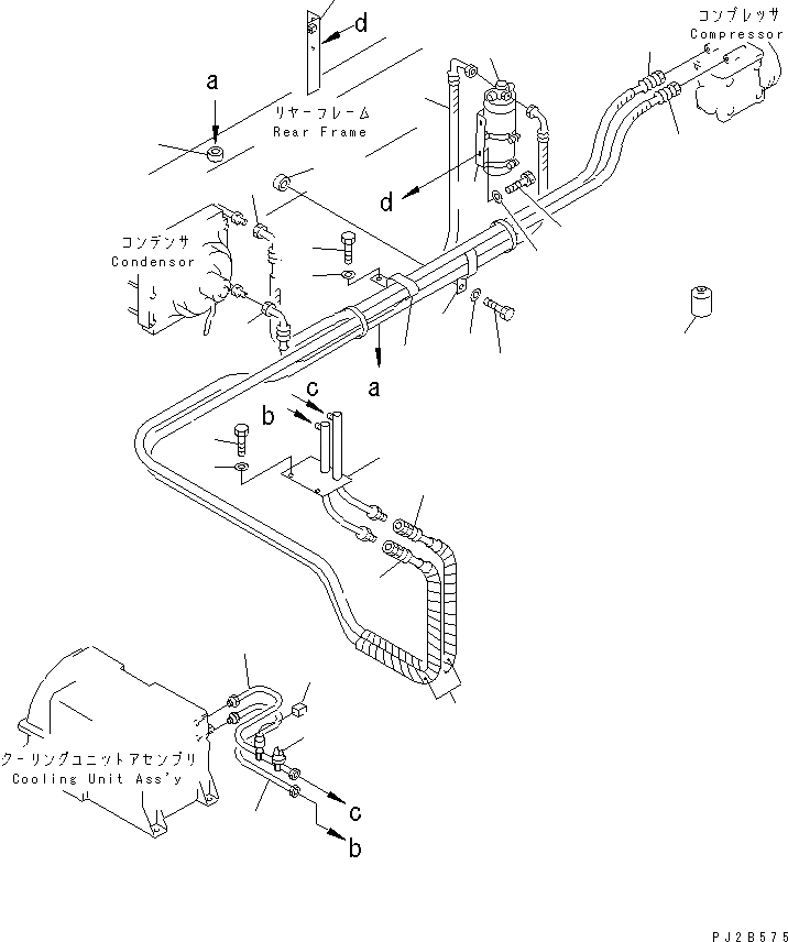
1
2
3
4
5
6
7
8
9
10
11
12
12
13
13
14
14
15
16
17
17
18
18
19
19
20
21
21
22
FIT
1:1
100%

Артикул

Название

Примечание

Количество

1

23B-809-3520

TUBE

SN: 10108-10246

1шт.

2

ND113440-0170

SWITCH,HIGH PRESSURE

SN: 10108-10246

1шт.

3

ND113440-0080

SWITCH,LOW PRESSURE

SN: 10108-10246

1шт.

4

23B-809-1210

CONNECTOR

SN: 10108-10246

1шт.

5

01010-51225

BOLT

SN: 10108-10246

2шт.

6

01643-31232

WASHER

SN: 10108-10246

2шт.

7

09488-70533

HOSE

SN: 10108-10246

1шт.

8

23B-809-1120

TANK,RECEIVER

SN: 10108-10246

1шт.

9

198-911-4590

HOLDER

SN: 10108-10246

1шт.

10

01010-50816

BOLT

SN: 10108-10246

2шт.

11

01643-30823

WASHER

SN: 10108-10246

2шт.

12

09488-50513

HOSE

SN: 10108-10246

1шт.

13

23A-809-2230

HOSE

SN: 10108-10246

1шт.

14

09488-50736

HOSE

SN: 10108-10246

1шт.

15

23B-809-3530

TUBE

SN: 10108-10246

1шт.

16

273-60-24450

TUBE,SPIRAL

SN: 10108-10246

6шт.

17

232-817-1140

CLIP

SN: 10108-10246

2шт.

18

01010-51016

BOLT

SN: 10108-10246

2шт.

19

01643-31032

WASHER

SN: 10108-10246

2шт.

20

23B-809-1430

BRACKET (WELDED)

SN: 10108-10246

1шт.

21

01571-01016

SEAT (WELDED)

SN: 10108-10246

2шт.

22

238-809-3290

GAS BOMBE

SN: 10108-10246

1шт.

Выбрано товаров: 0