Запчасти Komatsu GD623A-1 КАБИНА (B-ТИП) (/) РАМА И ЧАСТИ КОРПУСА

Схема запчастей Komatsu GD623A-1 - КАБИНА (B-ТИП) (/) РАМА И ЧАСТИ КОРПУСА
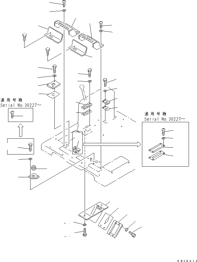
1
2
3
3
4
4
5
6
7
7
8
9
10
11
11
11
12
12
13
14
15
16
17
18
19
20
21
22
23
24
25
26
27
28
29
30
31
FIT
1:1
100%

Артикул

Название

Примечание

Количество

|$0

23B-950-0213

CAB ASS'Y

SN: 30219-UP

1шт.

|$1

0

CAB ASS'Y

SN: (30219-..)

1шт.

|$2

23B-950-0211

CAB ASS'Y

SN: .-30218

1шт.

|$3

0

CAB ASS'Y

SN: 30001-.

1шт.

|$$5

THIS ASSEMBLY CONSISTS OF ALL PARTS SHOWN IN FIGS.5401 TO 5417.

-1шт.

G1

0

COVER B GROUP

SN: 30001-UP

1шт.

|$$7

====================

-1шт.

1

23B-43-12340

COVER,L.H.

SN: 30001-UP

1шт.

2

23B-43-12310

COVER,R.H.

SN: 30001-UP

1шт.

3

01220-40820

SCREW

SN: 30001-UP

4шт.

4

01643-30823

WASHER

SN: 30001-UP

4шт.

5

23B-43-12350

PLATE,L.H.

SN: 30001-UP

1шт.

6

23B-43-12320

PLATE,R.H.

SN: 30001-UP

1шт.

7

23B-43-12210

COVER

SN: 30219-UP

1шт.

7

23B-43-12210

COVER

SN: 30001-30218

2шт.

8

23A-43-18760

COVER

SN: 30219-UP

1шт.

9

23A-43-18870

COVER

SN: 30219-UP

1шт.

10

235-957-2170

GROMMET

SN: 30219-UP

1шт.

10

235-957-2170

GROMMET

SN: 30001-30218

2шт.

11

01220-40820

SCREW

SN: 30219-UP

6шт.

11

01010-50820

BOLT

SN: 30001-30218

4шт.

12

01643-30823

WASHER

SN: 30219-UP

6шт.

12

01643-30823

WASHER

SN: 30001-30218

4шт.

13

23E-43-12241

COVER

SN: 30001-UP

1шт.

14

23E-43-12251

SEAT

SN: 30001-UP

1шт.

15

01010-50825

BOLT

SN: 30001-UP

2шт.

16

01643-30823

WASHER

SN: 30001-UP

2шт.

17

23B-43-12230

COVER

SN: 30001-UP

1шт.

18

23B-43-12240

SEAT

SN: 30001-UP

1шт.

19

01010-50820

BOLT

SN: 30001-UP

2шт.

20

01643-30823

WASHER

SN: 30001-UP

2шт.

21

23B-43-12250

COVER

SN: 30001-UP

1шт.

22

23B-43-12260

SEAT

SN: 30001-UP

1шт.

23

01010-50825

BOLT

SN: 30001-UP

2шт.

24

01643-30823

WASHER

SN: 30001-UP

2шт.

25

23E-43-12210

COVER

SN: 30001-UP

1шт.

26

01010-50825

BOLT

SN: 30001-UP

2шт.

27

01643-30823

WASHER

SN: 30001-UP

2шт.

28

23E-43-12220

PLATE

SN: 30001-UP

1шт.

29

23E-43-12230

SEAT

SN: 30001-UP

1шт.

30

01010-50616

BOLT

SN: 30001-UP

4шт.

31

01643-30623

WASHER

SN: 30001-UP

4шт.

|$$43

====================

-1шт.

Выбрано товаров: 43