Запчасти Komatsu GD623A-1 ОБОГРЕВАТЕЛЬ. (/) РАМА И ЧАСТИ КОРПУСА

Схема запчастей Komatsu GD623A-1 - ОБОГРЕВАТЕЛЬ. (/) РАМА И ЧАСТИ КОРПУСА
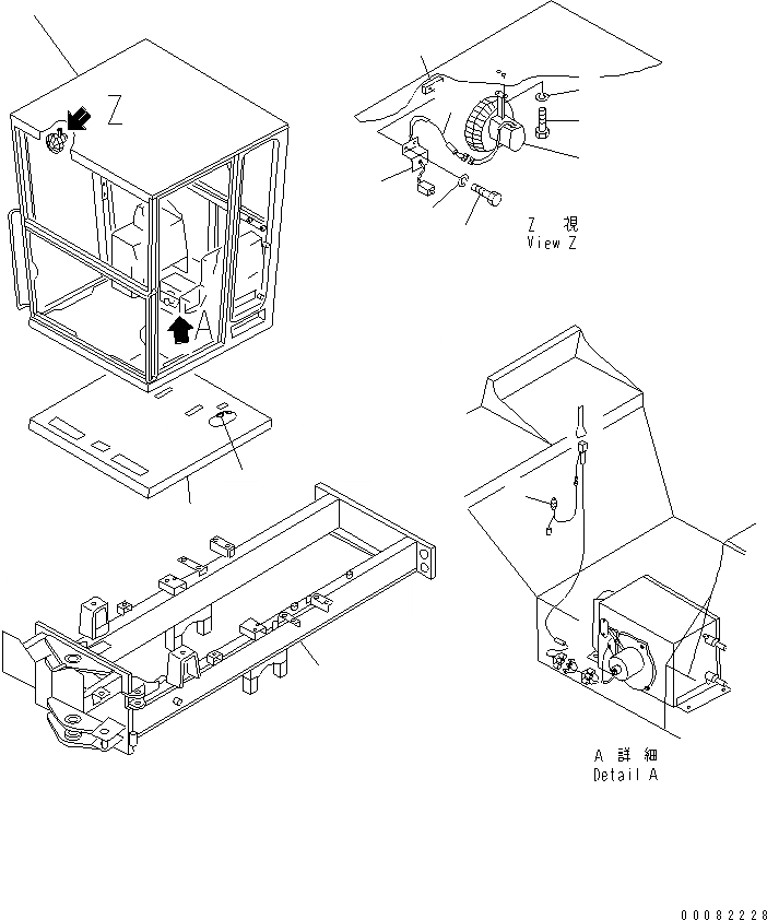
1
2
3
4
5
6
7
8
9
10
11
12
13
FIT
1:1
100%

Артикул

Название

Примечание

Количество

G1

0

HEATER GROUP

SN: 30001-UP

1шт.

|$$2

====================

-1шт.

1

23B-807-1690

FRAME,REAR (MODIFIED PARTS)

SN: 30001-UP

1шт.

1

01571-01016

SEAT (WELDED)

SN: 30001-UP

3шт.

2

23B-807-1620

CAB,(MODIFIED PARTS)

SN: 30001-UP

1шт.

2

01571-01016

SEAT (WELDED)

SN: 30001-UP

8шт.

3

01573-28207

SEAT (WELDED)

SN: 30001-UP

1шт.

4

23B-807-1630

FRAME,(MODIFIED PARTS)

SN: 30001-UP

1шт.

4

23A-807-1270

SEAT (WELDED)

SN: 30001-UP

2шт.

5

01580-11008

NUT (WELDED)

SN: 30001-UP

3шт.

6

232-817-1390

BOX,FUSE

SN: 30001-UP

1шт.

|$$12

====================

-1шт.

G2

0

CAB ACCESSARY GROUP

SN: 30001-UP

1шт.

|$$14

====================

-1шт.

7

232-817-1510

FAN,CAR (MODIFIED PARTS)

SN: 30001-UP

1шт.

8

01010-50612

BOLT

SN: 30001-UP

2шт.

9

01643-30623

WASHER

SN: 30001-UP

2шт.

10

237-807-3160

COVER

SN: 30001-UP

1шт.

11

01010-50812

BOLT

SN: 30001-UP

2шт.

12

01643-30823

WASHER

SN: 30001-UP

2шт.

13

23B-950-1850

WIRE ASS'Y

SN: 30001-UP

1шт.

|$$22

====================

-1шт.

Выбрано товаров: 22