Запчасти Komatsu GD625A-1 ГИДРАВЛ РЫЧАГ УПРАВЛ-Я¤ ЛЕВ.(№7-) СИСТЕМА УПРАВЛЕНИЯ

Схема запчастей Komatsu GD625A-1 - ГИДРАВЛ РЫЧАГ УПРАВЛ-Я¤ ЛЕВ.(№7-) СИСТЕМА УПРАВЛЕНИЯ
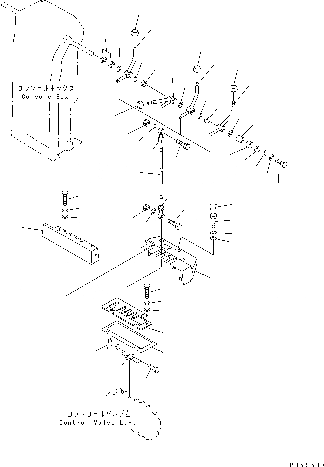
1
2
3
4
5
6
7
8
9
10
10
11
11
11
12
12
12
12
12
13
14
15
16
17
18
19
20
21
22
23
24
25
26
27
28
29
30
31
32
33
34
35
36
37
38
39
40
41
42
FIT
1:1
100%

Артикул

Название

Примечание

Количество

1

23B-43-13290

LEVER,CIRCLE REVERSE

SN: 60147-UP

1шт.

2

23B-43-17480

KNOB

SN: 60001-UP

1шт.

2

234-54-32320

PLATE,CIRCLE REVERSE

SN: 60001-UP

1шт.

3

23B-43-13340

LEVER,POWER TILT

SN: 60147-UP

1шт.

4

237-43-17480

KNOB

SN: 60001-UP

1шт.

4

232-735-1340

PLATE, OPERATING,POWER TILT

SN: 60001-UP

1шт.

5

23B-43-13330

LEVER,BLADE SIDE SHIFT

SN: 60147-UP

1шт.

6

237-43-17480

KNOB

SN: 60001-UP

1шт.

6

237-54-13230

PLATE, OPERATING,BLADE SIDE SHIFT

SN: 60001-UP

1шт.

7

23B-43-13270

LEVER,BLADE LIFT

SN: 60147-UP

1шт.

8

237-43-17480

KNOB

SN: 60001-UP

1шт.

8

237-54-13210

PLATE, OPERATING,BLADE LIFT

SN: 60001-UP

1шт.

9

237-43-17440

COLLAR

SN: 60001-UP

1шт.

10

23D-43-18590

COLLAR

SN: 60001-UP

2шт.

11

23D-43-18540

COLLAR

SN: 60001-UP

3шт.

12

237-43-17420

WASHER

SN: 60001-UP

5шт.

13

23A-43-18190

WASHER

SN: 60001-UP

1шт.

14

01220-40816

SCREW

SN: 60001-UP

1шт.

15

01602-20825

WASHER

SN: 60147-UP

1шт.

16

23B-43-18390

ROD

SN: 60001-UP

4шт.

17

04250-60847

END,ROD

SN: 60147-UP

4шт.

18

235-43-18380

BOLT

SN: 60147-UP

4шт.

19

04254-10823

SPACER

SN: 60147-UP

4шт.

20

01508-40805

NUT

SN: 60147-UP

4шт.

21

04250-60847

END,ROD

SN: 60147-UP

4шт.

22

235-43-18380

BOLT

SN: 60147-UP

4шт.

23

04254-10823

SPACER

SN: 60147-UP

4шт.

24

01580-10806

NUT

SN: 60147-UP

4шт.

25

23B-43-13160

LEVER

SN: 60147-UP

4шт.

26

235-43-32280

PIN

SN: 60147-UP

8шт.

27

233-43-27750

PIN

SN: 60147-UP

8шт.

28

01641-20608

WASHER

SN: 60147-UP

8шт.

29

23B-43-13150

COVER

SN: 60147-UP

1шт.

30

23B-43-13140

PLATE

SN: 60147-UP

1шт.

31

01010-50625

BOLT

SN: 60001-UP

2шт.

32

01602-20619

WASHER

SN: 60147-UP

2шт.

33

01643-30623

WASHER

SN: 60001-UP

2шт.

34

23B-43-13220

COVER

SN: 60147-UP

1шт.

35

01010-51225

BOLT

SN: 60001-UP

3шт.

36

01602-21236

WASHER

SN: 60147-UP

3шт.

37

01643-31232

WASHER

SN: 60001-UP

3шт.

38

09415-02512

CAP

SN: 60001-UP

3шт.

39

23B-43-13190

COVER

SN: 60147-UP

1шт.

40

01010-50616

BOLT

SN: 60147-UP

3шт.

41

01602-20619

WASHER

SN: 60147-UP

3шт.

42

01642-20608

WASHER

SN: 60147-UP

3шт.

Выбрано товаров: 46